阿摩線上測驗
登入
首頁
>
電子學
>
103年 - 103 專技高考_電子工程技師:電子學#43187
> 申論題
申論題
試卷:103年 - 103 專技高考_電子工程技師:電子學#43187
科目:電子學
年份:103年
排序:0
申論題資訊
試卷:
103年 - 103 專技高考_電子工程技師:電子學#43187
科目:
電子學
年份:
103年
排序:
0
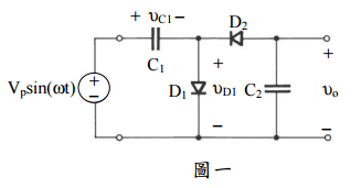
題組內容
一、於圖一所示的電路為倍壓器(voltage doubler),試繪:
申論題內容
⑵跨於電容器 C
1
兩端的電壓υ
C1
波形。(5 分)