阿摩線上測驗
登入
首頁
>
電子學
>
103年 - 103 專技高考_電子工程技師:電子學#43187
> 申論題
申論題
試卷:103年 - 103 專技高考_電子工程技師:電子學#43187
科目:電子學
年份:103年
排序:0
申論題資訊
試卷:
103年 - 103 專技高考_電子工程技師:電子學#43187
科目:
電子學
年份:
103年
排序:
0
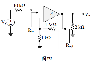
題組內容
四、於圖四的非反相的運算放大器中,其開迴路增益μ = 10
4
,差動輸入電阻 R
id
= 100 kΩ, 輸出電阻 r
o
= 1 kΩ,求:
申論題內容
⑵輸入電阻 R
in
。(10 分)