阿摩線上測驗
登入
首頁
>
電力系統
>
95年 - 095年交通事業港務人員升資、95年警察人員升官等電機工程(員級晉高員級)#38846
> 申論題
題組內容
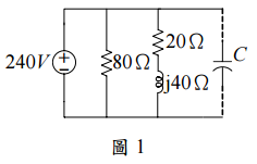
一、兩負載 Z
1
=80+j0Ω,Z
2
=20+j40Ω,分別跨接於一 240V, 60 Hz 之電源,如圖 1 所 示。試求
⑵須幾 µF 的電容器與負載並聯以改善總功率因數為 0.9 滯後。 (10 分)
相關申論題
⑴總負載實功率及虛功率,總負載功率因數。 (10 分)
#115516
二、某三相 60 Hz 架空輸電線長 120 公里。每相每公里之電阻為 0.12Ω,電感為 1.0 mH 及電容為 0.006 µF。受電端接一三相 Y 接負載其功率為 80 MW,功率因數為 0.8 滯 後,電壓為 135 kV。試以標稱 π(nominalπ)等效電路求送電端之電壓。(20 分)
#115518
四、某三相系統其三個相電壓分別為 Va=6200∠0°V,Vb=6400∠100°V,Vc=6600∠-110°V, 試求其序電壓(sequence voltages)。 (20 分)
#115520
⑴輸電線換位(transposition of lines)
#115521
⑵電壓控制匯流排(voltage control bus)
#115522
⑶經濟調度(economic dispatch)
#115523
⑷臨界清除角(critical clearing angle)
#115524
第四題:有一三相 60 Hz,66 kV 架空輸電線供電給三相平衡電力電阻性負載,其單相等效電路如【圖四】所示,試求:等效雙埠四端點傳輸參數 A,B,C,D。【25 分;未列出計算過程 者,不予計分】
#562871
(二)功因改善後,負載側的虛功率多少 kvar?【15 分;未列出計算過程者,不予計分】
#562870
(一)需加電力電容器多少 kvar?【10 分;未列出計算過程者,不予計分】
#562869
相關試卷
114年 - 114 地方政府公務特種考試_三等_電力工程:電力系統#134738
114年 · #134738
114年 - 114 專技高考_電機工程技師:電力系統#133708
114年 · #133708
114年 - 114 公務升官等考試_薦任_電力工程:電力系統#133165
114年 · #133165
114年 - 114 高等考試_二級_電力工程:電力系統#131586
114年 · #131586
114年 - 114 高等考試_三級_電力工程:電力系統#128774
114年 · #128774
114年 - 114 關務特種考試_三等_電機工程(選試英文):電力系統#126644
114年 · #126644
113年 - 113 臺灣菸酒股份有限公司_從業職員及從業評價職位人員甄試試題_電子電機:電力系統(含電路學)#133978
113年 · #133978
113年 - 113 地方政府公務特種考試_三等_電力工程:電力系統#124553
113年 · #124553
113年 - 113 專技高考_電機工程技師:電力系統#123952
113年 · #123952
113年 - 113 高等考試_二級_電力工程:電力系統#123076
113年 · #123076