阿摩線上測驗
登入
首頁
>
電子學
>
99年 - 99 專技高考_專利師:電子學#46576
> 申論題
申論題
試卷:99年 - 99 專技高考_專利師:電子學#46576
科目:電子學
年份:99年
排序:0
申論題資訊
試卷:
99年 - 99 專技高考_專利師:電子學#46576
科目:
電子學
年份:
99年
排序:
0
題組內容
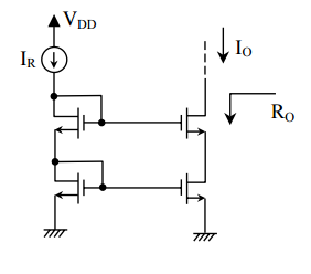
四、如下圖所示為一以 MOSFET 所組成的疊接電流鏡(cascode current mirror),四個 電晶體的特性完全相同。
申論題內容
⑵若電晶體小信號模型中之互導(transconductance)為g
m
,輸出電阻為r
o
。忽略本 體效應,求由輸出端所視入之小信號等效電阻R
o
。(15 分)