題組內容

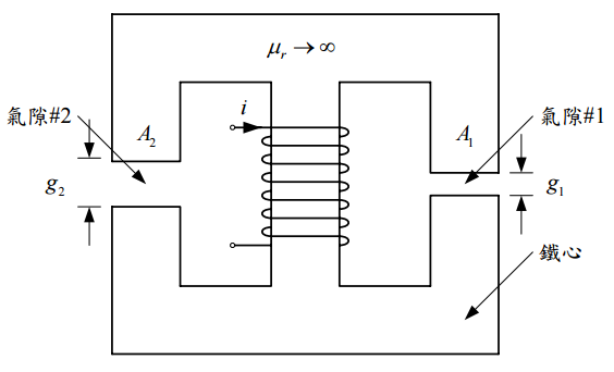
三、電感器的結構正面示意圖如下圖,氣隙的截面積 = A1=A 2 =10 cm2 ,氣隙g1 = 1 mm,氣隙 g2 = 2 mm。假設磁路鐵心的相對導磁係數μ r 為無窮大(∞),且不計算線圈的漏 磁及氣隙的邊緣效應,氣隙的導磁係數 μ0=4 π × 10−7 H/ m 。若線圈的電流為 5 A及線 圈的匝數為 200 匝,試求:

1電感及電感儲存能量。(10 分)