阿摩線上測驗
登入
首頁
>
國中技藝-工業電子組
>
110年 - 110 全國高級中等學校學生技藝競賽考試_工業類:工業電子#138568
> 申論題
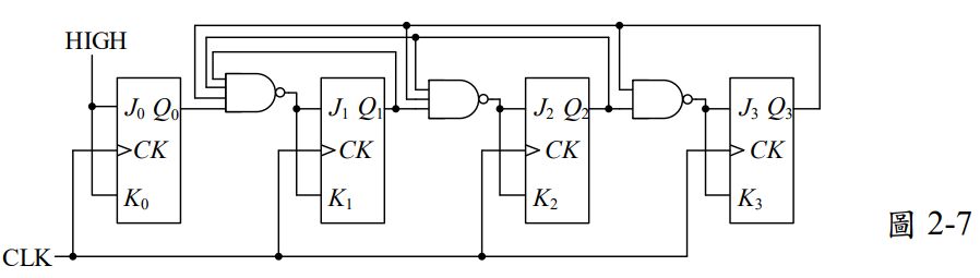
7.請問圖2-7之計數器,若電路狀態的呈現以Q
3
Q
2
Q
1
Q
0
表示,初始狀態為0000,請問電路進來第5個時脈週期後會呈現甚麼狀態?__________
相關申論題
1.如圖2-1所示電路,求Req=____________。
#567268
2.如圖2-2所示電路,假設T型正反器QA,QB,QC之初始值為000,進入5個CLK後的QA,QB,QC之值為?__________
#567269
3.如圖2-3所示電路,若電感器、電容器於開關S閉合前皆無儲存能量,則S閉合後之初始電流I的瞬間值為何?_______
#567270
4.如圖2-4所示電路,假設Vi=1+sin(ωt±θ)(V),Vo=-sin(ωt±θ)(V),Voffset=________
#567271
5.如圖2-5所示電路,ab兩端若接一個負載RL,其為多少時可以獲得最大功率?________
#567272
6.如圖2-6所示,JFET之互導gm=5mA/V且工作於飽和區,此放大器之電壓增益Vo/Vi為何?_________
#567273
8.如圖2-8所示,F=f(A,B,C,D),求輸出F最簡的積之和(Sum of Product)方程式__________
#567275
9.如圖2-9電路圖中,若D2D1D0的初始狀態為111,且CLK適當觸發,電路經過8個時脈週期後,D2D1D0會呈現甚麼狀態?_________
#567276
10.圖2-10所示邏輯電路,若時脈信號CLOCK為36kHz方波,則Q3輸出端頻率為多少?__________
#567277
1.如圖3-1,假設OPA的電源電壓為±15V,請求輸出Vo的電壓?
#567278
相關試卷
114年 - 114 全國高級中等學校學生技藝競賽考試_工業類:工業電子#137982
114年 · #137982
113年 - 113 全國高級中等學校學生技藝競賽考試_工業類:工業電子#138116
113年 · #138116
112年 - 112 全國高級中等學校學生技藝競賽考試_工業類:工業電子#138246
112年 · #138246
111年 - 111 全國高級中等學校學生技藝競賽考試_工業類:工業電子#138249
111年 · #138249
110年 - 110 全國高級中等學校學生技藝競賽考試_工業類:工業電子#138568
110年 · #138568
110年 - 110 新北市國民中學技藝競賽 電機與電子職群151-200#106259
110年 · #106259
110年 - 110 新北市國民中學技藝競賽 電機與電子職群201-250#106258
110年 · #106258
110年 - 110 新北市國民中學技藝競賽 電機與電子職群101-150#106256
110年 · #106256
110年 - 110 新北市國民中學技藝競賽 電機與電子職群51-100#106250
110年 · #106250
110年 - 110 新北市國民中學技藝競賽 電機與電子職群1-50#106245
110年 · #106245