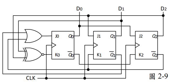
9.如圖2-9電路圖中,若D2D1D0的初始狀態為111,且CLK適當觸發,電路經過8個時脈週期後,D2D1D0會呈現甚麼狀態?_________