所屬科目:通信系統、電子學
31.如【圖 31】所示之二極體截波器(clipper),若輸入電壓 vi為一振福±10 V 的三角波,VB = 5 V,而二極體的導通電壓為 0.7 V,則輸出電壓 vo 的最小值約為何? (A)4.3 V (B) 5.7 V (C) -5.7 V (D)-9.3 V
35.一交流電壓的基本波(fundamental)振幅為 1,三次諧波(harmonic)與五次諧波分別為 0.4 與 0.3 , 其總諧波失真(total harmonic distortion, THD)為何? (A)30 %(B)40 %(C) 50 % (D)70 %
36.矽半導體本質(Intrinsic)濃度原子/cm3,在密度為 原子/cm3中,每 108個矽原子加入一個硼原子,則電子濃度應為多少電子/cm3? (A)(B)(C) (D)
37.一半波整流電路,若輸入交流電壓為 110 伏特有效值,RL的阻值為 4kO,求直流輸出電壓約為多少伏特? (A)35(B)49.5(C) 60.5 (D)70
41.設計一具有交換電壓為 電源電壓一半之 CMOS 反相器,假設 NMOS 與 PMOS 之臨界電壓 且具 有相同通道長度,而其移動率(mobility),則 PMOS 與 NMOS 電晶體寬度的關係為何? (A)(B)(C) (D)與電晶體寬度無關
42.如【圖 42】所示電路中,欲使 IZ = 5mA,則 R 值應為若干? (A)500 O (B) 1 kO (C) 1.5 kO (D)2 kO
44. P 通道空乏型 MOSFET 之夾止電壓 = 3V,且閘極電壓為 6V、源極電壓為 5V 以及汲極電壓為 0V,則 其工作於何種模式? (A)崩潰模式 (B)夾止飽和區模式(C)歐姆區模式 (D)截止區模式
45.若 N 通道空乏型 MOSFET 工作於夾止飽和區,閘源極間電壓為 -2V,夾止電壓為 -5V,飽和電流 , 則汲極電流約為何? (A)5 mA (B)3.5 mA (C) 2.25 mA (D) 0.9 mA
46.某 JFET 夾止電壓,若汲極電流為 2mA,則其閘-源極間電壓 為何? (A)4V(B)2V (C) -1V (D) -2V
48.單相二極體橋式全波整流器,交流輸入電壓 vi = 20sin60 πtV ,則下列敘述何者正確? (A)直流電壓頻率為 30Hz (B)直流電壓有效值為 14.1 V (C)直流電壓平均值為 14.1 V (D)二極體之逆向峰值電壓為 40 V
51.在一般 BJT 電流增益的頻率響應圖中,若直流增益為 100,且已知截止頻率(cut-off frequency)為 107 rad/sec, 單位增益頻率(unity-gain frequency)為何? (A)105 rad/sec(B)107 rad/sec(C) 10 9 rad/sec (D)
52.矽(Si)的本質載子濃度(intrinsic carrier concentration)為,在同樣的溫度下,若受體(acceptor)濃度 為,熱平衡下的電子濃度約為何? (A)(B)(C) (D)
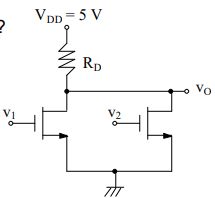
53.如【圖 53】所示之 NMOS 電路,若 v1 接地且 v2 接 ,則 vO 的準位為何?
(A)低準位 (B)高準位 (C)無法判別 (D)高、低準位兩者交換變化
55.有一 BJT 偏壓於順向主動區(forward-active region),若集極(collector)電流 iC = 2 mA、基極(base)電流 iB = 20 µA, 其共基極電流增益(common-base current gain)為何? (A) (B) (C) 100 (D)101
題目一: 假設接收到的訊號 r(t)=s(t)+n(t),其中 s(t)是傳送的訊號,而 n(t)是 AWGN (Additive White Gaussian Noise),請找出匹配濾波器 h(t)為何?(提示:使用 Schwarz's inequality)【10 分】
(一)求 I1 與為何?【5 分】
(二)求 I2 與為何?【5 分】
(一)先求出 ,並展開。【5 分】
(二)以 實現一級(one stage)CMOS 電路圖,為輸入。(提示:其中以第(一) 小題中展開結果代入)【5 分】