阿摩線上測驗
登入
首頁
>
電機機械
> 101年 - 101年專門職業及技術人員高等建築師、技師、第二次食品技師暨普通不動產經紀人、記帳士考高等_電機工程技師#26487
101年 - 101年專門職業及技術人員高等建築師、技師、第二次食品技師暨普通不動產經紀人、記帳士考高等_電機工程技師#26487
科目:
電機機械 |
年份:
101年 |
選擇題數:
0 |
申論題數:
6
試卷資訊
所屬科目:
電機機械
選擇題 (0)
申論題 (6)
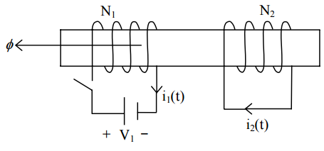
【已刪除】一、如圖所示常見用以說明電機械能量轉換原理之簡單電磁耦合電路,它是由兩個繞組同 繞在一個鐵心組成,其中第二繞組兩端為短路連接,且於t=0
-
時,i
1
(0
-
)=i
2
(0
-
)=0; 假設於t=0 時瞬間施加一直流電壓源V
1
= 25 V,並已知第一繞組匝數N
1
= 1000,電 阻r
1
= 25 Ω,自感L
1
= 100 H,第二繞組匝數N
2
= 500,電阻r
2
= 25 Ω,自感L
2
= 25 H, 而兩繞組之互感值M=47.5 H,磁飽和效應及鐵心耗損可以忽略,試寫出該耦合電 路之微分方程式,並利用拉氏轉換(Laplace transform)求解出I
1
(s)=L[i
1
(t)]及其時 域穩態值。
(20 分)註:請注意圖中繞組電流方向定義及繞法。
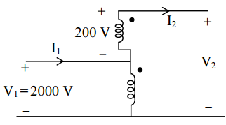
【已刪除】二、有一台單相 60 Hz,2000/200 V,50 kVA變壓器,將其連接成如圖所示之自耦變壓 器;假設 200 V繞組之絕緣足以耐受 2200 V電壓,試求此自耦變壓器之額定kVA功 率及此時輸入電流I1與輸出電流I
2
。(20 分)
三、有一部理想它激式直流電動機,其磁飽和效應與鐵心損失及摩擦、風阻耗損均可忽 略。已知該電動機在穩態時轉速為 150 rad/sec,輸出功率為 30 kW,電樞電流為 10 A, 電樞電阻為 2 Ω,試求此時該電動機之輸入電壓V
in
。(20 分)
【已刪除】四、如圖所示電路為一忽略定子電阻之理想三相鼠籠式感應電動機轉換至定子側之弦波 穩態單相等效電路,其磁飽和效應、鐵心損失及摩擦、風阻耗損均可忽略。已知施 加正序平衡三相電壓於該電動機,其中a相電壓v
as
(t)為
,而其轉子 時間常數
,總洩漏因數(total leakage factor)
,依序分別為 1 sec 及 0.05;試求該電動機發生最大轉矩時之滑差S
max
。(20 分)
1求此時該同步電動機之輸入實功率P
in
。(5 分)
2上小題若輸入功率與電壓維持不變,但欲輸入端功因為 1.0,則其激磁電流應調 變為多少安培?(15 分)