阿摩線上測驗
登入
首頁
>
初等/五等/佐級◆基本電學大意
> 101年 - 101 初等考試_電子工程:基本電學大意#38340
101年 - 101 初等考試_電子工程:基本電學大意#38340
科目:
初等/五等/佐級◆基本電學大意 |
年份:
101年 |
選擇題數:
40 |
申論題數:
0
試卷資訊
所屬科目:
初等/五等/佐級◆基本電學大意
選擇題 (40)
1 電量之單位為何? (A)法拉 (B)焦耳 (C)亨利 (D)庫倫
2 移動 1 庫倫之電荷作 1 焦耳之功,定義為: (A) 1 韋伯 (B) 1 瓦特 (C) 1 安培 (D) 1 伏特
3 下列何種材質之百分率電導係數為 100%? (A)純金 (B)標準韌銅 (C)純銀 (D)純銅
4 有一帶電量 10 庫倫的正電荷,由無窮遠處移動至a點需作功 100 焦耳,而由無窮遠處移動至b點需作50 焦耳,則a、b二點間之電位差Vab為多少伏特? (A) 5 (B) 10 (C) 25 (D) 50
5 下圖為某元件之電阻值與溫度關係曲線,圖中元件之電阻溫度係數為:電阻值溫度值(A)正 (B)負 (C)零 (D)無法判斷
6 若放電電流為 600 毫安培,則一個具有 450 毫安培-小時之電池,其使用之時間為多久? (A) 2 小時 10 分 (B) 1 小時 20 分 (C) 45 分 (D) 36 分
7 完全相同的兩線圈間,若其互感為 2 亨利,耦合係數為 0.5,則線圈之自感量為多少亨利? (A) 4 (B) 2 (C) 1 (D) 0.5
8 如圖所示之兩電感器串聯電路,其互感(M)為 2 亨利,則兩電感器儲存的能量共多少焦耳?
(A) 56 (B) 80 (C) 88 (D) 104
9 有一電熱器之電阻為 50 歐姆,若使用 20 分鐘,產生之熱量為 15000 焦耳,求通過電熱器之電流為 多少安培?(A) 0.25 (B) 0.5 (C) 1.02 (D) 2.04
10 如圖所示之電路中,C
1
為 10 微法拉,充滿電後把開關S由A點移到B點,則C
1
之電壓降為 80 伏特後 達到穩定,假設C
X
初始電壓值為零,則電容C
X
之值為多少微法拉?(A) 15 (B) 5 (C) 3 (D) 2.5
11 有一平行板電容器接於直流電壓源,其極板電荷量為 1000 微庫倫,儲存 5 焦耳能量,則此電容器之 電容量為多少微法拉?(A) 100 (B) 10 (C) 1 (D) 0.1
12 有一帶有正 10×10
-9
庫倫的點電荷,試求距該點電荷 3 公尺及 5 公尺之電位差為多少伏特? (A) 30 (B) 18 (C) 12 (D) 6
13 有一銅線,若體積不變,將長度均勻拉長 1 倍,則在外加電壓不變之情形下,流經銅線之電流為未 拉長時之幾倍?(A) 0.25 (B) 0.5 (C) 2 (D) 4
14 陶瓷電容器上標示為 302J,則其電容值為多少? (A) 0.03 μF±5% (B) 3 nF±5% (C) 0.3 nF±10% (D) 0.03 nF±2%
15 某半徑 0.5 公尺帶電球體,其帶電量為正 20×10
-9
庫倫,求距離球心 5 公尺處之電位為多少伏特? (A) 3.6 (B) 7.2 (C) 36 (D) 72
16 某 80 匝之線圈,若線圈內磁通在 0.8 秒內由 2 韋伯線性升到 6 韋伯,求此線圈之感應電壓為多少伏 特?(A) 200 (B) 300 (C) 400 (D) 600
17 一導線長 10 公尺在B=2×10
-3
韋伯/平方公尺之均勻磁場中運動,若導線通以 6 安培之電流,且導線 與磁場間之夾角為 30 度,則導線所受力為多少牛頓?(A) 0.6 (B) 0.06 (C) 0.12 (D) 0.012
18 一線圈匝數為 500 匝,通過 4 安培電流,產生 2×10
-2
韋伯的磁通量,求該線圈所儲存的能量為多少 焦耳?(A) 10 (B) 20 (C) 30 (D) 40
19 如圖所示之電路中,已知E
1
=30 V、R
1
=6 Ω、E
2
=10 V、R
2
=5 Ω、R
3
=9 Ω,則電流I為多少安培?
(A) 1 (B) 2 (C)-1 (D)-2
20 進行某一負載上電流之量測時,則下列敘述何者正確? (A)電流表與負載並聯連接 (B)電壓表與負載串聯連接(C)電流表與負載串聯連接 (D)電壓表與負載並聯連接
21 如圖所示之電路中,已知 E=50 V 時,則電流 I 為多少安培? (A) 1 (B) 2 (C) 5 (D) 10
22 如圖所示之電路中,已知R
1
=8 Ω、R
2
=16 Ω,且電阻R
2
上消耗的功率為 64 W,則電壓E為多少伏特 ?
(A) 8 (B) 16 (C) 32 (D) 48
23 如圖所示之電路中,已知I=9 A、R
1
=8 Ω、R
2
=16 Ω,則電阻R
2
上的電流為多少安培?
(A) 1 (B) 3 (C) 6 (D) 9
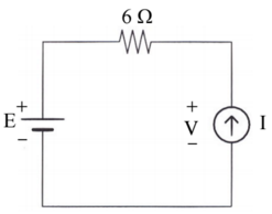
24 如圖所示之電路中,已知電壓源之電壓 E 為 10 V,電流源之電流 I 為 1 A,則電流源兩端之電壓 V 為多少伏特?
(A) 4 (B) 6 (C) 10 (D) 16
25 如圖所示之電路中,已知I=6 A、R
1
=8 Ω、R
2
=12 Ω、R
3
=24 Ω,則電阻R3上的電流為多少安培?
(A) 1 (B) 3 (C) 6 (D) 9
26 此電路的時間常數為多少秒? (A) 2.5 (B) 2 (C) 0.5 (D) 0.2
27 承上題,穩態時之電感所儲存能量為多少焦耳? (A) 400 (B) 100 (C) 25 (D) 5
28 當時間t=0 時,開關S
1
置於a點,且電流iL的初值為零,此電流i
L
的響應為何? (A)i
L
=10e
-5t
A (B)i
L
=10(1-e
-5t
) A (C)i
L
=10e
-0.2t
A (D)i
L
=10(1-e
-0.2t
) A
29 承上題,求電感端電壓v
L
的響應為何? (A)v
L
=100e
-5t
V (B)v
L
=100(1-e
-5t
) V (C)v
L
=100e
-0.2t
V (D)v
L
=100(1-e
-0.2t
) V
30 開關S
1
置於a點已達穩態;若時間t=0,將開關S
1
置於b點,則此電阻R
1
端電壓v
R1
的響應 為何?(A)v
R1
=40e
-0.1t
V (B)v
R1
=20e
-0.1t
V (C)v
R1
=40e
-10t
V (D)v
R1
=40e
-5t
V
31 承上題,則此電感L
1
的端電壓v
L1
的響應為何? (A)v
L1
=-40e
-0.1t
V (B)v
L1
=40e
-10t
V (C)v
L1
=-80e
-10t
V (D)v
L1
=80(1-e
-5t
) V
32 如圖所示電路,其輸入阻抗 Z 為多少歐姆? (A) 6+j8 (B) 8+j6 (C) 6+j6 (D) 8+j8
33 如圖所示之電路中,已知 E=54 V 時,則電流 I 為多少安培? (A) 3 (B) 6 (C) 9 (D) 12
34 如圖所示之 R-C-L 並聯電路,若電源頻率為 50 Hz,求總導納 Y 約為多少姆歐?
(A) 0.1+j100 (B) 0.1-j100 (C) 0.1+j0.1 (D) 0.1-j0.1
35 如圖所示電路,R=40 Ω,|X
L
|=60 Ω,|X
C
|=30 Ω,若電源電壓v(t)=110 sin377t伏特,則電路消耗平 均功率約為多少瓦特?
(A) 100 (B) 200 (C) 400 (D) 1000
36 如圖所示為正弦半波之電壓波形,其波峰因數(Crest Factor)為:
(A) √3 (B) √2 (C) 2√2 (D) 2
37 如圖所示之 R-L-C 串聯電路,若電源電壓 v(t)=100 √2 sin1000t 伏特,R=3 Ω,L=6 mH,C=500 μF,求 總阻抗大小為多少 Ω?
(A) 5 (B) 6 (C) 8 (D) 10
38 如圖所示之 R-L-C 串聯電路,若電源電壓有效值相量 V 為 100∠0º 伏特,電源角頻率 ω=1000 rad/sec, R=4 Ω,L=2 mH,C=500 μF,求電流 I 為多少安培?
(A) 20∠0º (B) 25∠0º (C) 20∠53.1º (D) 25∠53.1º
39 如圖所示之 R-C 並聯電路,若電源電壓 v(t)=100 √2 sin1000t 伏特,R=2 Ω,C=500 μF,求導納Y 為 多少姆歐?
40 如圖所示R-L-C串聯諧振電路,諧振時,|V
R
|=100 V,|V
L
|=|V
C
|=2 kV,則電路品質因數Q為:
(A) 0.05 (B) 1 (C) 10 (D) 20
申論題 (0)
相關試卷
115年 - 115 初等考試_電子工程:基本電學大意#136711
115年 · #136711
114年 - 114 初等考試_電子工程:基本電學大意#124884
114年 · #124884
113年 - 113-2 國營臺灣鐵路股份有限公司_從業人員甄試_第 11 階-服務員-電機:基本電學大意#137070
113年 · #137070
113年 - 113 國營臺灣鐵路股份有限公司_從業人員甄試_第 11 階-服務員-電機:基本電學大意#118978
113年 · #118978
113年 - 113 初等考試_電子工程:基本電學大意#118528
113年 · #118528
112年 - 112 地方政府特種考試_五等_電子工程:基本電學大意#118365
112年 · #118365
112年 - 112 鐵路、國家安全情報特種考試_佐級、五等_電力工程、電子工程、電子組:基本電學大意#114946
112年 · #114946
112年 - 112 身心障礙特種考試_五等_電子工程:基本電學大意#113918
112年 · #113918
112年 - 112 初等考試_電子工程:基本電學大意#112884
112年 · #112884
111年 - 111 地方政府特種考試_五等_電子工程:基本電學大意#112591
111年 · #112591