阿摩線上測驗
登入
首頁
>
電路學
> 101年 - 101 專技高考_電子工程技師:電路學#26333
101年 - 101 專技高考_電子工程技師:電路學#26333
科目:
電路學 |
年份:
101年 |
選擇題數:
0 |
申論題數:
5
試卷資訊
所屬科目:
電路學
選擇題 (0)
申論題 (5)
【已刪除】一、圖一中,試求出vx電壓值。(20 分)
【已刪除】二、圖二中,電路之開關(switch)已經關閉很長時間並達穩態。在時間
t
= 0 時,開關 打開,試求出
t
> 0 時,電流值
i
(
t
)。(20 分)
【已刪除】三、圖三之電路中,試求出可變負載ZL可以吸收最大平均功率時之阻抗Z
M
,並求出此時 最大之平均功率值。已知Z
L
=R
L
+jX
L
, 0<R
L
<∞及-∞<X
L
<0。(20 分)
【已刪除】
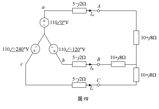
四、試求出圖四中 3 線Y-Y系統的各線電流相量(phasor),即I
α
、I
b
及I
c
。(20 分)
【已刪除】五、圖五之電路中,試求出其中耦合電感之耦合係數(coupling coefficient)k。若電源 v(
t
)= 60cos(4
t
+30o )V,且該電路係處於弦波穩態狀況下,試求出在時間
t
= 1 s時,儲存 於該耦合電感中之能量。(20 分)