所屬科目:電路學
(一)試求電流 i1(t)之微分方程式。(6 分)
(二)試求電流 i1(0-),,電壓 v1(0-)的值。(7 分)
(三)試求 i1(t)的電流時域解。(12 分)
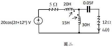
二、如圖二,求 io(t)的穩態解。(25 分)
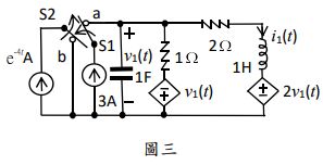
三、如圖三所示電路,若開關“S1”在“a”點、“S2”在“b”點停留了很長的時間。時間 0 秒時,“S1”開關瞬間從“a”點移動到“b”點、“S2”開關瞬間從“b”點移動到“a”點。以拉普拉斯轉換法求 v1(t)。(25 分)
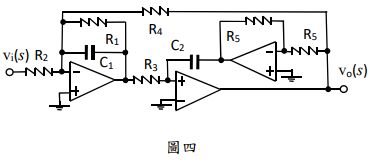
四、假設運算放大器為理想。求圖四電路的傳輸函數(transfer function)T(s) = vo(s) / vi(s)。(15 分)此電路之共振角頻率(resonance angular frequency)及品質因數 Q(quality factor)之值為何?(10 分)