阿摩線上測驗
登入
首頁
>
電路學
> 102年 - 台電、中油、台水 電子電路學、通訊系統概論#28481
102年 - 台電、中油、台水 電子電路學、通訊系統概論#28481
科目:
電路學 |
年份:
102年 |
選擇題數:
60 |
申論題數:
0
試卷資訊
所屬科目:
電路學
選擇題 (60)
1.在直流電路分析中較不會使用下列何者? (A)重疊定理 (B)米勒定理 (C)戴維寧定理 (D)諾頓定理
2.將波形轉換為傅立葉級數的條件敘述中,下列何者正確? (A)有條件下的任何週期波形皆可以 (B)波形可不連續且不連續點不限 (C)不是週期波形亦可轉換 (D)波形的平均值並無限制
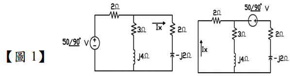
3.如【圖 1】所示中兩電路為等效 係使用下列何者電路定理?
(A)互易定理 (B)補償定理 (C)米勒定理 (D)重疊定理
4.複數相量常以極座標、直角座標及指數等形式表現,下列何者為極座標表現形式?
(A) V∠θ (B) Vcosθ+jVsinθ (C) Ve
j θ
(D) V+θ
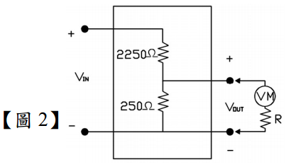
5.以電表來量測分壓電阻電路如【圖 2】所示 ,如 R 為 10 KΩ,則 V
OUT
/V
IN
為下列何者?
(A) 0.100 (B) 0.098 (C) 0.095 (D) 0.082
6.一 30 mH 電感在 0≦t≦ 50/ π 秒時的電流值為 i =10 sin(50t)安培,其餘時間皆為零,則此電感 電壓為下列何者? (A) 15 sin(50 t)伏特 (B) 15 cos(50 t)伏特 (C) 75 sin(50 t)伏特 (D) 75 cos(50 t)伏特
7.下列電路分析中常用定理之敘述何者有誤? (A)補償定理常用於橋式電路分析 (B)重疊定理常用於功率計算 (C)補償定理常用於電位計電路分析 (D)戴維寧等效電路可轉換為諾頓等效電路
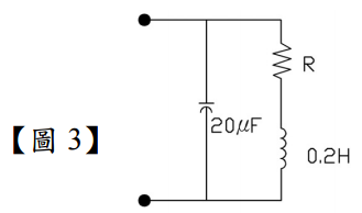
8.如【圖 3】所示,當 R=0 時之共振頻率為下列何者?
(A) 400 rad/s (B) 450 rad/s (C) 500 rad/s (D) 1000 rad/s
9. cos(ωt)的拉式轉換函數(Laplace Transform)為下列何者?
10.如【圖 4】所示為 Y△電路轉換, 則ZA為下列何者?
(A) 5+j5 Ω (B) 5+j15 Ω (C) 15-j5 Ω (D) 15-j15 Ω
11.霍爾效應(Hall effect)使用在半導體測試中時,主要用來決定下列何者? (A)半導體內電流 (B)半導體型式(n 或 p) (C)半導體內磁場 (D)半導體溫度
12. BJT 電晶體之作用區域分為工作區、飽和區及截止區,在飽和區之集極與射集接面偏壓敘 述,下列何者正確? (A)皆為逆向偏壓 (B)皆為順向偏壓 (C)集極為順向偏壓,射極為逆向偏壓 (D)集極為逆向偏壓,射極為順向偏壓
13.右【圖 5】所示的電路作用為下列何者?
(A)積分器 (B)微分器 (C)限制器 (D)整流器
14.負回授放大器的優點中,下列何者有誤? (A)輸入電阻可增大 (B)輸出電阻可增大 (C)頻率響應可改善 (D)線性度可改善
15.在一單純 RC 低通濾波器中,R=2/π KΩ,C=1μF,其截止頻率為下列何者? (A) 7.958 Hz (B) 25 Hz (C) 79.58 Hz (D) 250 Hz
16.如【圖 6】所示為一零交越偵測器(Zero-crossing Detector), 其中 Vi 為正弦波,則 Vo 波形為下列何者?
(A)正弦波 (B)方波 (C)三角波 (D)脈衝波
17. FET 場效電晶體相較於 BJT 電晶體的特性敘述下列何者有誤? (A) FET 是單極性裝置 (B) FET 具有高電流驅動能力 (C) FET 可作為對稱性的雙向開關 (D) FET 較無雜訊產生
18. B 類功率放大器之轉換效率最佳,下列何者是其最大可能轉換效率值? (A) 75% (B) 78.5% (C) 82.5% (D) 100%
19.在以示波器測試及調整放大器的輸出波形時,通常輸入下列何者較便利? (A)正弦波 (B)三角波 (C)方波 (D)脈衝波
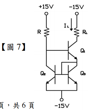
20.電流鏡電路如【圖 7】所示, 假設 Q
1
、Q
2
及 Q
3
特性完全相同且β>>1 及VBE =0.7 V, 如 R=2 KΩ,則I
L
為下列何者? (A) 7.5 mA (B) 10 mA (C) 14.3 mA (D) 28.6 mA
21.史密斯圖(Smith Chart)常用來分析負載阻抗,請問其等 Q 值曲線常用來設計下列何種電路? (A)諾頓等效電路 (B)寬頻匹配電路 (C)戴維寧等效電路 (D)窄頻匹配電路
22.關於考量濾波器的設計規格中,下列何者有誤? (A)介入損耗 (B)通帶頻寬 (C)品質因素 (D)功率放大
23.在無線收發系統中,下列哪一種屬於三端裝置? (A)天線 (B)混頻器 (C)放大器 (D)濾波器
24.低雜訊放大器主要用來提供接收來自天線訊號所需之增益與靈敏度,下列哪一項不是設計主 要考量? (A)穩定度 (B)雜訊指數 (C)三階截斷點 (D)增益
25.關於史密斯圖(Smith Chart)的敘述,下列何者有誤? (A)圓心表示特性阻抗 Z
0
(B)下半圓所呈現之阻抗特性為電容性 (C)等 Q 值曲線離圓心越遠表示 Q 值越小 (D)亦常稱為 Z 圖
26.網路分析儀的量測介面阻抗通常為下列何者? (A) 50 Ω (B) 100 Ω (C) 30 Ω (D) 77 Ω
27.下列哪一種高頻零組件屬於一進二出之零組件? (A)放大器 (B)方向耦合器 (C)行波管 (D)濾波器
28.某一天線之發射頻率為 3 GHz,請問其波長為多少? (A) 1 cm (B) 1 m (C) 10 cm (D) 1 mm
29.下列哪一項波長屬於 X-Band 波長範圍? (A) 20 cm (B) 3 cm (C) 2 cm (D) 1 cm
30.考量【圖 8】之網路為主動(Active)電路時,下列哪一項表示轉移功率增益(Transfer Power Gain)GT之定義?
31.某一 n 級放大電路串聯如【圖 9】,請問下列方程式何者可表示其雜訊指數?
複選題
32.關於熱雜訊的描述,下列何者有誤? (A)熱雜訊由各種頻率組成,且大小相同,故又稱為 White 雜訊 (B)熱雜訊的功率大小與阻抗無關 (C)熱雜訊的功率大小只與溫度有關 (D)當溫度固定, 雜訊源內阻越大時,熱雜訊訊號電壓越大;反之亦然
33.空用雷達通常使用於下列哪一個頻率範圍? (A) 0.3 ~ 3 MHz (B) 30 ~ 300 MHz (C) 0.3 ~ 3 GHz (D) 3 ~ 30 GHz
34.通訊系統中使用載波並進行調變的理由不包含下列何者? (A)降低雜訊干擾 (B)波道分配 (C)多工 (D)易於分析
35.利用換流器將兩個或多個資料源的取樣值交織成一基帶訊號,此種方式屬於哪一種多工? (A)分頻多工(FDM) (B)正交多工(QM) (C)分時多工(TDM) (D)分相多工(PDM)
36.利用調變將多個訊號頻譜不重疊地平移到一基帶頻譜,使其同時傳輸,此種方式屬於哪一種 多工? (A)分頻多工(FDM) (B)正交多工(QM) (C)分時多工(TDM) (D)分相多工(PDM)
37.類比脈波調變方式不包含下列哪一種? (A)脈波振幅調變(PAM) (B)脈波編碼調變(PCM) (C)脈波寬度調變(PWM) (D)脈波位置調變(PPM)
複選題
38.下列哪一種調變方式不屬於同調調變(Coherent Modulation)技術? (A) BPSK (B) BFSK (C) QPSK (D) DPSK
39.高頻電路設計領域中,Q 值扮演相當重要的角色,下列哪一項不是 Q 值的作用? (A)評估元件耗損能量 (B)評鑑電路頻寬 (C)評估電路隔離度 (D)評鑑電路穩定度
40.天線是無線通訊不可或缺之基本配備,依據不同的應用需考量其特性,下列哪一項不是天線 的特性考量要點? (A)極化 (B)方向增益 (C)交互調變失真 (D)波束寬度
41.在 RLC 電路中,α定義為阻尼常數(Damping Constant), ω
0
定義為共振頻率(Resonant Frequency),下列何者表示此電路為欠阻尼(underdamped)?
(A) α=ω
0
(B) α<ω
0
(C) α>ω
0
(D) 與α、ω
0
無關
42.一單純 RLC 串聯電路中 R=3 KΩ,L=10H,C=200 μF 並接上一 50 V 固定電壓且無初始電容電 荷時,線路電流可計算出為 i=A1* e
-1.7t
+A2 * e
- 298.3t
,則下列何者正確? (A) A1=10.9 mA (B) A1=16.9 mA (C) A2=20.9 mA (D) A2=25.9 mA
43.電路元件符號
的意義為下列何者? (A)獨立(independent)電壓源 (B)依賴(dependent)電壓源 (C)獨立(independent)電流源 (D)依賴(dependent)電流源
44.柯希荷夫電壓/電流定律(KVL/KCL)的特性敘述中,下列何者正確? (A)只能分析線性電路元件 (B)與電路元件特性無關 (C)不適用於總合電路(lumped circuit) (D)可以以非線性(nonlinear)的表達方式來分析電路
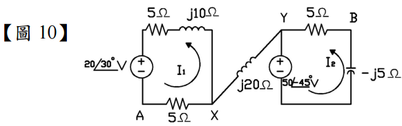
45.如【圖 10】所示,則下列何者有誤?
(A) I
1
=1.414∠−15.0° A (B) I
2
=7.07∠−15.0° A (C) V
AB
=7.07∠ −15.0°-35.4∠0° V (D) I
XY
=0 A
46.全波整流器的峰值負載電流值為 Im 時,則 Irms 值為下列何者?
47.差動放大器中差動信號增益為 Ad,共模信號增益為 Ac,則共模拒斥比(CMRR)為下列何者?
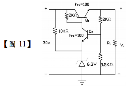
48.有一穩壓電路如【圖 11】所示, 假設 Q
1
、Q
2
電晶體的 I
C
=IE,V
BE
=0.7V, 則 V
L
為下列何者?
(A) 6.3 V (B) 7 V (C) 11 V (D) 20 V
49.一轉換函數為
,且 s3=10s1=100s2,則主要極點(dominant pole)為下列何者? (A) s1 (B) s2 (C) s3 (D) 2*s1
50. BJT 電晶體放大器組態中,下列何者最適合做為阻抗匹配器? (A)共集極 (B)共基極 (C)共射集 (D)共閘極
51.某一放大器之輸入訊雜比為 15 dB,輸出訊雜比為 10 dB 時,請問其雜訊指數為多少? (A) 25 dB (B) 5 dB (C) 25 (D) 5
52.考量【圖 12】顯示之資料序列,其調變方式屬於哪一種數位調變?
(A) PSK (B) ASK (C) FSK (D) QPSK
53.以兩個振幅相同但頻率不同之正弦波,用來代表二進位符號 1 和 0,此種方式屬於哪一種數位 調變? (A) PSK (B) ASK (C) FSK (D) QPSK
54.某一電路當其特性阻抗為 50 Ω時,負載阻抗為 150−j100 Ω,請問其反射係數為多少?
55.有一無耗損之傳輸線,其特徵阻抗為 Z0,且終端接有 ZL 的負載,請問此傳輸線之駐波比 (VSWR)為下列哪一項?
56.承「第 55」題所述,當此傳輸線之長度為 d,相位常數β,當 Z
L
負載為短路時,請問其輸入 阻抗 Z
in
為多少? (A)
(B)Z
in
= jZ
0
tan(βd) (C) Z
in
= jZ
0
cot( βd) (D) Z
in
= jZ
0
tan(βd)
57.承「第 56」題所述,當 ZL負載為開路時,請問其輸入阻抗 Zin為多少?
58.某一訊號頻段位於 300 Hz 到 3100 Hz 範圍,考量將來可完全復原此訊號,下列哪一種取樣速 率最佳? (A) 1 KHz (B) 2 KHz (C) 4 KHz (D) 8 KHz
59.承「第 58」題,若使用該取樣速率,並以數位 TDM 方式處理,且每個傳送時框共包含 24 個 8 位元資料,傳送前須再加上一個訊號位元,請問資料傳輸速率為多少? (A) 0.193 Mbps (B) 0.386 Mbps (C) 0.772 Mbps (D) 1.544 Mbps
60.考量一經過理想低通濾波器之白色雜訊(White Noise),假設其平均值為 0,且變異數為 1,下 列哪一個圖可用來表示其功率頻譜密度?
申論題 (0)