阿摩線上測驗
登入
首頁
>
建築圖學
> 102年 - 102 地方政府特種考試_四等_建築工程:建築圖學概要#31944
102年 - 102 地方政府特種考試_四等_建築工程:建築圖學概要#31944
科目:
建築圖學 |
年份:
102年 |
選擇題數:
0 |
申論題數:
14
試卷資訊
所屬科目:
建築圖學
選擇題 (0)
申論題 (14)
㈠一矩形土地的尺寸為12 m × 60 m,若以 1/40 的比例畫於圖紙,則矩形土地在該 圖面上的面積為何?
㈡某正方形土地繪製於比例尺 1/400 的圖面上,若以實尺量得該地的圖上尺寸後求 出其面積為 4 cm
2
,則該土地的實際周長為何?
㈢結構圖符號中之 A、L、C 代表何意?
㈣施工圖中,地盤材料剖面圖畫法為何?
㈤施工圖中,防火門立面圖畫法為何?
㈥施工圖中,石材的剖面圖畫法為何?
㈦施工圖中,雙開窗的平面圖畫法為何?
㈧依「建築技術規則」規定,住宅區有效採光距離 D/H 為何?
㈨有一基地面積為 150 m
2
,總樓地版面積為 658 m
2
,建築面積為 114 m
2
,其建蔽率為何?
㈩畫透視圖時,針對屋頂、坡面或樓梯等的平形線條,其與基面成一角度且消失於 一點,應用此消點之畫法稱為何種透視法?
【已刪除】二、請繪製等角透視立體圖,角度如下。(10 分)
⑴依剖面線位置及相關建築資訊條件繪製一向剖面圖[1/100]。(10 分)
⑵依平面圖之樣式及相關條件繪製四向(正、背、左、右)立面圖[1/100]。(20 分)
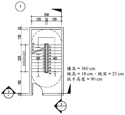
【已刪除】四、在三樓標準樓層之平面圖上,繪製一座 U 形摺梯通往四樓,如下圖所示,設定樓層 高度為 360 cm,級高為 18 cm,級深為 25 cm,扶手高度為 90 cm,請依剖面線分別 繪製剖面圖(10 分)和立面圖(10 分)。
相關試卷
114年 - 114 地方政府公務、離島地區公務特種考試_四等_建築工程:建築圖學概要#134698
114年 · #134698
114年 - 114 普通考試_建築工程:建築圖學概要#128738
114年 · #128738
113年 - 113 地方政府公務特種考試_四等_建築工程:建築圖學概要#124363
113年 · #124363
113年 - 113 普通考試_建築工程:建築圖學概要#121118
113年 · #121118
112年 - 112 地方政府特種考試_四等_建築工程:建築圖學概要#118001
112年 · #118001
112年 - 112 普通考試_建築工程:建築圖學概要#115732
112年 · #115732
112年 - 112 鐵路特種考試_員級_建築工程:建築圖學概要#114920
112年 · #114920
111年 - 111 地方政府特種考試_四等_建築工程:建築圖學概要#112347
111年 · #112347
111年 - 111 普通考試_建築工程:建築圖學概要#109480
111年 · #109480
110年 - 110 地方政府特種考試_四等_建築工程:建築圖學概要#104833
110年 · #104833