阿摩線上測驗
登入
首頁
>
電路學
> 102年 - 102 專利商表審查特種考試_三等_電子工程、電信工程:電路學#25518
102年 - 102 專利商表審查特種考試_三等_電子工程、電信工程:電路學#25518
科目:
電路學 |
年份:
102年 |
選擇題數:
0 |
申論題數:
5
試卷資訊
所屬科目:
電路學
選擇題 (0)
申論題 (5)
【已刪除】一、如圖一電路圖所示,求 a-b 端點的諾頓等效電路,再求電流 I
o
。(20 分)
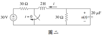
【已刪除】二、如圖二電路圖所示,電路在t = 0
-
時已經達穩態,求 t> 0 的電容端點電壓υ(t)。(20 分)
【已刪除】三、如圖三電路圖所示,Z
1
= 40 + j100 Ω,Z
2
= 30 - j50 Ω,Z
L
= 50 Ω。求電路的輸入阻 抗(input impedance)與流過 Z
L
的電流。(20 分)
【已刪除】四、如圖四電路圖所示,求電路的轉移函數 H(s),s=jω。在何條件下該電路可以設計為 高通濾波器?並求高通濾波器轉移函數 H(s)。(20 分)
【已刪除】五、如圖五電路圖所示,求雙埠電路的 y 參數。(20 分)
相關試卷
115年 - 115 身心障礙特種考試_三等_電子工程:電路學#138936
115年 · #138936
114年 - 114 地方政府公務特種考試_三等_電力工程、電子工程、電信工程:電路學#134770
114年 · #134770
114年 - 114 專技高考_電機工程技師:電路學#133707
114年 · #133707
114年 - 114 專技高考_電子工程技師:電路學#133700
114年 · #133700
114年 - 114 公務升官等考試_薦任_電力工程、電子工程、電信工程:電路學#133241
114年 · #133241
114年 - 114 高等考試_三級_電力工程、電子工程、電信工程:電路學#128784
114年 · #128784
113年 - 113-2 國營臺灣鐵路股份有限公司_從業人員甄試_第8階-助理工程師-電機:電路學#137142
113年 · #137142
113年 - 113 地方政府公務特種考試_三等_電力工程、電子工程:電路學#124508
113年 · #124508
113年 - 113 專技高考_電機工程技師:電路學#123962
113年 · #123962
113年 - 113 專技高考_電子工程技師:電路學#123933
113年 · #123933