阿摩線上測驗
登入
首頁
>
升資考/員級晉高員◆電工原理
> 103年 - 103 交通事業鐵路升資考試_員級晉高員級_技術類(選試電工原理):電工原理#38385
103年 - 103 交通事業鐵路升資考試_員級晉高員級_技術類(選試電工原理):電工原理#38385
科目:
升資考/員級晉高員◆電工原理 |
年份:
103年 |
選擇題數:
0 |
申論題數:
6
試卷資訊
所屬科目:
升資考/員級晉高員◆電工原理
選擇題 (0)
申論題 (6)
【已刪除】一、考慮如圖一所示含理想二極體之電路,已知 V
S
= 12 V、V
B
= 11 V、R
1
= 5 Ω、 R
2
= 4 Ω,試判斷該理想二極體是否為導通狀態。(15 分)
【已刪除】二、考慮如圖二所示電路,已知 I = 5 A、R
1
= 20 Ω、R
2
= 20 Ω、R
3
= 10 Ω、R
4
= 20 Ω、 R
5
= 10 Ω,試求負載 R
L
從端點 a、b 觀察到之戴維寧等效電阻。(15 分)
【已刪除】三、考慮如圖三所示電路,使用電容器改善負載之功率因數,已知
、100 kW 負載之功率因數為 0.7 落後,試求無電容器時負載之虛功率以及達到最大功率因數 改善之電容值。(20 分)
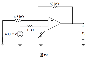
【已刪除】四、考慮如圖四所示含理想運算放大器之電路,試求可變電阻設定在 60 kΩ 時的輸出電 壓。(15 分)
五、設有一 100 kVA、1000/120 V、60 Hz 變壓器,由低壓側加入電源而高壓側開路,若 電源供應 16 A 電流與 400 W 功率,試計算無載時之功率因數、磁化電流、鐵損電 流。(20 分)
六、試繪圖說明直流複激式電動機長分繞與短分繞之電路連接方式。(15 分)
相關試卷
112年 - 112 交通事業鐵路升資考試_員級晉高員級_技術類(選試電工原理)—鐵路:電工原理#117297
112年 · #117297
109年 - 109 交通事業鐵路升資考試_員級晉高員級_技術類(選試電工原理):電工原理#92587
109年 · #92587
106年 - 106 交通事業鐵路升資考試_員級晉高員級_技術類(選試電工原理):電工原理#66290
106年 · #66290
100年 - 100 交通事業鐵路升資考試_員級晉高員級_技術類(選試電工原理):電工原理#38345
100年 · #38345
97年 - 97 交通事業鐵路升資考試_員級晉高員級_技術類:電工原理#38363
97年 · #38363