阿摩線上測驗
登入
首頁
>
初等/五等/佐級◆基本電學大意
> 103年 - 103 初等考試_電子工程:基本電學大意#17658
103年 - 103 初等考試_電子工程:基本電學大意#17658
科目:
初等/五等/佐級◆基本電學大意 |
年份:
103年 |
選擇題數:
40 |
申論題數:
0
試卷資訊
所屬科目:
初等/五等/佐級◆基本電學大意
選擇題 (40)
1 如圖示電路,求 I:I1:I2為多少?
(A)4:1:3 (B)4:3:1 (C)6:5:1 (D)6:1:5
2 某 2 姆歐的電導由一 20 伏特之直流電源供電,則其電流為多少安培? (A) 10 (B)20 (C)40 (D) 80
3.求下圖之電流 I 為多少安培?
(A)0.001 (B)0.002 (C)0.004 (D)0.005
4 求下圖所示串並聯電路中流過 100Ω 之電流 I 為多少安培?
(A)0.5 (B)1 (C)1.5 (D)2
5 設四個阻抗值都為 R 之電阻器採並聯連結,則其等效之阻抗值 RT為多少? (A)RT = R/4 (B)RT = R/2 (C)RT = 2R (D)RT = 4R
6. 4 馬力之電動機在額定條件下,運轉 5 分鐘所消耗之電能為多少焦耳?
(A)8952
(B)89520
(C)895200
(D) 8952000
7 下列何者不是電能之單位? (A)焦耳(J) (B)爾格(erg) (C)仟瓦 (D)電子伏特
8 兩材料相同的導線,甲導線的長度為L km 且截面積為S cm2 ,乙導線的長度為3L km 且截面積為2S cm2 ,若兩導 線流經之電流相同,則甲導線端電壓為乙導線端電壓的幾倍? (A)4/3(B)3/4(C)2/3(D)3/2
9 有一個 10 伏特的直流電壓跨接於一個 2 歐姆的電阻上,試問 2 分鐘內約有多少個電子通過該電阻?
10 三個相同的電阻並聯後得到第一系統,串聯後得到第二系統,第一及第二系統之端電壓分別為 V1伏特及 V2 伏特,若要兩系統具相同之輸入電流,則下列何者正確? (A)V1 = 3V2 (B) 3V1 = V2 (C)V1 = V2 (D)9V1 = V2
11 如圖所示電路,試求電流 IX為多少安培?
(A) 10 (B)-8 (C)-4 (D)-10
12 如圖所示之電路,試求 V1-V2的值?
(A)2V (B)4V (C)6V (D)8V
13 如圖所示電路,試求電流 IX為多少安培?
(A) 1 (B)-2 (C)4 (D)2
14 如圖所示電路,試求電壓 VX為多少伏特?
(A) 8 (B)10 (C)11 (D)12
15 如圖所示電路,RL為可變電阻,試求 RL為幾歐姆時,可獲得最大功率?
(A) 4 (B)6 (C)8 (D)12
16 右圖為左圖的戴維寧等效電路,則戴維寧等效電阻 Rth的值為何?
(A)5Ω (B)10Ω (C)15Ω (D)20Ω
17 如圖所示之電路,試求電流 I1的值?
(A)0.5A (B)1A (C)1.5A (D)2A
18 如圖示電路,等效電阻 RT為多少 Ω?
(A)2 (B)4 (C)6 (D)8
19 如圖所示之電路,下列何者正確?
(A)
(B)V1減去 V2等於 30 伏特 (C)I 等於 15 安培 (D)消耗於 5Ω 電阻器之功率為 1440 瓦特
20 敘述「於一電路中,流入某節點之電流總和,等於流出該節點之電流總和」是那一定律? (A)克希荷夫電壓定律 (B)克希荷夫電流定律 (C)高斯電壓定律 (D)亨利電流定律
21 某一個電感器,在通過 3 安培電流時,能儲存約 1.5 焦耳的能量。試求此電感器之電感值為多少? (A)0.12H (B)0.33H (C)0.58H (D)0.72H
22 一條通有電流大小為 X 安培的長直導線,在距離 12 cm 處量得之磁場強度為 4 安培/公尺。若欲將此磁場強 度降低至 3 安培/公尺,則流經此長直導線之電流應降為多少安培? (A)0.95X 安培 (B)0.75X 安培 (C)0.55X 安培 (D)0.25X 安培
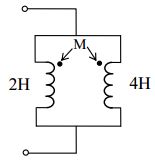
23 兩電感器之電感值分別為 2H 與 4H,且兩者間之耦合係數為 0.5。若同向並聯如下圖,則其等效電感值為何?
(A)6.5H (B)3.0H (C)1.9H (D)0.7H
24 一個電流源的輸出電流大小可以表示為 i(t) = t
2
-2t-3 安培,其中 t 為時間,單位為秒。將此電流源接到一個 0.2 亨利的電感器。則在 t = 4 秒時,電感器所儲存的能量為多少焦耳? (A)5.0 (B)2.5 (C)1.0 (D)0.5
25 一均勻磁路,若將其長度增長為原來的 1.2 倍,且磁路截面積縮減為原來的 0.8 倍,其他條件不變。試問此 一新磁路的磁阻是原來磁路磁阻的多少倍? (A) 2 倍 (B)1.5 倍 (C)1 倍 (D)0.67 倍
26 一條通有電流大小為 X 安培的長直導線,在距離 Y cm 處量得之磁場強度為 H。若將電流大小增加為 1.2X 安培,則在距離 0.6Y cm 處之磁場強度應為何? (A)0.5H (B)0.6H (C)1.8H (D)2H
27 有三個電容器,其電容值分別為 C1 = 4.7μF、C2 = 10μF、C3 = 15μF,經並聯後連接至 400 伏特電源,下列 何者正確? (A)並聯後等效電容值為 2.636μF (B)C1 電容上的電荷為 6× 10
-3
庫倫 (C)C2 電容上的電荷為 6× 10
-3
庫倫 (D)C3 電容上的電荷為 6× 10
-3
庫倫
28 如圖所示,Vs = 10 V、R = 2 kΩ、C = 4.7μF,若電容器的初始電壓為 0 伏特,則在開關 sw 閉合 5 ms 後,電 容器的兩端電壓為多少?
(A)1.01 V (B)4.125 V (C)6.32 V (D)9.95 V
29 假設電源頻率均為 15.915Hz,試求電流 I
O
:
(A) 5.83∠-12.54°A (B)1.52∠45.12°A (C)3.82∠-50.86°A (D)7.86∠32.46°A
30 有一交流電路之阻抗為 3+j4(Ω),則此電路之功率因數為何? (A) 0.5 (B)0.6 (C)0.8 (D)1.0
31 有一交流電路之電壓 v(t) = 100sin(377t-20°)V、電流 i(t) = 10sin(377t+60°)A,則其電壓與電流之相位關係為 何? (A)電壓超前電流 20° (B)電壓落後電流 60° (C)電壓超前電流 60° (D)電壓落後電流 80°
32 有一交流電路之電壓 v(t) = 100sin(377t+60°)V,若以交流伏特計量測時,其指示值為多少伏特? (A)50 (B)63.6 (C)70.7 (D)100
33 有一正弦電壓的全波整流平均值為 80 伏特,則其電壓有效值為多少伏特? (A)80 (B)88.9 (C)113.1 (D)125.8
34 某正弦波有效電壓值為 110 伏特,相角為 60 度,頻率為 60 赫茲,則此電壓可表示為何? (A)110× sin(60t+60°) (B)155.56× cos(60t+60°) (C)155.56× sin(60t+60°) (D)155.56× sin(377t+60°)
35 一部 8 極同步交流發電機之發電頻率為 120 赫茲,請問其轉子轉速為何? (A)120 轉/秒 (B)15 轉/秒 (C)30 轉/秒 (D)8 轉/秒
36 交流電路中,電阻器之兩端電壓與流過電流之相位關係為何? (A)電壓超前電流 90 度 (B)電流超前電壓 90 度 (C)電壓與電流同相位 (D)不確定
37 某 4 極同步交流發電機轉子轉速為每分鐘 1800 轉,則其發電頻率為多少赫茲(Hz)? (A)1 (B)30 (C)60 (D)120
38 一組 RLC 串聯電路,若發生諧振時,則電路的阻抗為: (A)最小 (B)最大 (C)0 (D)∞
39 一組 RLC 諧振電路,品質因數 Q 值愈高,表示: (A)頻寬愈寬,頻率選擇性愈低 (B)頻寬愈寬,頻率選擇性愈高 (C)頻寬愈窄,頻率選擇性愈高 (D)頻寬愈窄,頻率選擇性愈低
40 負載電流 i(t) = 10sin(ωt)A,其阻抗 ZL=10+j6Ω,則此負載消耗的平均功率為多少? (A)300 W (B)400 W (C)500 W (D)600 W
申論題 (0)
相關試卷
115年 - 115 初等考試_電子工程:基本電學大意#136711
115年 · #136711
114年 - 114 初等考試_電子工程:基本電學大意#124884
114年 · #124884
113年 - 113-2 國營臺灣鐵路股份有限公司_從業人員甄試_第 11 階-服務員-電機:基本電學大意#137070
113年 · #137070
113年 - 113 國營臺灣鐵路股份有限公司_從業人員甄試_第 11 階-服務員-電機:基本電學大意#118978
113年 · #118978
113年 - 113 初等考試_電子工程:基本電學大意#118528
113年 · #118528
112年 - 112 地方政府特種考試_五等_電子工程:基本電學大意#118365
112年 · #118365
112年 - 112 鐵路、國家安全情報特種考試_佐級、五等_電力工程、電子工程、電子組:基本電學大意#114946
112年 · #114946
112年 - 112 身心障礙特種考試_五等_電子工程:基本電學大意#113918
112年 · #113918
112年 - 112 初等考試_電子工程:基本電學大意#112884
112年 · #112884
111年 - 111 地方政府特種考試_五等_電子工程:基本電學大意#112591
111年 · #112591