所屬科目:專科學力鑑定◆專(一、二):電子學
10. 如圖 ( 一 ) 所示之電路,基極電壓為 0.7 V,集極電壓為 2 V,若熱電壓 VT = 25 mV,則 基極交流電阻 rπ的值為何? (A) 25Ω (B) 250Ω (C) 400Ω (D) 4KΩ
11. 如圖(二)所示之 JFET 放大電路,若 gm =10mA/V,rd=100KΩ,則其電壓增益約為? (A) – 10V(B) 10V (C) 5V (D) – 5V
12. 如圖(三)所示之電路,若 gm =20mA/V,rd =250KΩ,其電壓放大率 AV為? (A) 2500(B) 5000 (C) 1000 (D) 7500
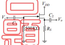
13. 如圖(四)所示之電路,若gm =4mA/V,RS=5KΩ,則AV值為? (A) 0.8 (B) 0.65 (C) 0.95 (D) 0.5
43. 如圖(八)所示之電路,Ai=105,Ri=20KΩ,Ro=250Ω,求輸入阻抗 Rif? (A) 0.1Ω (B) 0.01Ω (C) 0.0001Ω (D) 0.00001Ω
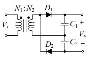
46. 如圖(十一)所示之電路,已知弦波電壓 Vi=5 √ 2V,N1:N2=5:2,二極體為理想型二極體, 則 Vo=? (A) 30V (B) 40V (C) 25V (D) 50V