所屬科目:專科學力鑑定◆專(一、二):電子學
1. 若在矽半導體材料中,摻入鋁元素的雜質,下列敘述何者正確?(A) 多數載子為電洞 (B) 多數載子為電子(C) 摻雜後不影響其導電性 (D) 仍為本質半導體
2. 二極體的I-V特性與溫度變化的關係中,當溫度降低時,其障壁電壓會如何變化?(A) 不變 (B) 無法判斷 (C) 升高 (D) 降低
3. 如圖(一)所示電路,若二極體的障壁電壓為0.7V,則通過3 kΩ 電阻的電流I 為何?(A) 3.1mA(B) 6.2mA(C) 30.1mA(D) 60.2mA
4. 如圖(二)所示二極體電路,輸出Y 與輸入A 及B 可等效為何種邏輯閘?(A) 反及閘(B) 及閘(C) 反或閘(D) 或閘
5. 橋式整流電路中,若變壓器次級線圈輸出的峰值為 Vm,則每個二極體所受到的最大逆向峰值電壓 ( PIV ) 值為何? (A) 4Vm (B) 3Vm (C) 2Vm (D) Vm
6. 濾波電路中,若漣波百分比越大,則下列敘述何者正確?(A) 截波效果越佳 (B) 截波效果越差 (C) 濾波效果越佳 (D) 濾波效果越差
7. 如圖(三)所示理想二極體電路,則輸出電壓信號應為何?(A)(B)(C)(D)
8. 如圖(四)所示理想二極體電路,則輸出電壓信號應為何?(A)(B)(C)(D)
9. 如圖 ( 五 ) 所示理想二極體電路,若輸入電壓 v i 的峰值為 V p,則電容 C 3 上可充電的電壓最大值為何?(A) Vp (B) 2Vp (C) 3Vp (D) 4Vp
10. 發光二極體(LED)於正常工作時,其所發出的光強度,下列敘述何者正確?(A) 順向電流成正比 (B) 順向電流成反比 (C) 逆向偏壓成正比 (D) 逆向偏壓成反比
11. 不同半導體材料所製成的發光二極體(LED)其發光顏色不同,此為下列何種半導體性質所致? (A) 熔點 (B) 燃點 (C) 能隙 (D) 硬度
12. 有關二極體的特性,下列敘述何者正確?(A) 矽二極體溫度每上升10 °C,其逆向飽和電流增加約一倍(B) 鍺二極體的切入電壓即是熱電壓(C) LED的發光原理與鎢絲燈泡相同(D) LED主要用來作為太陽能發電使用
13. 白光發光二極體(LED)所發出的光,為使用藍色的光源加上何種顏色螢光粉所混合而成的白光? (A) 黃 (B) 紅 (C) 綠 (D) 紫
14. 下列何種二極體適合於高頻使用?(A) 透納二極體 (B) 稽納二極體 (C) 雷射二極體 (D) 發光二極體
15. 如圖 ( 六 ) 電路所示,若稽納二極體的崩潰電壓為 6 V,在不考慮稽納電阻的情況下,則流過稽納二極體的電流 I z 為何?(A) 4mA (B) 3mA (C) 2mA (D) 1mA
16. 雙極性電晶體的三個區域,何者摻雜濃度最高?(A) 射極 (B) 基極 (C) 集極 (D) 閘極
17. 若有一電晶體工作於主動區時,其 α 值為0.98,則其 β 值為何?(A) 4.9 (B) 49 (C) 9.9 (D) 99
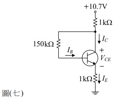
18. 如圖(七)電路所示,若電晶體的 β=100,VBE =0.7V,則其電流I c值約為何?(A) 1.42mA (B) 14.2mA (C) 2.84mA (D) 28.4mA
19. 如圖(八)電路所示,假設在交流工作時,所有電容阻抗皆可視為零,其輸出電阻Ro約為何?(A) RE //RC(B) RE+RC(C) RE(D) RC
20. 電晶體的三種基本電路組態中,何者輸出信號與輸入信號反相?(A) 共基極 (B) 共集極(C) 共射極 (D) 三種電路組態輸入與輸出皆同相
21. 有關達靈頓放大電路特性,下列敘述何者正確?(A) 高輸出阻抗 (B) 低輸入阻抗(C) 電流增益約等於1 (D) 電壓增益約等於1
22. 在積體電路內部中,大多採取何種耦合方式?(A) 直接耦合 (B) 變壓器耦合 (C) 電阻耦合 (D) 電容耦合
23. 在一個三級串接放大器中,第一級電壓增益為10,第三級電壓增益為20,若總電壓增益為6000,則第二級的電壓增益為何? (A) 40 (B) 30 (C) 20 (D) 10
24. 有關A類、B類、AB類及C類功率放大器特性,下列敘述何者正確?(A) C類放大器效率最低 (B) B類放大器工作偏壓設計在截止點(C) AB類放大器無法消除交越失真 (D) A類放大器效率最高
25. 下列何種放大器較適合作為諧振放大器使用?(A) A類 (B) AB類 (C) B類 (D) C類
26. 金氧半場效應電晶體(MOSFET)的工作特性,下列敘述何者錯誤?(A) N通道增強型MOSFET,VGS>VT才能導通ID電流(B) P通道增強型MOSFET,其臨界電壓VT為正值(C) VGS為零時,N通道增強型MOSFET沒有通道(D) N通道空乏型MOSFET之夾止電壓VGSP為負值
27. 有一N通道增強型MOSFET,其臨界電壓VT =2V,若VGS=3V、VDS=0.5V時,則該 MOSFET工作區域為何? (A) 截止區 (B) 歐姆區 (C) 飽和區 (D) 崩潰區
28. N通道增強型MOSFET之臨界電壓VT=2V,該MOSFET工作於飽和區且閘-源極間電壓 VGS=4V時,汲極電流為4mA;若VGS=6V時,則汲極電流為何? (A) 4mA (B) 8mA (C) 16mA (D) 36mA
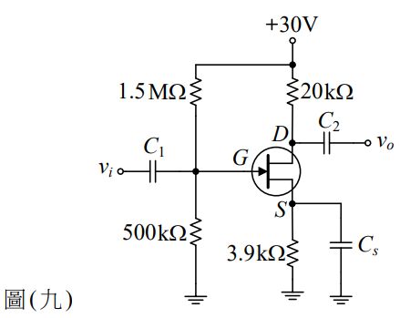
29. 如圖(九)所示電路,源極所接電容器Cs之主要作用為何? (A) 負回授用以穩定直流工作點 (B) 隔離前、後級放大器之直流偏壓 (C) 耦合前、後級放大器之交流信號 (D) 交流信號旁路用電容,可提高交流電壓增 益
30. 假設交流工作時所有電容阻抗皆可視為零,則其電壓增益Av=vo/vi為何?(A) 2(B) 3.75(C) – 2(D) – 3.75
31. 如上題所示電路,若考慮交流等效輸出電阻rd為30 kΩ,假設交流工作時所有電容阻抗皆可視為零,則該電路輸出電阻Ro為何? (A) 1 kΩ (B) 1.875 kΩ (C) 2 kΩ (D) 10 kΩ
32. 有關理想運算放大器的特性,下列敘述何者正確?(A) 輸入阻抗為零歐姆 (B) 共模電壓增益為零(C) 共模拒斥比CMRR為零 (D) 開迴路電壓增益為零
33. 有一運算放大器,其增益頻寬乘積為1MHz,若運算放大器工作頻率為1kHz時,則開迴路電壓增益大小為何? (A) 1 (B) 103 (C) 106 (D) 無窮大
34. 運算放大器之應用電路,下列何者使用正回授電路?(A) 反相放大器 (B) 非反相放大器 (C) 電壓隨耦器 (D) 史密特觸發器
35. 如圖(十一)所示理想運算放大器電路,輸入電阻Ri為何?(A) R1(B) R2(C) R1+R2(D) R1 –R2
36. 有關史密特觸發器之功能,下列敘述何者正確?(A) 可將三角波轉換為方波 (B) 可將方波轉換為三角波(C) 可將鋸齒波轉換為弦波 (D) 可將弦波轉換為鋸齒波
37. 如圖(十二)所示理想運算放大器電路,其電路功能為何?(A) 抑制高頻增益之積分器(B) 抑制低頻增益之積分器(C) 抑制高頻增益之微分器(D) 抑制低頻增益之微分器
38. 如圖(十三)所示,基本邏輯閘的種類為何? (A) 反閘 (B) 及閘 (C) 或閘 (D) 互斥或閘
39. 如圖(十四)所示JK正反器接線,等效之正反器類型為何? (A) SR型 (B) 反相SR型 (C) T型 (D) D型
40. 如圖(十五)所示,組合邏輯方塊圖內部電路的種類為何? (A) 解碼器 (B) A/D轉換器 (C) 多工器 (D) 8位元計數器
41. 如圖(十六)所示之電路,若3個JK正反器輸出Q0Q1Q2的初始輸出狀態為111,經過3個時脈(CLK)週期,Q0Q1Q2的輸出狀態為何? (A) 110 (B) 000 (C) 100 (D) 101
42. 有關正反器的動作,若其輸出Q 從現態Qn=0轉變為次態Qn+1=1,使用之正反器種類及所加輸入信號的邏輯狀態為何? (A) SR正反器,S=1、R=1 (B) SR正反器,S=0、R=0 (C) JK正反器,J=1、K=0 (D) JK正反器,J =0、K=0
43. 2進制11110001與01010101做及閘運算後,所得16進制為何?(A) 3E (B) 4B (C) 51 (D) 6F
44. 運算放大器所構成的相移振盪器,下列敘述何者錯誤?(A) 迴路增益 βA 最小應為1 (B) RC 相移電路形成負回授網路(C) 回授網路總相移180 ° (D) 能將直流電源轉換成交流信號輸出
45. 如圖(十七)所示之RC相移振盪電路,若R1=10kΩ、C=1nF,且R2滿足電路產生振盪之條件, 則此電路輸出振盪頻率約為何? (A) 5 kHz (B) 6.5 kHz (C) 10 kHz (D) 15.9 kHz
46. 有關555計時器之工作模式,下列何者錯誤?(A) 單穩態模式 (B) 無穩態模式 (C) 雙穩態模式 (D) 電流放大模式
47. 石英晶體振盪器,下列敘述何者錯誤?(A) 石英晶體組成的振盪器頻率穩定 (B) 石英晶體是一種壓電效應之材料(C) 石英晶片愈薄,振盪頻率愈低 (D) 石英晶體振盪器一般用於高頻電路
48. 三端雙向交流開關(TRIAC),相當於下列哪元件兩個反向並聯而成?(A) SCR (B) PUT (C) UJT (D) DIAC
49. 下列何者為電壓驅動控制型功率開關元件?(A) N通道增強型金氧半場效應電晶體(MOSFET)(B) PNP型電晶體(C) NPN型電晶體(D) 閘極截止閘流體(GTO)
50. 如圖(十八)所示電路為電阻性負載之單相全控式轉換器,電源電壓有效值Vs為110V、電阻R 為10Ω,若觸發延遲角 α 為30 °,則輸出電壓Vo平均值約為何? (A) 49.5V (B) 74.3V (C) 92.4V (D) 110V