所屬科目:專科學力鑑定◆專(一):電機學
19. 直流電路如圖(六),此總電阻RT為何? (A) 19Ω (B) 12Ω (C) 2.667Ω (D) 1.667Ω
28. 使用二極體整流電路如圖(七),Vin=110Vrms、RL=100 kΩ、C=4700 uF,輸出電壓為 VL、 輸出電流為 iL,下列何者為真? (A) 輸出直流電流約 1A (B) 輸出直流電壓約 110V (C) 輸出交流電流約 1A (D) 輸出直流電壓約 145V
29. 二極體整流電路如圖(八),若vs(t)=141.4sin377tV,且二極體為理想特性,則輸出電壓vo 的平均值為何? (A) 141.4V(B) 100V (C) 90V (D) 45V
30. 電晶體電路作開關使用其電路如圖(九),輸入電壓Vin為5V時,輸出電壓Vo約為多少伏特?
(A) 15V (B) 5V (C) 0V (D) 10V
31. 電晶體的偏壓電路如圖(十),若電晶體 β=100,VBE =0.7V,則此集極電流IC為何? (A) 10.2mA (B) 8.6mA (C) 5.6mA (D) 4.3mA
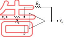
32. 運算放大電路如圖(十一),若運算放大器為理想特性,則輸出電壓vo及輸入電壓vi的關係 為何?
(A) (B) (C) (D)
33. 邏輯電路如圖(十二),當輸入V1=5V、V2=5V時,輸出電壓Vo約多少? (A) 10V (B) 5V (C) – 5V (D) 0V
34. 邏輯電路如圖(十三),其布林函數為何? (A) (B) (C) (D)