所屬科目:專科學力鑑定◆專(一):電機學
26. 如圖(九)所示之電路,Vab電壓為多少? (A) 3V(B) 4V (C) 5V (D) 6V
27. 如圖(十)所示之電路,跨於 4Ω 上之電壓為多少?(A) 4V (B) 8.4V (C) 10.4V (D) 14V
29. 如圖(十一)所示之電路,若流經 3 Ω電阻器的電流已知為 3 A時,則 A、B端間之電壓為多 少? (A) 24V (B) 63V (C) 45V (D) 54V
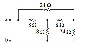
35. 如圖(十二)所示之電路,a、b 兩端間之等效電阻為多少? (A) 8Ω (B) 10Ω (C) 12Ω (D) 16Ω
37. 如圖(十三)的電路處於諧振狀態,則此時的 XC為多少? (A) 9.8KΩ (B) 10KΩ (C) 10.4KΩ (D) 12KΩ
38. 如圖 ( 十四 ) 所示之電路,假設 RL為滿足最大功率轉移時的電阻值,則此時轉移至負載 RL 上之最大功率為多少?(A) 6.8W (B) 11.3W (C) 15.7W (D) 18.9W
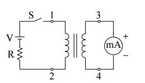
41. 如圖(十五)所示之電路,以直流法來測試變壓器的極性,當閉合開關 S 瞬間,毫安表指針 正向偏轉,則表示: (A) 1端與4端為同極性 (B) 2端與3端為同極性 (C) 1端與3端為同極性 (D) 1端與2端為同極性