所屬科目:專科學力鑑定◆專(一、二):電子學
4. 若圖(一)PNP型雙極性接面電晶體,得知其射極接地,基極電壓0.7V,集極電壓為–3V, 請問電晶體操作在哪個區域? (A) 飽和區(B) 順向主動區 (C) 逆向主動區 (D) 截止區
5. 如圖(二)所示之電路,VBE =0.7V,β=50,則 IB大小為何? (A) 0.05mA(B) 0.5mA (C) 0.25mA (D) 0.1mA
14. 如圖(三)各選項 1~4 電路所示,哪些LED是不亮的? (A) 2、 4 (B) 1、4 (C) 2、3 (D)1 、3
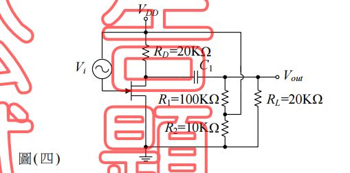
15. 如圖(四) 所示之電路,若 VDD =10V,Vi=15V,gm =5000 μs,C1=50 μs,求 Af =? (A) 8.01 (B) –8.87 (C) 8.87 (D) –8.01
16. 以下有關雙極性接面電晶體(BJT)的電流敘述,何者正確? (A) (B) 對於 PNP 型的 BJT 而言, (C) 對於 NPN 型的 BJT 而言,(D)
17. 如圖(五)所示非反相加法器,若V1=0.5V,V2=1.0V,V3=– 0.8V,求輸出電壓 Vo=? (A) 2.0V (B) 1.2V (C) 1.8V (D) 1.6V
20. 如圖(六) 所示之電路,假設 βDC =120,則 rE=? (A) 4.05Ω (B) 3.50Ω (C) 4.52Ω (D) 5.02Ω
21. 如圖(七) 所示之電路,弦波電壓 Vs=125V,C1=C2=C3=10μF,求 Vo=? (A) 480V (B) 450V (C) 500V (D) 530V
24. 如圖(八)所示之電路,下列何者是 MOSFET 增強型 n 通道的轉移特性曲線圖? (A) (B)(C)(D)