所屬科目:捷運◆機械概論
1. 兩顆可視為質點之球發生碰撞時,下列有關碰撞前後之敘述何者有誤?(A)兩顆球之總動能(kinetic energy)不變(B)兩顆球之總動量(momentum)不變(C)兩顆球所受之碰撞力大小相等、方向相反(D) 碰撞後之速度與恢復係數(coefficient of restitution)有關。
2. 在x-y-z 立體空間之一質點,x方向有30N之作用力,y方向有40 N之作用力,z方向有120 N之作用力,則作用在此質點之合力為多少N? (A)50 (B)130 (C)190 (D)210。
3. 有一質點在一直線上移動,其位移運動方程式為x(t)=20+10t-5t2(m),則其運動中之最大加速度為多少m/s²? (A)-5 (B)+5 (C)-10 (D)+10。
4. 有一如圖之懸臂樑,w為分佈負載,當以微分方程式Ely(v) = -w 求解其撓曲函數y(x)時,下列之邊界條件何者錯誤?(A)at x = 0, y = 0 (B) at x = 0, y' = 0 (C) at x = xp, y' = 0 (D) at x = XB, y" =0。
5. 空間力系中有一作用力向量為(2i+3j+10k)(單位:N),而其對一作用點之力臂向量為(0.5k)(單位:m),則此作用力對作用點之力矩向量為多少 N-m?(A) 12.5k(B) -1.5i+1j(C) 1.5i-1j(D) 1.0i+1.5j+5k。
6. 有一人站於以速度 12 m/s 水平行駛之火車上,並以5m/s之速度往上跳,試問此人之絕對速度為多少m/s?(A)5(B)12(C)13(D)15。
7. 1hp與1kW 之功率(power),兩者之關係為:(A)1 kW 較大(B) 1 hp較大(C)兩者一樣大(D)兩者為不同物理量,無法比較。
8. 薄壁型(thin-walled)之壓力容器設計為承裝內部壓力流體,容器為封閉,以延展性材料構成,設計為圓柱形或圓球形之差異敘述,何者正確?(A)相同構造材料下,圓柱形之體積容量較大(B)相同直徑下,圓球形之材料等效應力(von Mises stress)較小(C)圓柱形之耐壓能力較圓球形好(D)相同容積下,圓柱形所需之構造材料最少。
9. 一受軸向拉力之桿件,如列車上支撐掛環之元件,截面為2mm×25mm之長方形,材料之拉伸強度為100MPa,若安全係數為2.0,則其容許拉力負載為多少kN?(A)1.0(B)2.0(C)2.5(D)5.0。
10. 下列有關外力作功的敘述,何者有誤?(A)軸向拉伸試驗之施力作功為負載-變形曲線下與橫軸間之面積(B)扭轉線性彈簧所作之功為扭力矩乘以變形扭轉角(弳度)之一半(C)定值力作功為力與位移向量之點積(dot product)(D)定值力矩作功為力矩與角位移向量之叉積(cross product)。
11. 有一如圖所示之長方形截面,下列有關其面積二次矩之敘述,何者有誤? (A) (B) (C) Ixy = 0 (D)極慣性矩。
12. 對一承受彎矩(bending moment)與剪力(shear)之直樑截面,下列敘述何者有誤?(A)中性軸通過截面之形心(centroid)(B)中性軸上彎曲應變(strain)為零(C)中性軸處,橫向剪應力流(shear flow)為最大值(D)截面上最大拉伸應力與最大壓縮應力皆為大小相等。
13. 有關柱(column)結構之挫曲(buckling),下列敘述何者有錯?(A)強度(strength)越高之材料所構成之柱結構,有越高之挫曲強度(B)挫曲之臨界負載(critical loading)與邊界限制條件有關,限制越多,臨界負載越高(C)挫曲為結構所發生的不穩定現象(instability)(D)材料楊氏係數(Young's modulus)越大,越能抵抗挫曲之發生。
14. 在懸吊系統中,若希望該系統在運動範圍內不會遭遇死點,何種彈簧較為不適合?(A)渦型彈簧(B)板片彈簧(C)拉伸彈簧(D)壓縮彈簧。
15. 1/4-20 x 3/4 in UNC-2 Grade 5,關於此一螺絲哪一個描述正確?(A)公制螺絲 (B)螺絲長度為3/4 in (C)此螺絲為細牙 (D)螺紋間距20 in。
16. 在變動負載的考量之下,有一旋轉樑承受變動彎曲應力,請問其負載因數值應為多少?(A)0.923(B)1.0(C)0.577(D)0.977。
17. 請問以下四種負載情況,在計算發生挫曲所需的臨界力量時,這四種情況所對應的邊界條件係數為哪一個選項? (A) A=1, B=2, C=1/4, D=1/2 (B) A=2, B=4, C=1, D=1/4 (C) A=1, B=4, C=1/4, D=2 (D) A=1/4, B=1, C=1/4, D=2。
18. 請問以畸變能理論估計剪力降伏強度(Ssy)時,剪力降伏強度應為降伏強度(Sy)的幾倍? Ssy=Cx Sy, C = ?(A)0.577(B)1(C)0.633(D)0.707。
19. 如下圖所示的靜態負載F,若於A點造成非零主軸應力(Non-zero principal stress)分別為110F 與-10F,若以修正莫耳理論(Modified Mohr failure model)來計算本結構所能夠承受的力量極限 F時,該F應為多少?假設材料的極限強度(Ultimate strength)為30kpsi。(A)333 lbf(B)250 lbf(C)3000 lbf(D)273 lbf。
20. 若有一鋼材其極限強度(Ultimate strength)為1400 MPa,該材料的疲勞限界(Endurance limit)應為多少?考慮拉伸負載。(A)700 MPa(B)1400 MPa(C)1500 MPa(D)807 MPa。
21. 計算結構的疲勞應力集中因數(Fatigue stress-concentration factor) Kf時,Kf= 1 + q(Kt - 1),其中q應為何?(A)靜態應力集中因數 (B)缺口靈敏度 (C)缺口半徑 (D)階級圓桿半徑比值。
22. 下圖為一結構承受某負載時的破壞理論線與負載線之關係,橫軸為 Midrange stress,縱軸為 Stress amplitude,請問以下何點正確?(A)C表示靜態降伏破壞線(Yield line)(B)在B點時無靜態降伏破壞之疑慮(C)A點考慮 Gerber 理論時其安全因數為1.85(D)在B點負載的安全因數比A點負載來得大。
23. 下圖所示,一直徑32mm 的軸,長度為600 mm,其降伏強度(Yield strength) Sy=500 MPa,軸兩端(A點與B點)視為簡單支撐(不提供彎曲力侷限)。請決定該靜力之容許最大值為若干?考慮安全係數為2。(A)5292 N (B)3018 N (C)6039 N (D)2646 N。
24. 滾珠軸承使用壽命希望延長至原來的2倍,其軸承之負載應做如何變化?(A)負載應為原先的0.8倍(B)負載應為原先的0.5倍(C)負載應為原先的0.6倍(D)負載應為原先的0.2倍。
25. 一對模數為 12mm 之正齒輪,大齒輪齒數為22 齒,小齒輪齒數為15齒,壓力角為20°,齒冠13 mm,齒根 15 mm,請問周節與基節分別為多少? cos20° = 0.9,sin20°= 0.3。 (A)周節=18.9mm與基節=17.0mm (B)周節=37.7mm 與基節=33.9mm (C)周節=37.7mm與基節=11.3 mm (D)周節=18.9mm與基節=5.67mm。
26. 一個煞車器如下圖所示。b=20 mm,d=40 mm,Ff=f×Fn,F為產生煞車力之外力=100 N,f=0.1,請問會發生自鎖之摩擦係數為多少?
(A)0.9 (B)0.2 (C)0.5 (D)0.8。
27. 管用螺紋,其螺紋角以幾度為最常用?(A) 30°(B) 45°(C) 55°(D)65°。
28. 一螺栓標註 M8×1.25×15-3,則下列註解何者為不正確?(A)M表公制螺紋(B)8表公稱外徑8mm(C) 1.25表螺距為1.25mm(D) 15表螺紋數,3表螺距。
29. 定位銷(dowel pin)的功用在使兩塊機件(A)夾緊在一起(B)相對的位置能夠確定(C)使一塊機件能夠圍繞著定位銷在另一塊上旋轉(D)使一塊機件在另一塊上作正確的滑動。
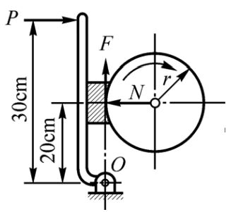
30. 如下圖所示之彈簧組合,試求其總彈簧常數。
(A) K=K1+K2 (B) 1/K=1/K1+1/K2 (C) K=1/K1+1/K2 (D) 1/K=K1+K2。
31. 單塊制動器如下圖所示,鼓輪軸上之扭矩為720牛頓-公分,鼓輪半徑為12公分,設接觸面之摩擦係數為0.2,則作用力P為多少方能產生制動作用? (A)72牛頓 (B)100牛頓 (C)144牛頓 (D)200牛頓。
32. 如下圖所示之滑車組,設不計摩擦損失,則其機械利益為若干?
(A)17 (B)15 (C)12 (D)4。
33. 下圖為一搖臂急回機構,曲柄BC長30cm,中心連線AB長50cm,若曲柄之轉速為6rpm,則搖臂AE之回程時間約。(A)2.0秒 (B)2.5秒 (C)3.0秒 (D)3.5秒。
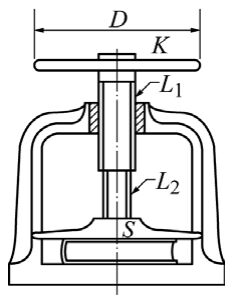
34. 如下圖所示,L₁為導程6mm之右螺旋,L2為導程 3㎜之右螺紋,且滑板S只允許上下運動,則手輪須順時針迴轉多少圈,方能使滑板下降12mm?(A)3圈 (B) 4圈 (C) 5圈 (D) 6圈。
35. 如下圖所示,A、B、C、D四輪之齒數分別為50、40、60、25,若A輪系臂m逆時針5轉(繞A輪之軸心轉),A輪順時針3轉時,則C、D兩輪之轉數與轉向各為(A)Nc=15轉逆時針,ND=19轉順時針 (B) Nc=15轉順時針,ND=19轉逆時針 (C) Nc=19轉順時針,ND=15轉逆時針 (D) Nc=19轉順時針,ND=15轉順時針。
36. 如下圖所示,已知l=1000mm,=50mm,f=20kg,活塞面積 A=400mm²,B=2000mm²活塞B向上推力為(A) 1000kg (B) 1500kg (C) 2000kg (D) 2500kg。
37. 若有一 20 mm 之軸以 1000 rpm 轉速旋轉,傳送15 馬力於皮帶輪,輪轂寬為10mm,使用材料極限抗壓應力為700 N/mm²,極限抗剪力為630 N/mm²,若以方鍵傳動,方鍵寬為若干公厘(mm)?(A) 1.67(B) 2.55(C) 5.1(D)3。
38. 如下圖所示之複式螺旋,導程L₁=8mm 右旋螺紋,L2=6mm 左旋螺紋,若此複式螺旋迴轉一周,則螺帽移動多少mm? (A) 4 (B) 2 (C) 6 (D)14。
39. 銑切車廂用長塊工件,如右圖所示其適當銑切順序為: (A) 1→3→2→4 (B) 1→4→3→2 (C) 1→2→4→3 (D) 1→3→4→2。
40. 利用精度0.02mm 的游標卡尺來量測一工件時,其主尺、副尺刻線如右圖所示,則該游標卡尺正確讀數應為何?(A) 11.32 mm(B) 11.34 mm(C) 28.32 mm(D) 28.34 mm。
41. 鎖緊如右圖之電軌用固定結構,將A、B 鎖緊時下面敘述何者正確:(A)A,B板都要攻牙,鎖的更緊固 (B)A板要攻牙 (C)B板要攻牙 (D)以上均可。
42. 右圖所示之車廂用高分子材質結構特性符號為何者? (A)聚氯乙烯 (B) 聚乙烯 (C) 聚苯乙烯 (D) 聚乙烯對苯二甲酸酯。
43. 車廂用板子上有4個孔要鎖螺絲,如右圖所示其適當螺絲鎖緊的次序是: (A) 1→2→4→3 (B)1→4→2→3 (C) 1→2→3→4 (D) 1→3→2→4。
44. 如右圖所示之工具機為:(A)立式車床 (B)立式銑床 (C)立式拉床 (D)立式龍門銑床。
45. 車廂用固定座之填角銲符號為: (A) (B) (C) (D)
46. 如右圖所示之切削方式,下列說明中,何者不正確:(A)不適用於銑削鑄件或鍛件 (B)為逆銑削 (C)適合輕切削 (D)與加工面摩擦較少、刀具壽命較長。
47. 右圖所示之車削用加工刀具,其名稱為: (A)鑽頭 (B)手工螺絲攻 (C) 鉸刀 (D)機械螺絲攻。
48. 右圖所示之電軌用工件,其錐度值為: (A) 2/15 (B) 1/10 (C) 2/5 (D)1/5。
49. 切削劑應噴注在電軌用結構哪一個部位,如右圖才能達到最好的潤滑、冷卻效果? (A) A (B) B (C) C (D)D。
50. 右圖之加工符號敘述何者有誤? (A)a表切削加工符號 (B)c表加工方法代字 (C)e表基準長度 (D)f表加工裕度。