所屬科目:電子概論與實習
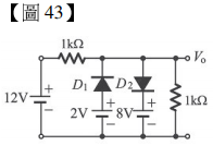
43•如【圖43】所示,二極體為理想,則電路之輸出電壓Vo為何? (A)2V (B)6V (C)8V (D)12V
44•某全波整流電路(中心抽頭式),當負載RL=lkH上產生169mW的功率消耗時,每個二極體的峰值反向電臟PIV)為多少? (A)24√2 (B)26√2 (C)12√2 (D)31√2
45.如【圖 45】之電路,若+VEE = + 15V,-VCC = -9.6V,RB=1.9MQ,RC = 2kQ,RE=lkQ,VEB = 0.6V,β =100,則下 列何者錯誤? (A) IC=1.2mA (B) VC = -7.2V (C) VE=13.8V (D) VCE = -3.6V
47•如【圖47】所示為一運算放大器電路,OPA為理想,試求輸出電壓VO。為若干? (A)-15V (B)-10V (C)-5V (D) 10V
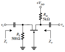
48•如【圖48】所示電路,若如忽略不計,下列敘述何者錯誤? (A) Zi= 500Ω (B) Zo= 5kΩ (C) Av= 10 (D)此電路為共閘極放大電路
49•如【圖49】所示,電容C=100|iF,電阻R=5kQ,其初始值Vo=0V,輸入電壓Vi = lV,若開關SW在t=0時關上,則 經過1秒後,輸出電壓Vo=: ? (A)IV (B)2V (C)-IV (D)-2V
50•如【圖50】所示為555波形產生器,其輸出之波形週期的近似值為何?
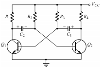
51.如【圖51]所示為無穩態多諧振盪電路,裝配後經過測試後,結果Q1及Q2 —直保持為 ON,而沒有振盪,則 故障會在何處? (A)R2開路 (B)R3短路 (C)C1開路 (D)R4開路
52•如【圖52】所示,直流工作點設置於VGS =-1.75,VDS = 6V,ID = 2.5mA, 則RD與RS分別為:
(A) 2.5kΩ,1.5kΩ (B) 3kΩ,1kΩ (C) 2kΩ,2kΩ (D) 1.5kΩ,2.5kΩ
60•如【圖60】所示,運算放大器為理想,且其飽和電壓為±12V,當Vs⑴=10mV,則Vo(t)= ? (A) 100mV (B)-10V (C)-IV (D)-12V
61.如【圖61】所示之理想運算放大器電路,流經稽納二極體之電流Iz = lmA,運算放大器之飽和電壓為±15 V,則R值 為何? (A)1 kΩ (B) 2.5 kΩ (C)3kΩ (D)5kΩ
62•如【圖62】所示之史密特觸發電路,若R2=2R1,且輸入電壓,則其輸出電壓為何種波形? (A)正弦波 (B)鋸齒波 (C)三角波 (D)方波
64•如【圖64】所示,OPA為理想,Vo為多少? (A)-1V (B)-3V (C)-5V (D)-7V
65•如【圖65】中Vin=20V、Rs=2kΩ,稽納二極體DZ的參數為VZ=9.3V、IZK=lmA、IZK=5mA,若忽略其稽納電阻,且 二極體D1之膝點電壓(Knee Voltage)為0.7V,則可讓稽納二極體DZ正常運作之最低負載電阻化為多少? (A) lkΩ (B) 2kΩ (C) 2.5kΩ (D) 5kΩ