阿摩線上測驗
登入
首頁
>
輸配電學
> 105年 - 105年身障特考四等輸配電學概要#50080
105年 - 105年身障特考四等輸配電學概要#50080
科目:
輸配電學 |
年份:
105年 |
選擇題數:
0 |
申論題數:
5
試卷資訊
所屬科目:
輸配電學
選擇題 (0)
申論題 (5)
一、請說明低壓設備非帶電金屬體或金屬外殼,防止感電事故之保護有那些方法?(25 分)
二、某三相輸電系統採 161 kV,60 Hz 供電,輸電線採正三角等間隔排列,兩相之間隔 為 2 m,導體半徑為 0.2 m, 求單位長度每相對地電容(F/m)及充電電流(A/m)。 (15 分)
⑴求負載之總功率(kVA)、總電流及總功率因數。(15 分)
⑵若要將功率因數提高至 0.8,求需並接多少容量和μF之電容器。(15 分)
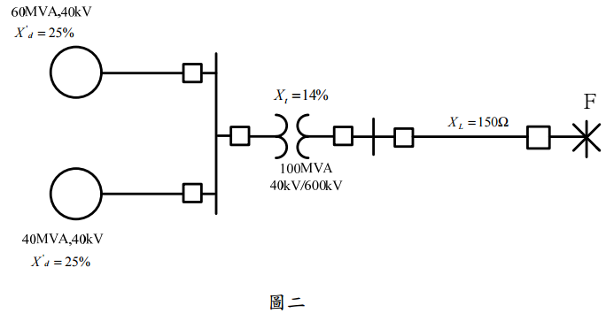
【已刪除】四、如圖二所示之三相電力系統起初無負載,發電機均運轉在額定電壓,且電動勢均同 相位,發電機、變壓器及線路之阻抗如圖所示,所有電阻均忽略。若三相平衡短路 發生在受電端,求短路電流及短路容量(MVA)。(30 分)
相關試卷
114年 - 114 地方政府公務特種考試_四等_電力工程:輸配電學概要#134797
114年 · #134797
114年 - 114 普通考試_電力工程:輸配電學概要#128759
114年 · #128759
113年 - 113 地方政府公務特種考試_四等_電力工程:輸配電學概要#124495
113年 · #124495
113年 - 113 普通考試_電力工程:輸配電學概要#121395
113年 · #121395
112年 - 112 地方政府特種考試_四等_電力工程:輸配電學概要#118361
112年 · #118361
112年 - 112 普通考試_電力工程:輸配電學概要#115762
112年 · #115762
112年 - 112 鐵路特種考試_員級_電力工程:輸配電學概要#114947
112年 · #114947
111年 - 111 地方政府特種考試_四等_電力工程:輸配電學概要#112369
111年 · #112369
111年 - 111 中華郵政股份有限公司_職階人員資產營運及工程類科甄試_專業職一-電子工程:輸配電學概要#111690
111年 · #111690
111年 - 111 中華郵政股份有限公司_職階人員資產營運及工程類科甄試試題_專業職(一)/電力工程:輸配電學概要#111521
111年 · #111521