阿摩線上測驗
登入
首頁
>
技檢◆數位電子-乙級
> 105年 - 11700 數位電子 乙級 工作項目 04:電子工作法#38830
105年 - 11700 數位電子 乙級 工作項目 04:電子工作法#38830
科目:
技檢◆數位電子-乙級 |
年份:
105年 |
選擇題數:
33 |
申論題數:
0
試卷資訊
所屬科目:
技檢◆數位電子-乙級
選擇題 (33)
1.現場儀器的管理安裝位置時,可以不必考慮的項目為(A)方便觀測/維護(B)測量點距離(C)安全防護(D)集中。
2.將一只 2W 之電阻裝配在 PC 板上時,以何種方式較適宜?(A)緊貼在 PC 板上(B)距 PC 板 0.3mm(C)距 PC 板 3m m(D)距 PC 板 3cm。
3.下圖 PC 板佈線,A、B、C、D 四銲點需接通,另 EF 兩銲點亦須接通,何者佈線較適宜 (
4.調整電源供應器的限流大小時,先將電壓調整好,再將正、負輸出端短路,觀察電流表之指示並以限流調整 旋鈕調整限流大小是(A)調整限流時之必要正確動作(B)不正確之動作,但不會損壞儀器(C)不正確之動作,且會 損壞儀器(D)會將保險絲燒斷。
5.下列何者工作方法為不正確(A)大鑽頭宜採用低速度鑽孔(B)清除銼刀齒上之銼屑應用鋼刷(C)鑽孔前,應用中心 衝先在鑽孔中心打出一凹孔(D)使用砂輪機,應對正砂輪站立。
6.如下圖 A、B 長度之差要在
(A)0.1mm 以下(B)1mm 以下(C)5mm 以下(D)10mm 以下。
7.電烙鐵頭在使用前應調整其溫度保持在約(A)200℃(B)250℃(C)300℃(D)350℃。
8.如下圖中,d 的長度是從圓點邊緣算起,不得超過
(A)0.5mm(B)2mm(C)5mm(D)5cm。
9.如下圖中 L 的長度要在
(A)0.1mm 以下(B)0.5mm 以下(C)2mm 以下(D)10mm 以下。
10.於鋸切材料時,鋸條應如何選用?(A)材料愈薄應用愈多齒之鋸條(B)材料愈厚應用愈多齒之鋸條(C)材料愈薄應 用愈少齒之鋸條(D)與材料的厚薄無關。
11.銼削如銅、鋁等軟金屬等,銼齒應如何選用?(A)粗銼(B)中銼(C)細銼(D)均可。
12.為避免產生電磁干擾,印刷電路板中之接地迴路應如何?(A)須為一封閉之迴路(B)不可為一迴閉之迴路(C)只要 不構成線圈狀即可(D)無所謂。
13.松香的主要功能為何?(A)除去油汙(B)除去腐蝕物(C)除去氧化膜(D)降低銲錫熔點。
14.在鑽孔時,離所鑽之孔最遠的工作物件端應置於何處?(A)工作者左側(B)工作者右側(C)工作者前方(D)均可。
15.鑽頭迴轉一圈所進入工件的距離稱為進刀量,鑽削硬材料之進刀量應較軟材料如何?(A)大(B)小(C)相等(D)無 關。
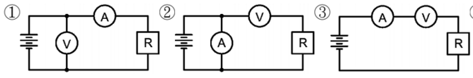
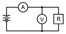
16.以一般電流表 A(內阻=0.5Ω)及電壓表 V(內阻=1MΩ)同時測量流過低阻抗元件 R(阻值=1Ω)之電流及其上電 壓時,應以下列何種接法最為適宜?
④
17.某一橋式整流電路輸出為 12 伏特的直流電壓時,則電路中二極體的耐壓值最小應選擇(A)24(B)20(C)18(D)12 伏 特方可。
18.使用 ICE 線上電路實體模擬器,其接腳應插入下列何者之腳座(A)CPU(B)RAM(C)CTC(D)PIO。
19.配線端點焊接時,端點與導線 PVC 絕緣皮之間距,應保持在(A)0.5mm~2mm(B)2mm~5mm(C)0.5cm~2cm(D)2c m~5cm。
20.在實施變壓器端點銲接前,導線應先在端點上捲繞(A)0.5~1 匝(B)1~1.5 匝(C)2~3 匝(D)3~4 匝。
21.配線完成後,兩條以上導線即應予以束線,而束線應每隔多少距離內束線一次?(A)30mm(B)40mm(C)50mm(D)60mm。
22.束線時,遇有導線欲分歧時,束線匝應匝在分歧點的位置為?(A)後面(B)前面(C)兩邊都匝(D)不限定。
23.使用塑膠質束線帶來匝線束後,應將尾端多餘線帶剪除,殘留量至少應在多少距離以內?(A)1mm(B)2mm(C)3 mm(D)4mm。
24.熱縮絕緣的目的是為防止交流電源意外感電,所以一般機器中,AC110V 電源的控制元件,如電源開關、保 險絲等,都需要予以(A)1 層(B)2 層(C)3 層(D)4 層 熱縮絕緣保護。
25.在安裝機電元件時,為使其不易鬆脫,會在平墊圈內加裝一個(A)銲片(B)絕緣墊圈(C)彈簧墊圈(D)螺絲帽。
26.配線時信號線應使用(A)單蕊線(B)多蕊線(C)隔離線(D)裸銅線 來配置。
27.功率電晶體裝配在散熱片時,絕緣墊圈應裝配在哪個位置?(A)螺絲與功率電晶體外殼之間(B)功率電晶體與雲 母墊片之間(C)散熱片與螺帽之間(D)不需安裝。
複選題
複選題:
28.有關 PVC 導線規格及導線作業,下列敘述何者正確?(A)其規格中的安全電流量係以周圍溫度 35°C 為準(B)應 使用 PVC 絕緣膠帶纏繞連接部分並掩護原導體之絕緣外皮 15 公厘以上(C)如規格標示 22mm
2
,表示其為多股 絞線(D)絞線接於開關時,如在線頭加焊錫或使用壓接端子,可降低耐張強度。
複選題
29.使用鉗子剪線時,應注意(A)鉗口凹槽應朝外(B)鉗口凹槽應朝內(C)線頭應朝上(D)線頭應朝下。
複選題
30.有關電子工作法的敘述,下列何者正確?(A)斜口鉗在電子元件裝配後,剪除多餘的導線(B)使用指針式三用電 表測量電壓時,會撥在歐姆檔最高檔位,以免電表燒毀(C)驗電起子可用來判別 380V 以下的交流電壓(D)IC 拆 除後,可用吸錫線(絲)來吸取多餘之焊錫。
複選題
31.下列哪些化學物質常用於錫焊接時之助焊劑?(A)松香(B)氯化銨(C)氯化鐵(D)氯化銅。
複選題
32.使用一般電路圖繪圖工具軟體時,下列敘述何者正確?(A)輸入信號端子在左方,輸出信號端子在右方(B)輸入 信號端子在右方,輸出信號端子在左方(C)電源正端在上方、負端在下方(D)電源正端在下方、負端在上方。
複選題
33.依據 PC 板裝配原則,下列敘述何者正確?(A)先裝較高的元件,次裝較矮的元件(B)易受雜訊干擾之電路,其 裝配位置應儘量靠近電源(C)裸銅線焊接於電路板上時,彎曲角度以 90°與 45°為原則(D)在安裝較大瓦特值的電 阻器時,必須要與 PC 板保持散熱距離。
申論題 (0)
相關試卷
114年 - 11700 數位電子 乙級 工作項目 10:微控制器系統 1-40(2025/12/12 更新)#134885
114年 · #134885
114年 - 11700 數位電子 乙級 工作項目 09:網路技術與應用 1-42(2025/12/12 更新)#134884
114年 · #134884
114年 - 11700 數位電子 乙級 工作項目 08:程式語言 51-81(2025/12/12 更新)#134883
114年 · #134883
114年 - 11700 數位電子 乙級 工作項目 08:程式語言 1-50(2025/12/12 更新)#134882
114年 · #134882
114年 - 11700 數位電子 乙級 工作項目 07:電腦與周邊設備 101-129(2025/12/12 更新)#134881
114年 · #134881
114年 - 11700 數位電子 乙級 工作項目 07:電腦與周邊設備 51-100(2025/12/12 更新)#134880
114年 · #134880
114年 - 11700 數位電子 乙級 工作項目 07:電腦與周邊設備 1-50(2025/12/12 更新)#134879
114年 · #134879
114年 - 11700 數位電子 乙級 工作項目 06:數位邏輯設計 101-140(2025/12/12 更新)#134878
114年 · #134878
114年 - 11700 數位電子 乙級 工作項目 06:數位邏輯設計 51-100(2025/12/12 更新)#134877
114年 · #134877
114年 - 11700 數位電子 乙級 工作項目 06:數位邏輯設計 1-50(2025/12/12 更新)#134876
114年 · #134876