阿摩線上測驗
登入
首頁
>
技檢◆數位電子-乙級
> 114年 - 11700 數位電子 乙級 工作項目 06:數位邏輯設計 51-100(2025/12/12 更新)#134877
114年 - 11700 數位電子 乙級 工作項目 06:數位邏輯設計 51-100(2025/12/12 更新)#134877
科目:
技檢◆數位電子-乙級 |
年份:
114年 |
選擇題數:
50 |
申論題數:
0
試卷資訊
所屬科目:
技檢◆數位電子-乙級
選擇題 (50)
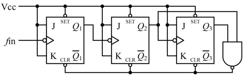
51. 下圖中,初始輸出狀態 Q1Q2Q3=100,且電路中,時鐘 CK 的頻率F=150KHz,則輸出頻率 F
O2
為
(A)50KHz (B)75KHz (C)150KHz (D)300KHz 。
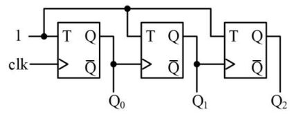
52. 下圖為一四位元的移位型暫存器,其輸出與輸入特徵為
(A)並入並出PIPO (B)並入串出 PISO (C)串入並出 SIPO (D)串入串出 SISO 。
53. 下圖為一 RC 充電波形,若輸入電壓為 E,求第一個 RC 時間常數的 A 點到第二個 RC 時間常數的 B 點間,電壓共增加
(A)0.63E (B)0.37E (C)0.63‧0.37E (D)0.63‧0.63E 。
54. 下圖之元件為
(A)NOT (B)SCR (C)三態型 NOT (D)三態型 BUFFER 。
55. 設工作電壓均為 5V 條件下,以 TTL 電路去驅動 CMOS 電路時,必須在TTL 輸出端加裝一個 (A)提昇電容器 (B)箝位二極體 (C)提昇電阻器 (D)接地電阻器 。
56. 漣波計數器之特性,下列何者錯誤? (A)屬於非同步型計數器 (B)可作上數計數器 (C)屬於同步型計數器 (D)可作下數計數器 。
57. 下圖的卡諾圖,經化簡後 Y(A,B,C,D)應為
(A)Y=A+B+C (B)Y=AC'+A'C (C)Y=BD+B'D' (D)Y=A'C'+AC 。
58. 下圖中,若 5RC<<Tw(脈寬),則電路應為
(A)單擊電路(One Shot)(B)除頻電路 (C)倍頻電路 (D)觸發電路 。
59. 四位元的強生(Johnson)計數器的除頻計數為 (A)4 (B)8 (C)16 (D)32 。
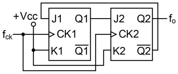
60. 下圖的計數器,其輸出 f
o
為
(A)f
ck
(B)f
ck
/2 (C)f
ck
/3 (D)f
ck
/4 。
61. 對一個 n-inputXOR 閘,下列敘述何者正確? (A)輸入為偶數個 0,則輸出就為 0 (B)輸入為偶數個 0,則輸出就為 1 (C)輸入為奇數個 1,則輸出就為1 (D)輸入為奇數個 1,則輸出就為 0 。
62. 已知一積體電路使用半導體製程 90 奈米技術,其 90 奈米指 MOSFET 元件閘極的 (A)長度 L (B)寬度 W (C)高度 H (D)厚度 T 。
63. SN74LS90IC 是下列何種元件? (A)算術與邏輯運算單元 (B)中央處理單元(C)計數器 (D)移位暫存器 。
64. 下列何者是具有偶同位(Even Parity)的 ASCII 碼? (A)01001000 (B)10101000 (C)11110001 (D)01010001 。
65. 有關下列敘述何者錯誤? (A)CMOS 消耗功率較低 (B)ECL 速度較快 (C)TTL V
CC
電壓為+5V (D)CMOS 傳輸延遲(propagation delay)時間較 TTL短 。
66. 下列對開路集極驅動器的特性說明何者錯誤? (A)邏輯 1 時為高阻抗 (B)邏輯 0 時為低阻抗 (C)由高至低準位轉換快速 (D)由低至高準位轉換快速 。
67. 下列對 TTL 圖騰柱式輸出驅動器的特性說明何者錯誤? (A)阻抗不會變動(B)由高至低準位轉換快速 (C)阻抗高 (D)由低至高準立轉換快速 。
68. 下列何者不是 TTL 輸入端之重要特性? (A)輸入電流準位 (B)輸入電壓準位 (C)雜訊免疫度 (D)延遲 。
69. 下列何者不是解決開關彈跳現象的方法? (A)單擊電路 (B)閂鎖電路 (C)軟體延時副程式 (D)電阻分壓電路 。
70. 開路集極 TTL 與 CMOS 相連接時,下列敘述何者正確? (A)外加提升電阻至 CMOS VDD端 (B)外加提升電容至 CMOS VDD端 (C)外加提升電阻至TTL VCC端 (D)外加提升電容至 TTL VCC端 。
71. 共陽極七段顯示器的 e、f 及 dp 腳接高電位,其餘接腳接低電位,共同端接高電位,則顯示器將會顯示 (A)0 (B)1 (C)2 (D)3 。
72. 共陰極七段顯示器的 g 及 dp 腳接低電位,其餘接腳接高電位,共同端接低電位,則顯示器將會顯示 (A)0 (B)1 (C)2 (D)3 。
73. 十進制 36 的 BCD 碼為 (A)0011100 (B)00110110 (C)00101000 (D)01011000 。
74. 下圖之 CD4510 BCD 計數器,下列敘述何者正確?
(A)U/D 是往上或往下計數的控制腳 (B)PE(Preset Enable)主要作用是將 Q 輸出清除為零 (C)CLK 是負緣觸發 (D)CI 在高電位時才能計數 。
75. 二進制的 1.111 等於十進制的 (A)1.875 (B)1.175 (C)1.125 (D)1.375 。
76. 十六進制的 2EA 轉換成十進制為 (A)736 (B)746 (C)756 (D)766 。
77. 十進制的 105 等於二進制的 (A)1101001 (B)1110100 (C)1101010 (D)1011001 。
78. 下圖所示,下列敘述何者正確?
(A)其功能為 NAND 閘 (B)其功能為 NOR閘 (C)VDD 接負電壓時,電路正常動作 (D)屬於 TTL 邏輯族 。
79. 下圖為已知邏輯電路,下列輸出函數何者正確?
(A)Y1(A,B,C)=Σ(0,3,5)(B)Y2(A,B,C)=Σ(1,5,7) (C)Y1(A,B,C)=Σ(0,2,3,5) (D)Y2(A,B,C)=Σ(5,6) 。
80. 下圖所示,其功能之敘述下列何者正確?
(A)模數 3 計數器 (B)下數計數器(C)上數計數器 (D)同步計數器 。
81. 下列何種邏輯閘能提供較大的驅動電流? (A)史密特邏輯閘 (B)開集極邏輯閘 (C)三態輸出邏輯閘 (D)互斥或閘 。
82. 若 F=AB+B'C+AC,下列哪一種狀態會使 F=1? (A)A=0、B=1、C=0 (B)A=1、B=1、C=0 (C)A=0、B=1、C=1 (D)A=1、B=0、C=0 。
83. 若 F=(A+B')(A+B'+C)(A+B+C),下列哪一種狀態會使 F=0? (A)A=0、B=1、C=1 (B)A=1、B=0、C=1 (C)A=1、B=0、C=0 (D)A=1、B=1、C=0 。
84. 下列何者無法解決高準位觸發 J-K 正反器的競跑(Race)現象? (A)改成正緣觸發形式 (B)改成負緣觸發形式 (C)改成低準位觸發形式 (D)改成主僕式 J-K 正反器 。
85. 有一解碼器之輸入數位信號線有 X 條、Y 條輸出數位信號線,X 與 Y 的關係為何? (A)X≦2
Y
(B)X≧2
Y
(C)Y≦2
X
(D)Y≧2
X
。
86. 對於下圖之組合邏輯(A)A>B 時,f
1
=1(其餘為 0)、(B)A=B 時,f
2
=1(其餘為 0)、(C)A<B 時,f
3
=1(其餘為 0);則其邏輯方程式f
1
=
(A)A'B (B)A'B'+AB (C)AB' (D)A+B 。
87. 下圖所示,小林想應用 CPLD 電路板來控制一顆 LED 的明滅,若供給電壓 Vcc 為 3.3V,LED 工作電壓為 1.8V,若小林想要限制流經 LED 的電流在 5mA~15mA 之間,則小林應該選用的電阻 R 應該為何者較為適當?
(A)100Ω~300Ω (B)100Ω~200Ω (C)50Ω~150kΩ (D)50Ω~200Ω 。
88. 將十進制 0.3
(10)
轉換成二進制數(求到小數點第十位),下列何者正確? (A)0.0100110011
(2)
(B)0.1001100110
(2)
(C)0.0011001100
(2)
(D)0.1100110011
(2)
。
89. 下列何種數字編碼具有自補的特性,每一個數碼轉為 1 的補數(1'sComplement)後,兩者所對應十進制數會正好形成 9 的補數(9'sComplement),因此又稱為補數碼? (A)ASCII (B)BCD (C)GRAY (D)Excess-3 。
90. 下圖所示,IC 74138 的輸出端設定為高電位作動(active high),並將F
a
F
b
F
c
F
d
F
e
F
f
F
g
經由限流電阻連接到共陰極七段顯示器的 abcdefg 上,若輸入端 CBA=111,則七段顯示器應顯示下列何字?
(A)F (B)7 (C)L (D)0 。
91. 下圖所示,IC 74292 為可程式化之除頻器,若輸入端 GCLK 輸入4.096MHZ 之時脈,則輸出端 OUT 脈波之頻率為何?
(A)8Hz (B)4Hz (C)2Hz (D)1Hz 。
92. 下圖所示,F 與 A、B 之邏輯關悉為何?
(A)XOR (B)OR (C)NOR (D)AND 。
複選題
93. 十進位數 57 等效於下列哪些進制值? (A)111011
(2)
(B)3B
(16)
(C)01010111
(BC D )
(D)71
(8)
。
複選題
94. 下圖之電路的輸入、輸出組合中,下列敘述何者正確?
(A)(A,B,F)=(0,0,1) (B)(A,B,F)=(0,1,0) (C)(A,B,F)=(1,0,1) (D)(A,B,F)=(1,1,0) 。
複選題
95. 若 CMOS IC 之 V
DD
為 10V,V
SS
為 0V,下列敘述何者正確? (A)若輸入電壓為 6V,可視為邏輯 1 (B)若輸入電壓為 8V,可視為邏輯 1 (C)若輸入電壓為 4V,可視為邏輯 0 (D)若輸入電壓為 2V,可視為邏輯 0 。
複選題
96. 下圖之計數電路,何者敘述正確?
(A)屬於非同步計數電路 (B)為除 5 電路(C)Q
1
的工作週期約 33.3% (D)Q
3
的工作週期約 33.3% 。
複選題
97. 下圖係以 4×1 多工器來完成布林函數式 Y(A,B,C)=(0,2,3,4,6,7),則各輸入接腳之接法何者正確?
(A)I
0
=C (B)I
1
=1 (C)I
2
=1 (D)I
3
=1 。
複選題
98. 對一個 8-inputXOR 閘,哪些輸入情況可使輸出為 1? (A)10111011 (B)00110111 (C)11101110 (D)01011110 。
複選題
99. 一顆優先編碼器具有低電位輸入驅動(/0~/9)與低電位編碼輸出(/D~/A),欲使輸出/D~/A=1001 時,則輸入/0~/9= (A)0001100111 (B)1100011000 (C)0101010101 (D)1100000111 。
複選題
100. 下圖所示,具有下列哪些特性?
(A)C1 充放電壓振幅為 4V~8V (B)OUT電壓輸出之頻率為 500Hz (C)第 5 腳 CON 電壓為 8V (D)OUT 電壓輸出之工作週期約 60% 。
申論題 (0)
相關試卷
114年 - 11700 數位電子 乙級 工作項目 10:微控制器系統 1-40(2025/12/12 更新)#134885
114年 · #134885
114年 - 11700 數位電子 乙級 工作項目 09:網路技術與應用 1-42(2025/12/12 更新)#134884
114年 · #134884
114年 - 11700 數位電子 乙級 工作項目 08:程式語言 51-81(2025/12/12 更新)#134883
114年 · #134883
114年 - 11700 數位電子 乙級 工作項目 08:程式語言 1-50(2025/12/12 更新)#134882
114年 · #134882
114年 - 11700 數位電子 乙級 工作項目 07:電腦與周邊設備 101-129(2025/12/12 更新)#134881
114年 · #134881
114年 - 11700 數位電子 乙級 工作項目 07:電腦與周邊設備 51-100(2025/12/12 更新)#134880
114年 · #134880
114年 - 11700 數位電子 乙級 工作項目 07:電腦與周邊設備 1-50(2025/12/12 更新)#134879
114年 · #134879
114年 - 11700 數位電子 乙級 工作項目 06:數位邏輯設計 101-140(2025/12/12 更新)#134878
114年 · #134878
114年 - 11700 數位電子 乙級 工作項目 06:數位邏輯設計 1-50(2025/12/12 更新)#134876
114年 · #134876
114年 - 11700 數位電子 乙級 工作項目 05:電子學與電子電路 101-122(2025/12/12 更新)#134875
114年 · #134875