所屬科目:技術員
9.如下圖所示之一對力偶,其 F 力為 4 kN,其力偶矩之大小為何? (A) 8kN-m (B)16kN-m (C)28kN-m (D)32kN-m
13.如圖所示,一傾斜構件受壓力 P 作用,下列敘述何者錯誤? (A) AB 接觸面受壓應力 (B) BC 接觸面受剪應力 (C) BD 接觸面受剪應力 (D) BD 接觸面的剪力來自 P 的水平分力 (E)本題送分
14.有一簡支梁承受分佈荷重如下圖所示,試求 B 點的反力為何? (A)1000N (B)1500N (C)3000N (D)4500N
16.如圖所示之桿件,長 125 mm,截面積 437.5 mm2,受外力 40 kN 的軸向力。若桿件伸長 0.05 mm, 則彈性模數 E 為何? (A) 217 GPa (B) 229 GPa (C) 236 GPa (D) 253 GPa
17.如下圖所示之平面應力元素,下列敘述何者正確? (A)最大主應力為 7.5MPa (B)最小主應力 為-10.5MPa (C)主平面角度為 30°及120°(D) 在最大剪力之面上,無任何正交應力
18.下列何者為穩定桁架(桿件均鉸接)?
(A) (B) (C) (D)
19. 如下圖所示之桁架,下列何者為錯? (A) CD 及 DE 桿件為零桿 (B) HB 及 AG 桿件為零桿 (C) EF 桿件為零桿 (D) CE 桿件為零桿(E)本題送分
23.如圖所示之滑輪,若欲維持重 300N 的物體平衡,則需要拉力 P=? (A) 100 N (B) 200 N (C) 300 N (D) 400 N
25.如圖所示,x 軸為該斷面之形心軸,且該面積對 t 軸的慣性矩 It=1200cm4,若此面積為25cm2, 試求此面積對s 軸之慣性矩 Is 為何? (A)300 cm4 (B)1200 cm4(C) 2100cm4 (D)3900cm4
28.上下不對稱之類 I 形斷面尺寸如圖所示,單位為 cm。已知水平形心軸 x 之位置距離頂端 7 cm, 則其下翼部之寬度 b 應為多少 (A)36cm (B)30cm (C)24cm (D)18cm
30.如圖所示之簡單桁架中,下列敘述,何者不正確? (A)BF 是零力桿件 (B)AB 與 CD 桿件之內 力相同 (C)CF 桿件內力為 40kN (D)A 支承之水平反力為 20kN
31.有二正交共點力如圖所示,若其合力作用的方向為 y 方向,試求 P 值為何? (A)10N (B)15N (C)20N (D)25N
32.有一桁架如圖所示,試求斜桿 a 所受之力為何? (A)10kN(壓力) (B)10kN(拉力) (C)7.5kN(壓力) (D)7.5kN(拉力)
34.如圖所示之簡單桁架中,下列何者不是「張力桿件」? (A)BG 桿件 (B)AB 桿件 (C)DE 桿件 (D)BC 桿件
36.一簡支樑長 L,受兩同樣的集中載重 P 作用如圖所示,左邊的載重距離左支承 0.2L,若要左支 承反力 RA為右支承反力 RB 的 2 倍,則右邊的載重距離右支承: (A)0.333L (B)0.433L (C)0.533L (D)0.633L
38.三個重量皆為 120N、半徑為 10cm、均勻且相同的圓柱,下二上一疊起來側面如圖所示,以一 條 52cm 之細繩索穿過下面兩圓柱中心,繫住下面兩圓柱,若不計所有摩擦力,則細繩索的張力 為: (A)60N (B)80N (C)120N (D)160N
39.請問圖之 BC 段的剪力太小為: (A)P/2 (B)P (C)0 (D)P/3
41.請問圖之 T 型面積,其形心距底邊為: (A)10cm (B)10.67cm (C)11.67cm (D)15cm
43.一均質矩形斷面梁,長度為 400cm,斷面寬度為 20cm,高度為 30cm,受到如圖所示的外力 作用,此梁之最大剪應力為多少 N/cm2? (A)6.5 (B)7 (C)7.5 (D)8
44.如圖所示之桁架中,EF 桿件之內力為: (A)50kN(張力) (B)40kN(張力) (C)30kN(張力) (D)0kN
45.某力 2N 如圖所示,分解成 A、B 兩力,A、B 兩力大小各是: (A) A = √3 N、B =√ 2 N (B)A =2.512N、B = 1.589N (C)A =(√3 +1)N、B = √2 N (D)A = 2.589N、B = 1.512N
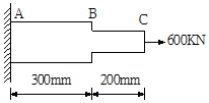
48.如圖所示之變斷面均質彈性金屬桿,彈性係數 E=200kN/mm2,其中 AB 段之斷面積為 600mm2, BC 段之斷面積為 300mm2,在端點 C 施加 600kN 之拉力,其受力方向之總伸長量為: (A)2mm (B)3.5mm (C)5mm (D)7.5mm