所屬科目:技術員
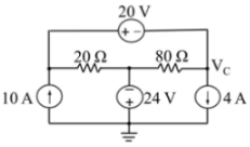
2.如下圖所示電路,試問其節點電壓 Vc 為何? (A) 14 V (B) 28 V (C) 56 V (D) 112 V
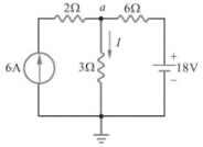
4. D 如下圖所示電路,試問 I1 及 I2 之值分別為何? (A) 2A,7A (B) 7A,2A (C) 2A,11A (D) -7A,-2A
7.如下圖所示電路,當開關 S 閉合後,30Ω 電阻器的電壓降從 72V 降為 60V,試問電阻器 R 的 電阻值為何? (A)30Ω (B)40Ω (C)50Ω (D)60Ω。
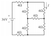
8.如下圖所示電路,若所有電阻皆為 4Ω,則電流 I 為何? (A)1A (B)1.5A (C)2A (D)2.5A。
9.如下圖所示電路,試問 a、b 兩端之戴維寧等效電壓及等效電阻分別為何? (A)20V,2Ω (B)20V,3Ω (C)25V,5Ω (D)40V,8Ω。
10.如下圖所示電路,試問該電路之時間常數為何? (A)0.16μs (B)0.5μs (C)0.72μs (D)3μs。
11.如下圖所示電路已達穩態,試問在將開關 SW 打開瞬間(t=0)VL(0+)為多少? (A)-60V (B)-40V (C)-30V (D)-20V。
15.如下圖所示之交流電路,試問下列所述何者是正確的? (A)總平均功率為 800W (B)總視在功率為 600VA (C)總虛功率為 1000VAR (D)功率因數為 0.6。
16.如下圖所示電路,若電感在開關 S 閉合前無儲能,且開關 S 在時間 t = 0 時閉合,請問在 t = 0 + 時電感兩端的電壓及穩態時流過電感的電流分別為何? (A)0V,2A (B)50V,2A (C)0V,1A (D)50V,1A。
18.如下圖所示之電壓波形,其平均值為何? (A)-60V (B) 20V (C)60V (D)120V。
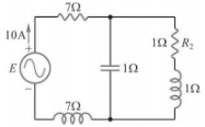
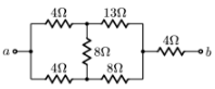
19.如下圖所示電路, a b 兩端之總電阻為何? (A) 9 (B) 11 (C) 13 (D) 15(Ω)
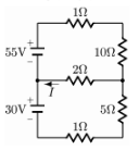
20.試問下圖中流經 2 歐電阻的電流 I 值為何? (A) 3 安培 (B) 2 安培 (C) 1 安培 (D) 0 安培
21.如下圖所示電路,試問電流 I 為多少? (A)2A (B)4A (C)6A (D)8A。
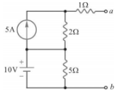
22.如下圖所示電路,試問 a、b 兩端的諾頓(Norton)等效電流 IN 及等效電阻 RN 分別為何? (A)IN =10A,RN =8Ω (B)IN =10A,RN =6Ω (C)IN =5A,RN =8Ω (D)IN =5A,RN =6Ω。
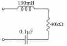
23.如下圖所示之 RLC 串聯電路,其諧振角頻率 ωO 為何? (A)50rad/s (B)4×103 rad/s (C)104 rad/s (D)4×105 rad/s。
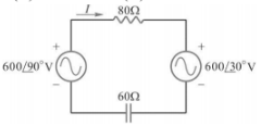
24.如下圖所示電路,試問其電流 I 為多少?
(A) - 6 ∠173° A (B) 6 ∠150° A (C)- 6 ∠150° A (D) - 6 ∠110° A
27.如下圖所示電路,有兩個正弦電源,若 V1(t) = 24 cos 3tV、V2(t)= 8 cos 4tV,則電阻器的平均 吸收功率為何? (A)12.96W (B)4.48W (C)8.48W (D)17.4W
36.如下圖所示之電路,求 Vo 電壓為何? (A)133V (B)113V (C)173V (D)153V
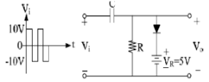
37.如下圖方波波峰電壓為 10 V,於二極體端加上 VR=5 V 時,當輸出方波在負半週時,Vo峰值 電壓應為? (A)5V (B) -15 V (C) -10V (D) -5V
41.根據下圖,RL的最大功率消耗最接近以下何者? (A)5W (B)4W (C)3W (D)2W
43.如下圖所示電路,節點電壓 VC 為何? (A)14V (B)28V (C)42V (D)56V
50.下圖所示為一交流電壓源供給一阻抗 Z = 20∠30∘的負載,以下供給負載之電氣參數 何者正 確? (A)實功率 P = 623.5W (B)電流 I = 3∠ 60∘ (C) 虛功率 Q = 240VAR (D)視在功率 S = 520VA