所屬科目:A.電工原理、B.電機機械
9.如右圖所示,I之值為? (A)0.08A (B)0.5A (C)1A (D) 2A
10.如右圖,I與I1之值為? (A)I=0.42A,I1=0A (B)I=0.45A,I1=0.4A (C)I=0.85A,I1=0.4A (D)I=0.85A,I1=0.2A
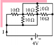
11.如右圖所示,電壓 ? (A) 2V (B) 4V (C) 5V (D) 8V
12.如右圖所示,則電流I2為多少? (A) 6A (B) 8A (C) 9A (D) 10A
13.如右圖所示,電路中之I值為多少? (A) 8A (B) 6A (C) 1A (D) 0A
14.如右圖所示,求6Ω两端電壓為多少? (A) 12V (B) 15V (C) 18V (D) 21V
15.如右圖所示,則戴維寧等效電阻Rab ? (A) 7Ω (B) 8Ω (C) 9Ω (D) 10Ω
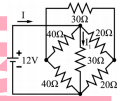
16.如右圖所示,3Ω電阻消耗功率為多少W? (A) 4W (B) 12W (C) 48W (D) 147W
21.如右圖所示,若電路已達穩定,則電容上之電壓vC值為 (A) 10V (B) 7 V (C) 5V (D) 0V
22.如右圖所示,開關S接通瞬間,流經2Ω的電流是多少? (A) 1A (B) 2A (C) 2.5A (D) 3A
26.如右圖所示之電路為何種濾波器? (A)低通濾波器 (B)高通濾波器 (C)帶通濾波器 (D)帶止濾波器
28.有一電路其電壓為,則電路的視在功率及有效功率分別為 (A)0VA,250W (B)250VA,0W (C)250VA,200W (D)500VA,0W
29.R-L-C串聯電路,已知諧振頻率,則其頻帶寬度為? (A) 5 (B) 10 (C) 100 (D) 1000
34.三相發電機△連接,下列特性何者正確? (A)線電壓=相電壓 (B)線電流=相電流 (C)線電壓=√ 3相電壓 (D)線電流= 相電流
39.如下圖所示,向左的磁通在0.5秒內由0韋伯增加至0.2韋伯,已知線圈匝數為100匝, 求線圈兩端的感應電勢 E AB 為?(A)-10V (B)-40V (C)40V (D)10V
44.如右圖所示為何種直流電動機之轉速n與轉矩T之特性曲線? (A)差複激式 (B)積複激式 (C)分激式 (D) 串激式
50.如右圖所示為何種直流電動機之轉速(N)及轉矩(T)特性曲線(圖中 Ia 為電樞電流) ? (A)差複激式 (B)積複激式 (C)他激式 (D)串激
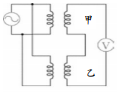
60.如右圖所示,若伏特計V的指數為零時,變壓器甲之極性為減極性,則變壓器乙之極性為? (A)加極性 (B)減極性 (C)無極性 (D) 無法判斷
65.三相鼠籠式感應電動機,用相同的線電壓,分別以Y連接起動與△連接起動,其起動電流比及起動轉矩比,分別為何? (A) (B) (C) (D)
1.如右圖所示,試求I3為 (1)_____ 安培
2. 如右圖所示,c點的電位為 (2)_____ V。
3.如右圖所示,則戴維寧等效電壓Vab= (3)_____ V
5.某三相△型平衡負載之相阻抗 ,線電壓為240V,則此負載消耗總有效功率為 (5)_____ 瓦特