所屬科目:台水評價◆基本電學
1.如【圖 1】所示電路,E=?(A)24V(B)30V (C) 36V(D)42V
2.如【圖 2】所示電路,I=?
(A) 0A (B) 1A(C) 2A (D) 3A
3.小胖家有一部抽水馬達,其銘牌標示規格為輸出功率 750W,效率 80%,若平均每天使用 4 小時,請問一個月 (以 30 天計)之電費大約為多少?(假設 1 度電為 3 元)(A)532 元 (B) 488 元(C) 338 元 (D) 280 元
重新載圖
4.如【圖 4】所示電路,I=?
(A) 4A (B) 3A (C) 2A (D) 1A
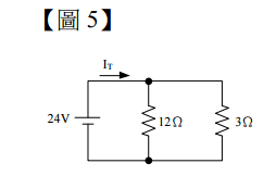
5.如【圖 5】所示電路,IT=?
(A)4A(B)6A(C) 8A (D) 10A
6.如【圖 6】所示電路,為一多範圍直流電壓表,其電壓表頭規格為 50mV、100μA,若要分別量測 10V 及 50V, 則 R1及 R2應為多少?
(A) 100kΩ、200kΩ (B) 90kΩ、200kΩ (C) 99.5kΩ、400kΩ (D) 100kΩ、500kΩ
7.某一電感器 L=3H,若把線圈匝數增加為原來的 2 倍,並通以 3A 的電流時,試問此電感器所儲存的能量為何?(A)9焦耳(B)18 焦耳(C) 27 焦耳 (D) 54 焦耳
8.如【圖 8】所示電路,試問此電路之總有效功率 PT=?
(A)1900W (B) 1200W(C) 900W (D) 600W
9.下列有關諧振電路之敘述何者錯誤? (A) RLC 串聯諧振時,電路總阻抗最小 (B) RLC 並聯諧振時,電路總阻抗最大 (C)諧振時功率因數為 0.8 (D) RLC 串聯諧振時,XL=XC
10.某三相 Y 接發電機,相序為 ABC,若 B 相電壓 =100∠-120oV,則 VAB =? (A) 100 ∠30° V (B) 100 ∠-30° V (C) 100 ∠90° V (D) 100 ∠- 90° V
11.某色碼電阻由左至右依序為紅紅紅金,請問下列選項中何者為可能之電阻值?(A)2380Ω(B)2125Ω(C) 1990Ω (D) 18250Ω
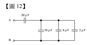
12.如【圖 12】所示電路,試問 A、B 兩端之總電容量為多少? (A) 40μF (B) 30μF (C) 20μF (D) 10μF
13.如【圖 13】所示電路,電容器無任何儲能,當開關 S 閉合後,電路達穩態所需的時間為多少? (A) 100ms (B) 90ms(C) 80ms (D) 50ms
14.承上題,若電路已達穩態,則電容器兩端電壓為多少? (A) 30V (B) 20V(C) 10V (D) 0V
15.有一交流電壓源 v(t) =10 +10sin377t,試問此電壓源之平均值為何? (A) 10V (B) 10 V(C) 20V (D) 20 V
16.如【圖 16】所示電路,試問此電路之電流大小為何? (A) 10A (B) 8A (C) 5A (D) 2A
17.有一交流電路,已知電壓、電流,試問此電路之功率因數 為何? (A) 0.8 (B) 0.707(C) 0.6 (D) 0.5
18.某一 RLC 並聯電路,當電源頻率為 60Hz 時,R=10Ω、XL=50Ω、XC=2Ω,試問該電路之諧振頻率為多少? (A) 300Hz (B) 120Hz(C) 30Hz (D) 12Hz
19.平衡三相電源各相之間的相位差為多少? (A) 0° (B) 60°(C)90°(D)120°
20.如【圖 20】所示電路,請問電壓 VR=? (A) 20V (B) 60V (C) 80V (D) 100V
21.某電池的充電電流為 500 mA,連續充電 10 分鐘,則此電量為多少庫倫? (A) 5,000 (B) 3,000(C) 500 (D) 300
22.某一銅質導線長度為 10 公里 (km),導線的截面積為 100 mm2,電阻係數為 1.7 × 10 -8 (Ω-m),則此導線的電阻 為: (A) 0.17 Ω (B) 0.58 Ω(C) 1.7 Ω (D) 5.8 Ω
23.某色碼電阻標示誤差量的顏色為金色,此電阻的誤差量為: (A) ±20% (B) ±10%(C) ±5% (D) ±1%
24.如【圖 24】所示,電流 I1 為:(A) 3 A (B) 12 A (C) 17 A (D) 22 A
25.如【圖 25】所示電路,電壓 V1 為: (A) 3 V (B) 5 V (C) 12 V (D) 28 V
26.在【圖 26】電路中 a、b 兩端的總電阻為: (A) 22 kΩ (B) 12 kΩ (C) 7 kΩ (D) 4 kΩ
27.將四個相同的電感並聯,若每個電感為 40 mH,則並聯的總電感為: (A) 160 mH (B) 40 mH(C) 10 mH (D) 5 mH
28.某直流電路如【圖 28】所示,關於 a、b 兩端左側的戴維寧(Thevenin)等效電路的敘述,下列何者正確? (A)戴維寧等效電壓為 10 V (B)戴維寧等效電壓為 15 V (C)戴維寧等效電阻為 9 Ω (D)戴維寧等效電阻為 2 Ω
29.交流電壓 v t =100cos(1000t)V,t 為時間單位秒,此電壓的週期約為: (A) 1 ms (B) 2 ms(C) 3.14 ms (D) 6.28 ms
30.交流電流 i t = 50sin377 A ,此電流有效值為: (A) 100 A (B) 50 A(C) 25 A (D) 15.9 A
31.某交流 RLC 串聯之電路,電阻為 10 Ω,電感抗為 20 Ω,電容抗為 10 Ω,則其串聯的總阻抗為: (A) 40 Ω (B) 20 Ω(C) 10 Ω (D) 10 Ω
32.若電感的端電壓 vC = 20sin1000 t V ,t 為時間單位秒,電感為 10 mH,則此電感抗為: (A) 10 Ω (B) 20 Ω(C) 20 Ω (D) 62.8 Ω
33.如【圖 33】所示電路中,在穩態時電感 10 mH 儲存的能量為: (A) 20 J (B) 1.5 J(C) 1.0 J (D) 0.5 J
34.某一個電容為 100 μF,若電容之端電壓為 80 V,則電容儲存的能量為: (A) 0.64 J (B) 0.32 J(C) 0.16 J (D) 0.08 J
35.某 10Ω 電阻器流過的電流 i = 10sin(377t- 45° ) A ,則此電阻器消耗的實功率為: (A) 1,000 W (B) 500 W(C) 500 W (D) 250 W
36.某單相負載的端電壓為 ,負載電流為,則下列哪些敘述正確? (A)視在功率為 4 kVA (B)虛功率為 2 kVAR(C)實功率為 2 kW (D)功率因數為 0.5(E)一律給分
37.某單相負載的輸入電壓為 120 V(有效值),功率因數為 0.8,效率為 0.8,輸入實功率為 2 kW,下列哪些選項 正確? (A)輸入電流約為 10.8 A(有效值) (B)輸出功率為 1.6 kW (C)輸入的視在功率為 2.5 kVA (D)輸入的虛功率為 1.6 kVAR
38Ω.某交流電路如【圖 38】所示,若電壓 (有效值),阻抗 ,當阻抗 獲得最大 功率輸出,則下列哪些敘述正確? (A)負載阻抗 =3-j4Ω(B)負載電流 (C)負載輸出功率為 2.5 kW (D)負載電壓VL 的絕對值為 125 V
39.某三相平衡負載,線電壓為 200 V(有效值),線電流為 20 A(有效值),功率因數為 0.6 落後,有關於負 載功率及其特性,下列哪些是正確? (A)總視在功率約為 4 kVA (B)總實功率約為 4.16 kW (C)總虛功率約為 5.54 kVAR (D)負載為電容性的負載
40.有關三相平衡的電壓及電流描述,下列哪些是正確? (A)三相的相電壓合成為零 (B)每相電壓的相位各相差 180° (C)每相電壓的峰值相等 (D)三相的相電流合成為零
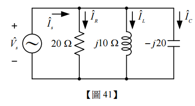
41.交流電路如【圖 41】所示,若 ,下列電流的計算哪些正確? (A)(B) (C) (D)
42.電阻、電感及電容串聯之交流電路如【圖 42】所示,當電源頻率等於電路諧振頻率時,下列哪些正確? (A)電路阻抗為最小 (B)電感抗的壓降大於電容抗的壓降 (C)功率因數為 1.0 (D)電路為電感性
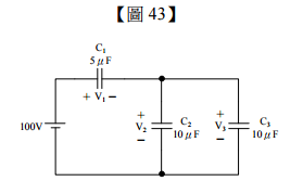
43.如【圖 43】所示電路,下列選項何者正確?
(A)總電容量 CT=10μF (B)總電荷量 QT=400μC (C) V1=60V (D) V3=20V
.
44.有一交流電路,已知電壓 、電流,試問下列敘述何者正確? (A)此電路為電容性電路 (B)此電路為電感性電路(C) P.F.=0.8,超前 (D) P.F.=0.8,滯後
45.下列敘述何者正確? (A)電壓的單位為伏特 (B)電容量的單位為亨利 (C)電子伏特的單位為伏特 (D)電阻的單位為歐姆
46.下列何者為磁通密度的單位? (A)庫倫/平方公尺 (B)高斯(Gauss)(C)特斯拉(Tesla) (D)馬克斯威
47.如【圖 47】所示電路,下列選項何者正確? (A) IT=4A (B) V1=32V (C) V2=20V (D) V3=60V
48.如【圖 48】所示電路,電感器在開關 S 閉合前無任何儲能,下列選項何者正確? (A)開關 S 閉合後,電路到達穩態約需 2.5S (B)開關 S 閉合後,電路時間常數為 2.5S (C)開關 S 閉合後,電感器穩態電流為 2.5A (D)開關 S 閉合瞬間,電感器電流為 2.5A
49.如【圖 49】所示電路,下列選項何者正確? (A)電路總阻抗 Z=7Ω (B)線路電流 I=10A(C)功率因數 P.F.=0.8 (D)實功率 P=400W
50.電壓方程式 ,下列敘述何者正確? (A)正半週平均值為 50V (B)頻率為 60Hz(C)最大值為 141.4V (D)有效值為 70.7V