所屬科目:捷運◆土木概論
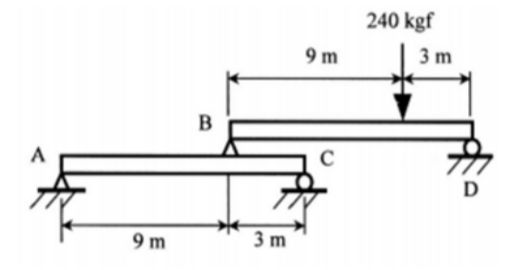
11 一組合梁所受外力如下圖所示,當其維持平衡時,在 A、B、C、D 四點的反作用力, 分別為 RA、RB、RC、RD,則: (A)4RC = RD (B)2RA = RB (C)RD = RA+RB+RC (D)RB+RC = RA+RD
12 如右圖所示之構架,A、C 為鉸支承( hinge ),B 為銷釘 ( pin )。求 A 點支撐反力為何? (A)Ax=3 kN, Ay=12kN (B)Ax=0 kN, Ay=12kN (C)Ax=0 kN, Ay=32 kN (D)Ax=0 kN, Ay=8kN
13 試判斷下圖穩定性,若為靜不定請判定靜不定次數 (A)不穩定 (B)靜定 (C)2 次靜不定 (D)3 次靜不定
14試分析下圖距固定端支承 4m 處之彎距 (A)-5 t-m (B)-10 t-m (C)-15 t-m (D)-20 t-m
15 有一梁如下圖所示,請問固定端 A 點之垂直變位:(假設 EI 為常數) (A)0 (B)(13.5 t-m3)/EI (C)(25 t-m3)/EI (D)(5 t-m3)/EI