所屬科目:初等/五等/佐級◆電子學大意
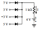
1如圖所示為理想運算放大器之電路,R1 = 2 kΩ、R2 = 10 kΩ、R3 = 2 kΩ,試求其輸入阻抗 Ri為多少? (A) 1 kΩ (B) 2 kΩ (C) 4 kΩ (D) 10 kΩ
2 如圖所示符號為下列何種元件? (A)增強型 NMOS (B)增強型 PMOS (C)空乏型 NMOS (D)空乏型 PMOS
3 下圖是一矽場效電晶體(Si FET)元件的剖面結構,各層使用不同材料,圖中僅標示某假想製程厚度, 此電晶體的臨界電壓(threshold voltage)的絕對值為|Vth| = 0.5 V。VD1 = 2 V,VD2 = -2 V,VD = 2 V, VE = -2 V。試由此結構剖面判斷此電晶體的閘極氧化層是那一層? (A) A 層 (B) B 層 (C) C 層 (D) D 層
4 有一運算放大器如下圖所示,已知其轉移方程式(transfer function)為 V3 =1002× V2 − 998×V1,請 問其差動電壓增益(differential gain)約為多少? (A) 10 dB (B) 20 dB (C) 40 dB (D) 60 dB
5 有一以矽材料所製的互補式金氧半場效電晶體(Si-CMOSFET)電路及輸入電壓 vI 的波形如下所示, VDD = 5 V,假設兩個電晶體 QP、QN的特性參數一致,即通道導通臨界電壓(threshold voltage)的絕 對值均為| Vth | = 0.5 V,相同的轉導值(transconductance)與幾何參數,亦即 。 試研判下列波形何者最接近輸出電壓 vO的波形?
(A) (B)
(C) (D)
6 有一矽雙極性接面電晶體(Si-BJT)電路及輸入接腳 VI1、VI2 的電壓波形如下所示,VCC = 5 V, R1 = R2 = 1 kΩ,R3 = R4 = 100 Ω,CL = 5 μF,電晶體電流增益 βQ1 = βQ2 = 100。試研判電晶體 Q1的集 極電流比較低的時間點: (A) 0 (B) t1 (C) T (D) t2
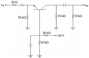
8 如圖中 NPN 雙極性電晶體,β = 100,電晶體基射極的順偏電壓設為 0.8 V,飽和時的集射極電壓為0.3 V。問此電路集極電流對基極電流的比值為多少? (A) 12 (B) 22 (C) 80 (D) 100
9 一個 OP AMP 的輸出的上下限為 ± 10 V,迴轉率(slew rate)為 1 V/μs,單增益頻寬 ft = 1 MHz。若 輸出電壓為如圖所示之三角波(triangle wave),所能操作的最大頻率最接近下列何值? (A) 5 kHz (B) 50 kHz (C) 100 kHz (D) 1 MHz
14 如圖所示為由齊納(Zener)二極體 D1與 D2所構成截波電路及其輸入信號 vi(t),D1與 D2於順偏時可 視為理想,而其在反偏之崩潰電壓分別為 VZ1 = 6 V 與 VZ2 = 4 V,輸出信號 vo(t)的平均值電壓應為多 少? (A)-0.375 V (B)-0.125 V (C) 0 V (D) 0.25 V
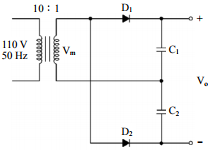
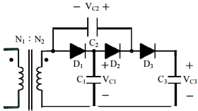
15 如圖所示以電容器 C1~C3、理想變壓器及理想二極體 D1~D3所構成之倍壓電路,輸入弦波信號且在穩 定狀態下電容器 C2所跨電壓為 VC2 = 20 伏特,電容器 C1與 C3所跨電壓和(VC1+VC3)應約為多少? (A) 20 V (B) 30 V (C) 40 V (D) 50 V
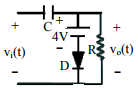
16 vi(t) = 8sin(ωt)伏特通過圖示的理想箝位電路,輸出信號的最大值與最小值分別為 A 與 B,則 A+B 之 值為多少? (A)-12 V (B)-8 V (C) 12 V (D) 20 V
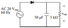
17 如圖所示之電路,假設二極體為理想,求其輸出電壓 vout之漣波電壓(ripple voltage)值為何?
(A) 0.22 V (B) 1.88 V (C) 3.55 V (D) 5.66 V
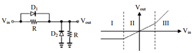
18 如圖所示為此二極體電路之轉移函數,假設二極體皆有開啟電壓 VD,on,當電路操作於區域 II 時,D1 與 D2的狀態分別為何? (A) D1 on, D2 off (B) D1 off, D2 on (C) D1 on, D2 on (D) D1 off, D2 off
20 如圖所示整流電路,D1耐壓至少為多少? (A) Vm (B) 2 Vm (C) 3 Vm (D) 4 Vm
21 如圖所示二極體電路,若所有二極體為理想二極體,則電路中電流 I 為多少? (A)-1 mA (B) 0 mA (C) 1 mA (D) 3 mA
23 如圖所示電路,若 VCC = 12 V,VCE = 12 V,則此電晶體的工作區為何? (A)主動區(active region) (B)截止區(cutoff) (C)三極管區(triode region) (D)飽和區(saturation region)
24 如圖所示之電路,其中電晶體之爾利(Early)電壓 VA皆為∞,求此電路之小信號輸出阻抗值為何? (A)(1/gm1) // (1/gm2) (B) rπ1 // rπ2 (C) rπ1 + rπ2 (D)(1/gm1) // rπ1
26 如圖所示之電路,其中電晶體之參數為 β = 120,VT = 26 mV,VBE(on) = 0.7 V 且爾利(Early)電壓 VA = ∞,求此電路之小信號電壓增益值為何? (A) 37 (B) 47 (C) 57 (D) 67
27 如圖所示之電路,假定 β = 100 且 VBE(on) = 0.7 V,若電晶體之直流工作點 VCEQ = 5 V 且 ICQ= 10 mA, 求 RB之值為何? (A) 34 kΩ (B) 68 kΩ (C) 102 kΩ (D) 136 kΩ
28 如圖所示之共射極放大器,IC = 1 mA 且 VBE = 0.8 V。假設電晶體於飽和時之 VCE(sat) = 0.3 V,請問在 保持放大器的正常操作下,RL最大的可允許值為何? (A) 2.5 kΩ (B) 4.2 kΩ (C) 4.7 kΩ (D) 6 kΩ
30 如圖所示為一 MOSFET 疊接(cascode)放大器,下列何者不是此架構的特性? (A)與共源極放大器相比有較高的輸出阻抗 (B)與共源極放大器相比有較小的電壓增益 (C)與共源極放大器相比有較大的頻寬 (D)與共源極放大器相比需較高的偏壓電源
32 如圖所示之偏壓電路,調整可變電阻 VR的大小使下列何者為 0 時,可測得 JFET 之夾止電壓(VP)? (A) VGS (B) IG (C) VGD (D) ID
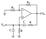
33 如圖所示為史密特觸發電路及其輸入-輸出轉移特性曲線,其中 OPA 為理想,若 R2為 3 kΩ,則 R1 的電阻值約為多少? (A) 1.5 kΩ (B) 3 kΩ (C) 6 kΩ (D) 9 kΩ
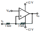
34 如圖所示電路為由理想 OPA 構成的雙穩態振盪器,輸入 vI為-5 及 1 伏特時都無法改變輸出 vO的原 始儲存值(無論是+12 或-12 V),則電路中的偏壓電源 VR可能為下列那一電壓值? (A)-3 V (B) 0 V (C) 1.5 V (D) 3 V
35 如圖所示韋恩電橋振盪器(Wien-bridge oscillator),其所產生的波形為下列何者? (A)方波 (B)弦波 (C)鋸齒波 (D)三角波
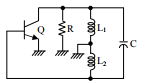
36 如圖所示為一哈特萊(Hartley)振盪器,其電晶體的偏壓部分並未畫出,L1 = 40 μH,L2 = 10 μH, C = 100 pF,R = 1 kΩ,振盪器的振盪頻率約為多少? (A) 1.59 MHz (B) 2.25 MHz (C) 5.63 MHz (D) 10 MHz
37 如圖所示為一直接耦合的串級放大器,兩個電晶體的 β = 100,NPN 電晶體的 VBE,active與 PNP 電晶體 的 VEB,active均為 0.7 V。計算偏壓電流時可忽略電晶體的基極電流,VT = 25 mV 並忽略爾利效應(Early effect),求小信號增益 vo /vi? (A)-100 (B)-200 (C) 13,360 (D) 40,000
38 如圖所示為韋恩電橋振盪器(Wien-bridge oscillator),已知 R = 10 kΩ,C = 16 nF,請問使此電路產 生振盪的基本條件 R2 /R1值應為多少? (A) 1 (B) 2 (C) 3 (D) 4