所屬科目:A.汽車學概論、B.電子概論、C.機械常識
3. 圖(一)為汽車起動馬達之電樞測試,下列敘述何者為錯誤? (A)電樞做導通性測試,如果導通則需更換電樞總成 (B)電樞做絕緣性測試,如果導通則需更換電樞總成 (C)三用電錶檔位切換至歐姆檔,將探棒放置於整流子與位置1,為電樞線圈導通測試 (D)三用電錶檔位切換至歐姆檔,將探棒放置於整流子與位置2,為電樞線圈絕緣測試
4. 圖(二)為API美國石油協會認證之標示,下列何者敘述為錯誤? (A)上半圓部分標示API服務分類,表示對引擎的性能,其品質等級為SN等級 (B)中央是以SAE表示潤滑油的黏度,圖上顯示是5W-20 (C)下半圓標示該機油是否具有節能功效 (D)下半圓標示若為空白則表示該機油具備省油節能功效
9. 圖(三)為引擎水溫感知器(Engine Coolant Temperature Sensor)電氣迴路示意圖及其電 阻、電壓與溫度之關係,則下列敘述何者為正確? (A)係採用正溫度係數之熱敏電阻,其電阻大小與溫度高低成正比 (B)溫度越高時電阻越小,送入ECU之電壓越高 (C)溫度越低時電阻越大,送入ECU之電壓越低 (D)其作用為將冷卻水溫度變化轉換成電壓信號傳送給ECU,作為修正噴射量之參考
20.如圖(四)電路, Vz =10V ,最大額定功率為500 mW。若負載電阻 RL兩端電壓要維持在10V , 則 RL之範圍為何? (A) 100Ω~200Ω (B) 200Ω~400Ω (C) 300Ω~500Ω (D) 400Ω~1000Ω
21. 如圖(五)所示之理想二極體電路,其輸出輸入電壓的轉移曲線為何?(A) (B) (C) (D)
22. 如圖(六)電路,二極體為理想二極體,其穩態輸出電壓範圍為何? (A)–4V~+6V (B)–8V~+6V (C)–6V~+8V (D)–6V~+4V
23. 如圖(七)所示之電路,電晶體 β =100, V BE = 0.7 V , R1 = 60kΩ , R2 = 40kΩ , R C =1 k Ω , R E =1kΩ ,則 IC 之值約為何? (A) 5.2 mA (B) 4.8 mA (C) 4.1 mA (D) 3.3 mA
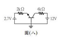
24. 如圖(八)所示電路,電晶體 β =100 , V BE =0.7 V , 請問VCE 的電壓為何? (A) 1.4V (B) 3.4V (C) 8V (D) 8.7V
25.如圖(九)電路,試求電路的 β 值為何? (A) 150 (B) 188 (C) 200 (D) 250
26. 如圖(十)的電晶體開關電路且 β = 50 , V BE =0.7 V ,試求 RB 的最大值為何? (A) 40kΩ (B) 50kΩ (C) 80kΩ (D) 250kΩ
27. 如圖(十一)電路所示, V P = −4 V , IDSS = 4mA ,試求VGS 為何? (A)–3V (B) 3V (C)–2V (D) 2V
29. 右圖(十二)的理想運算放大器電路,請問輸出電壓是多少? (A)–4 (B) 2 (C)–6 (D) 6
30. 如圖(十三)的555振盪電路,當開關按下之後LED約亮多少秒後又熄滅? (A) 1.1 (B) 2.2 (C) 2.8 (D) 6.93
31. 如圖(十四)所示的史密特觸發電路,其磁滯電壓約為多少? (A) 2 (B) 3 (C) 4 (D) 6
32. 如圖(十五)運算放大電路,求電壓增益VO/Vi為何? (A)–6 (B) 6 (C)–8 (D) 8