阿摩線上測驗
登入
首頁
>
電路學
> 107年 - 107 地方政府特種考試_三等_電力工程、電子工程:電路學#73698
107年 - 107 地方政府特種考試_三等_電力工程、電子工程:電路學#73698
科目:
電路學 |
年份:
107年 |
選擇題數:
0 |
申論題數:
8
試卷資訊
所屬科目:
電路學
選擇題 (0)
申論題 (8)
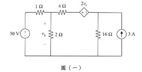
一、利用節點分析法求出圖(一)中的v
0
。(25 分)
⑴諾頓電阻。(10 分)
⑵諾頓電流。(15 分)
⑴ I
a
。(5 分)
⑵ I
b
。(5 分)
⑶ I
c
。(5 分)
⑷負載總實功率。(10 分)
四、圖(四)為運算放大器電路,求得圖(四)中v0ሺtሻ在t>0,令
。 (25 分)
相關試卷
115年 - 115 身心障礙特種考試_三等_電子工程:電路學#138936
115年 · #138936
114年 - 114 地方政府公務特種考試_三等_電力工程、電子工程、電信工程:電路學#134770
114年 · #134770
114年 - 114 專技高考_電機工程技師:電路學#133707
114年 · #133707
114年 - 114 專技高考_電子工程技師:電路學#133700
114年 · #133700
114年 - 114 公務升官等考試_薦任_電力工程、電子工程、電信工程:電路學#133241
114年 · #133241
114年 - 114 高等考試_三級_電力工程、電子工程、電信工程:電路學#128784
114年 · #128784
113年 - 113-2 國營臺灣鐵路股份有限公司_從業人員甄試_第8階-助理工程師-電機:電路學#137142
113年 · #137142
113年 - 113 地方政府公務特種考試_三等_電力工程、電子工程:電路學#124508
113年 · #124508
113年 - 113 專技高考_電機工程技師:電路學#123962
113年 · #123962
113年 - 113 專技高考_電子工程技師:電路學#123933
113年 · #123933