所屬科目:結構學
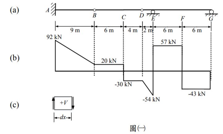
一、已知圖⑴(b)為圖⑴(a)所示之連續梁的剪力分布圖,圖⑴(c)則表示正剪力 的定義。若 B 點和 D 點均為鉸接(hinge),且梁上無彎矩力作用。試繪 圖說明梁上的荷載情形,並繪製其彎矩圖。(25 分)
二、假設圖⑵所示之構架,其所有桿件的 EI 值均為常數,試以諧和變位法求 C 點的垂直變位。(25 分)
三、假設圖⑶所示之桁架所有桿件長度與面積比值 L / A = 1 m/cm2 ,彈性模數 E = 200 GPa ,熱膨脹係數 ,彈簧支承的柔度係數為 f s = 10 / EA。若 AD 桿和 DE 桿溫度上升∆T = 30℃,其餘桿件溫度不變, 試求 A 點垂直位移。(25 分)