所屬科目:初等/五等/佐級◆電子學大意
3 圖示為理想運算放大器電路,若 R1 = 1 kΩ、R2 = 3 kΩ、Ra = 1 kΩ、Rb = 3 kΩ,v1 = 4 V,v2 = -2 V,則輸出電壓 vO為若干 V? (A) 0 (B) 5 (C) 10 (D) 12
4 圖示電路中場效電晶體(FET)之 VTH = -0.7 V,下列電壓何者可使電晶體工作在飽和區(SaturationRegion)? (A) VG = 5 V、VD = 4 V (B) VG = 4 V、VD = 4 V (C) VG = 3 V、VD = 4 V (D) VG = 2 V、VD = 4 V
5 圖示為理想運算放大器電路,若運算放大器的正負輸出飽和電壓為± 10V,二極體導通時兩端電壓為0.7 V,輸入電壓 vI為 +1 V,則 vO為若干 V? (A)-10 (B) 0 (C)+1 (D)+10
6 有一矽雙極性接面電晶體(Si-BJT)電路及輸入接腳 VI1、VI2 的電壓波形如下所示,VCC = 5 V,R1 = R2 = 1 kΩ,R3 = R4 = 100 Ω,CL = 5 μF,電晶體電流增益 βQ1 = βQ2 = 100。試研判電晶體 Q2在時間點 T 最可能的工作模式: (A)飽和模式(Saturation mode) (B)線性模式(Linear mode) (C)主動模式(Active mode) (D)截止模式(Cut-off mode)
7 如圖所示為一 CMOS 反相器,電晶體之 μnCox = μpCox;兩電晶體之 W/L 相同;Vtn = |Vtp|。反相器之負載為電容 CL。若輸入的信號 vi為方波,其高電位為 VDD、低電位為 0,週期為 T。問流過電晶體 QP的平均電流? (A) 0 (B)(μpCox/2)(W/L)(VDD-|Vtp|)2 (C) VDDCL/(2T) (D) VDDCL/T
12 如圖運算放大器電路,若電壓增益 A 為無限大,試求輸出電壓 vo=? (A)-4 V (B) 4 V (C)-6 V (D) 6 V
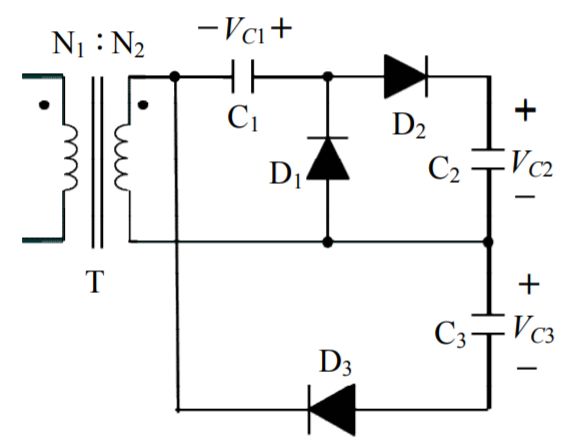
13 電容器 C1~C3配合變壓器 T 及二極體 D1~D3所構成之倍壓電路如圖,輸入信號 vi(t) = 100 sin(377t) 伏特、N1:N2=10:1 且變壓器與所有二極體均視為理想時,在電路穩態條件下電容器 C1~C3所跨電壓VC1~VC3之敘述何者正確? (A) VC1+VC2 = 20 V (B) VC1+VC3 = 30 V (C) VC2+VC3 = 10 V (D) VC1+VC2+VC3 = 40 V
16 圖示半波整流電路之輸入信號 vi(t) = 20 sin(754t) 伏特及 N1:N2 = 2:1,變壓器與二極體均視為理想,關於輸出信號 vo(t)之頻率 fo、有效值電壓 Vo(rms)、平均值電壓 Vo(dc)、峰值電壓 Vo(p)等的約略值,下列敘述何者正確? (A) fo = 754 Hz (B) Vo(p) = 20 V (C) Vo(rms) = 7.1 V (D) Vo(dc) = 3.2 V
17 圖示截波電路中,齊納(Zener)二極體 D1 與 D2 於順偏時視為理想而反偏時之崩潰電壓分別為VZ1= 5 V 與 VZ2 = 7 V,當輸入信號 vi(t)=10 sin(ωt) 伏特時,求輸出信號 vo(t)的峰對峰電壓值為多少伏特? (A) 2 V (B) 5 V (C) 7 V (D) 12 V
18 振幅為 8 伏特的三角形週期波信號輸入如圖所示之截波電路(D 為理想二極體),決定輸出信號 vo(t)的平均值電壓為多少伏特? (A) 0.5 V (B) 1 V (C)-0.5 V (D)-1 V
19 如圖所示之電路,假如二極體之壓降 VD為 0.7 V,求其輸出電壓 vo之平均值為何? (A) 5.37 V (B) 10.58 V (C) 23.3 V (D) 109.3 V
20 圖中 v(t)的電壓波形為振幅對稱之三角波,經過微分器後,其輸出波形為何? (A)正弦波 (B)三角波 (C)直流 (D)方波
23 圖示電路,若 VCC = 10 V,VCE= 3V,則此電晶體的工作區應為何? (A)主動區(Active Region) (B)飽和區(Saturation Region) (C)三極管區(Triode Region) (D)截止區(Cutoff)
24 如圖所示之電路,其中電晶體之爾利(Early)電壓 VA = ∞,求此電路之小信號輸出阻抗值為何? (A) R1 (B) R2 (C) R1+ R2 (D) R2 // (1/gm)
25 如圖為 MOSFET 差動式放大器,已知電晶體 Q1和 Q2的臨界電壓 VTH、轉導 gm、輸出阻抗 ro等參數均相同,試求差動增益 Ad = vod /vid之值? (A) gmRD (B)-gmRD (C) gmRD /2 (D)-gmRD /2
26 如圖所示之電路,其中各電晶體之參數皆為 βnpn = 100,1 kT/q = 1VT = 26 mV 且爾利(Early)電壓 VA = ∞,假定此電路之直流偏壓電流 IC = 4 mA,求此電路之小信號電壓增益值為何? (A) 72.8 (B) 115.8 (C) 154.8 (D) 173.8
27 如圖所示之電路,假設電晶體 M 之參數如下:μnCox = 200 μA/V2,VTH = 0.4 V 且 λ = 0;若跨在電阻RS上之電壓為 300 mV,欲使 M 維持在飽和區之最小可容許之 W/L 值為何? (A) 20 (B) 40 (C) 60 (D) 80
29 如圖所示之射極隨耦器之 vo/vi最接近值為何?假設電流源為理想且1kT / q= 1VT = 26 mV。 (A) 0.9 (B) 0.8 (C) 0.7 (D) 0.6
30 如圖所示共射極放大器之 vo/vi為何?假設電晶體之 gm = 50 mA/V,β = 50。 (A)-25 (B)-50 (C)-75 (D)-100
33 如圖之 RC 串級放大電路中,第2 級放大電路(未顯示)的輸入電阻 Ri2 =1.5 kΩ,電晶體之 β1 = 81、VBE,on = 0.6 V,求第 1 級放大電路的電壓增益大小(vo1/vi)最接近值為: (A) 30 (B) 60 (C) 80 (D) 100
34 下列有關圖示電路的敘述何者正確? (A)為微分電路 (B)-3dB 頻率與 R1成正比 (C)直流電壓的增益為-R2/R1 (D)為高通濾波器
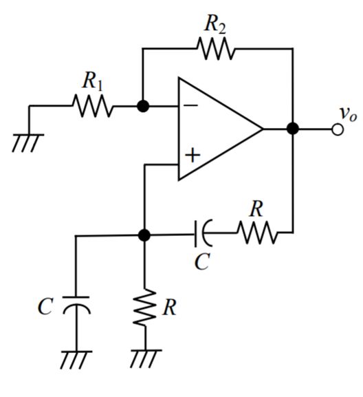
35 如圖所示為一文氏電橋振盪器。R2 = 100 kΩ,R1 = 20 kΩ,R = 10 kΩ,C = 0.1 μF。求振盪器的振盪頻率? (A) 15.9 Hz (B) 79.6 Hz (C) 159 Hz (D) 1000 Hz
36 如圖所示為一考畢子振盪器(Colpitts Oscillator)電路,其偏壓電路並沒有畫出來。電晶體 Q 之gm = 10 mA/V,RE = 1 kΩ,L = 20 μH,C1 = 25 pF,C2 = 100 pF。假若電晶體由基極視入的阻抗大到可以忽略。求電路的振盪頻率? (A) 3.2 MHz (B) 8 MHz (C) 32 MHz (D) 80 MHz
39 如圖電路,已知 R = 10 kΩ 和 C = 0.01 μF,輸入為 ± 5 V 對稱方波,試求輸出三角波電壓在 t = 0到 t = t1 的斜率為多少 V/sec? (A)+5× 104 (B)-5× 104 (C)-10× 104 (D)+10× 104
40 如圖雙穩態電路,已知輸出電壓 vo飽和在± 13 V,若設計臨界電壓(threshold voltage)在± 5 V,且令 R1 = 10 kΩ,試求 R2為多少? (A) 16 kΩ (B) 20 kΩ (C) 32 kΩ (D) 40 kΩ