所屬科目:結構學
一、圖1所示之梁桿件 ABCDE 中,C 點為鉸接點,在圖示載重下,求 A 點、 B 點及 D 點的反力並繪此整支梁的剪力圖與彎矩圖。 (25分)
二、如圖2所示之桁架結構,所有桿件彈性模數 E = 200 GPa 與斷面積 A=1000 mm2, 試以單位力法(Unit-load method)求圖示載重下 C 點之垂直變位及水平 變位(以其他方法求解一律不予計分)。(25分)
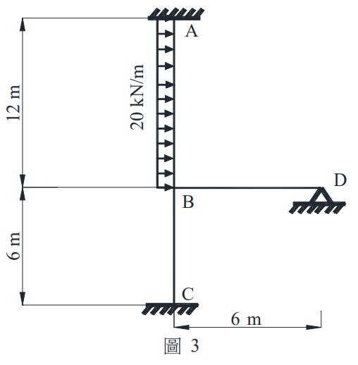
三、假設圖3之構架中各桿件之 EI 均相同,試以傾角變位法(Slope Deflection Method)求解各桿件之桿端彎矩及 D 點的反力(以其他方法求解一律不 予計分)。(25分)
四、圖4之梁桿件 A 點為固定支承(Fixed Support),在圖示載重下(AB 桿 件的中點有集中載重1000 kN 及 CD 桿件的端點 D 有集中彎矩200 kN-m), 試以彎矩分配法(Moment Distribution Method)求解各桿件之桿端彎矩 及繪此整支梁的剪力圖與彎矩圖,其中 AB 桿件斷面性質為 EI,BC 桿 及 CD 桿件斷面性質為2EI(以其他方法求解一律不予計分)。(25分)