所屬科目:機械設計
3.有一半圓面積圖形如【圖 3】所示,請求形心 C 的位置,即是 y的表示式? (A) (B) (C) (D)
9.有關鍵(如【圖 9】所示)的設計及相關知識,下列敘述何者錯誤? (A)在輪上作成鍵槽,在軸上製成鍵座而套上鍵結合之 (B)鍵之側面承受壓力負荷 (C)鍵所承受之剪應力來自於軸之彎曲負荷 (D)需求高強度的鍵時,常以構造用碳鋼、冷拉棒鋼或碳鋼鍛造而成
13.【圖 13】最可能是下列哪一種彈簧? (A)螺旋拉伸彈簧 (B)螺旋壓縮彈簧 (C)螺旋扭轉彈簧 (D)板片彈簧
17.某鑄鐵圓柱受軸向拉力負荷5✕104kg,且極限強度σu是 8400 kg/cm2,安全因素為 7,則設計時此圓柱之斷面積需多少 cm2? (A) 38.6cm2 (B) 41.7cm2 (C) 48.5cm2 (D) 56.3cm2
18.如【圖 18】所示,此為何種幾何公差的設計管制表示圖例? (A)圓柱度 (B)真圓度 (C)正位度 (D)同心度
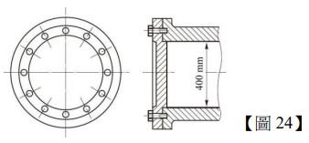
24.有一汽缸蓋如【圖 24】所示,其內徑 400mm,內壓力 9.5kg/cm2,擬以排列成圓周狀的數支螺栓鎖 緊。每支螺栓可承受的拉力為 1200 kg,則最少需設計成幾支螺栓? (A) 8 支 (B) 9 支 (C) 10 支 (D) 12 支
30.如【圖 30】所示之漸開線正齒輪嚙合,大齒輪齒數 30,小齒輪齒數 20,若齒輪之模數為 2 及壓力 角為 20˚時,下列敘述何者正確? (A)小齒輪節圓直徑=38 (B)小齒輪節圓直徑=20 (C)大齒輪之基圓直徑=60 × cos(20) (D)大齒輪之基圓直徑=60 × sin(20)
32.如【圖 32】所示之幾何公差符號稱為何? (A)圓柱度 (B)真圓度 (C)對準度 (D)位置度
36.如【圖 36】所示為表面織構補充要求事項位置,有關加工方法應該標註在下列何位置上? (A) b (B) c (C) d (D) e
37.如【圖 37】所示,斜度為 1:10,L=50,兩端高度為 H 及 h,下列何者正確? (A) H=25 時,h=21 (B) h=25 時,H=30 (C) H=35 時,h=29 (D) h=30 時,H=40