所屬科目:熱力學
一、在下列之四個熱機(a)、(b)、(c)及(d)示意圖中,分別判定其為可逆熱機、不可逆熱機或不可能發生之熱機,並闡述其理由。(20分)
三、以克拉珀龍方程式(Clapeyron equation),根據下表冷媒R-134(氣體常數R= 0.0815 kJ/kg·K)在-40℃的飽和狀態數據來推算其在-42℃時的飽和壓力。在上述方程式中,P為壓力,T為溫度,h為焓(Enthalpy),v為比體積(Specific volume),下標sat代表為飽和狀態(Saturated state),下標 f為飽和液態,下標g為飽和氣態。(25分)
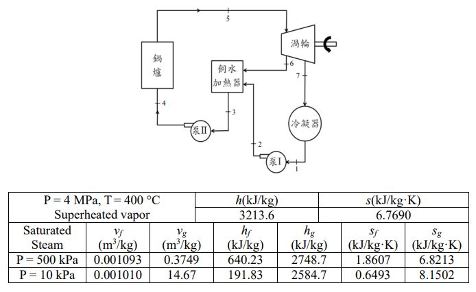
四、有一以水為工作流體之再生循環如下圖所示,蒸氣離開鍋爐(Boiler)進入渦輪機(Turbine)的狀態為4 MPa(P5)及400 °C(T5),經渦輪機之膨脹過程至500 kPa時(P6),部分蒸氣會被抽離至飼水加熱器(Feedwater heater, FWH)用來加熱飼水(Feedwater),在飼水加熱器的壓力為500 kPa,而飼水離開飼水加熱器的狀態為壓力500 kPa的飽和水(Saturated water),而在渦輪機中未被抽離的蒸氣會繼續膨脹至10 kPa(P7)。根據下表數據,計算在渦輪機中被抽離加熱飼水蒸氣的比例以及整個循環的效率。假設膨脹過程為等熵過程(Isentropic process),且工作流體流經鍋爐或冷凝器(Condenser)的前後並未產生壓力變化。(30分)