所屬科目:技檢◆門窗木工-甲級
26. 下圖之木材經四面鉋削後,須經下面各項動作:a.動作為定長,使用 4 馬力之雙頭圓鋸機,b.動作 為成形,使用 2 馬力之立軸機成形,c.動作為鑽孔,使用 1 馬力之單軸立式鑽床。現假設每一動作 耗時 15 秒,每人工 120 元/每小時,每馬力耗電量 1 度/小時,每度為 5 元。該組件如加工 600 支, a.b.c 之加工總費用(包括人工、電費)為多少元?(A)1200(B)1400(C)1800(D)1600。
31. 有兩片鑲板構成之颱風板(如下圖),試問其鑲板面積為多少 m2?(A)(1.37+4×0.01 )(0.48+2×0.01 )×2 (B)(1.37-4×0.01 ) (4.8-2×10 )×2(C)(1370-2×10 )(480-2×10 )÷1000(D)1.37×0.48×2。
32. 下圖為一室內門之門框與門扇的結構,此門為(A)無法判別(B)左右側不分(C)右側門(D)左側門。
34. 下圖為門窗之平面符號,其表示為(A)迥轉式門(B)旋提式門(C)擺動式門(D)旋轉式門。
41. 下列何者不是 CNS 規定的門窗符號?(A) (B) (C) (D) 。
44. 圖面尺寸為 ,下列為工作物之檢查結果,哪一件不合格?(A)54.97(B)55.06(C)54.99(D)54. 98。
45. 下圖之銑刀為(A)修邊刀(B)清底刀(C)T形刀(D)敏仔線刀(花線刀)。
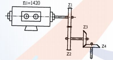
50. 有一傘形齒輪組,(如下圖)由迴轉數 1420 轉/分的馬達帶動齒輪 Z1=30 齒,Z2=45 齒,傘型齒輪 Z 3=38 齒,Z4=26 齒試問被動輪 Z4 之迴轉數為多少轉?(A)(30×1420 )/26(B)(45×1420 )/38(C)(26×1420 )/ 30(D)(38×1420 )/18。
60. 如下圖形狀之木材,其尺寸開列應為(A)60×150×45(B)45×60×150(C)60×45×150(D)150×60×45。
62. 下列哪些為順刀切削(順向切削)?(A) (B) (C) (D) 。