所屬科目:技檢◆氣壓-丙級
1. 直動式機械閥所須的作動力,與下列何者有關?(A)壓縮空氣的壓力大小(B)流量(C)作動快慢(D)氣壓管尺寸。
2. 節流閥使用時,應安裝距氣壓缸何處?(A)無所謂(B)愈遠愈好(C)中間位置(D)愈近愈好。
3. 自行煮水、包裝飲用水及包裝飲料,依生命週期評估排碳量大小順序為下列何者?(A)包裝飲用水> 自行煮水>包裝飲料(B)包裝飲料>包裝飲用水>自行煮水(C)自行煮水>包裝飲料>包裝飲用水(D)包 裝飲料>自行煮水>包裝飲用水。
4. 過濾器的主要功能(A)過濾油氣(B)過濾水份和雜質(C)過濾水份(D)過濾雜質。
5. 下列何者可用於測量內孔、凹槽?(A)外卡(B)尖頭分厘卡(C)移距式內卡(D)單腳卡。
6. 依廢棄物清理法之規定,隨地吐檳榔汁、檳榔渣者,應接受幾小時之戒檳班講習?(A)8 小時(B)4 小 時(C)2 小時(D)6 小時。
7. 以下哪一項員工的作為符合敬業精神?(A)謹守職場紀律及禮節,尊重客戶隱私(B)利用正常工作時間 從事私人事務(C)未經雇主同意擅離工作崗位(D)運用雇主的資源,從事個人工作。
8. 電氣設備接地之目的為何?(A)防止電阻增加(B)防止電弧產生(C)防止短路發生(D)防止人員感電。
9. 全球暖化潛勢(Global Warming Potential, GWP)是衡量溫室氣體對全球暖化的影響,其中是以何者 為比較基準?(A)CH4(B)SF6(C)N2O(D)CO2。
10. 電磁線圈的額定電壓為 DC12 伏特,則容許使用最低電壓為 D C______伏特。(A)13.2(B)10.8(C)9.8(D)11.2
11. 電感抗和下列那一個因素無關?(A)電感(B)2π(C)頻率(D)電流。
12. 下列各符號代表的控制閥,何者不是引導操作?(A)(B)(C)(D) 。
13. 下列何者是直動式電磁閥之線圈氣壓符號?(A) (B) (C) (D) 。
14. CA 安裝方式的支撐座在(A)前端蓋(B)無支撐座(C)缸筒中間(D)後端蓋。
15. 左圖之邏輯表示是(A)Y=a+b(B)Y =a‧b (C)(D)。
16. 只容許霧狀微粒潤滑油通過之加油霧器為(A)選擇式加油霧器(B)固定式加油霧器(C)可變式加油霧器(D) 全量式加油霧器。
17. 此符號代表的是(A)單輸出空壓機(B)雙向氣壓馬達(C)單向氣壓馬達(D)雙輸出空壓機。
18. 在兩個或以上的不同位置控制同一動作,可採用下列何種閥件?(A)梭動閥(B)響導止回閥(C)單向節流 閥(D)單向止回閥。
19. 三用電錶量測電阻時,若待測電阻愈大,則指針偏轉角越(A)無法確定(B)小(C)大(D)一樣。
20. 電阻之單位是(A)瓦特(B)伏特(C)歐姆(D)安培。
21. 依據巴斯噶(Pascal's law)定理指容器內液面受外力加壓時則液內任何一點的壓力對容器壁之作用力 方向為(A)任何方向(B)斜向(C)平行(D)垂直。
22. 壓縮機第一次起動時,應注意目標是(A)溫度變化(B)調整速度(C)正常轉動方向(D)壓力變化。
23. 從事專業性工作,在服務顧客時應有的態度是(A)為了降低成本,可以降低安全標準(B)選擇工時較 長、獲利較多的方法服務客戶(C)不必顧及雇主和顧客的立場(D)選擇最安全、經濟及有效的方法完成 工作。
24. 職場內部常見之身體或精神不法侵害不包含下列何者?(A)脅迫、名譽損毀、侮辱、嚴重辱罵勞工(B) 使勞工執行與能力、經驗相符的工作(C)強求勞工執行業務上明顯不必要或不可能之工作(D)過度介入 勞工私人事宜。
25. 依職業安全衛生法規定,事業單位勞動場所發生死亡職業災害時,雇主應於多少小時內通報勞動檢 查機構?(A)8(B)24(C)48(D)12。
26. 左圖是(A)直推作動(B)按鈕作動(C)手柄作動(D)一般手動。
27. 單位符號標註 SI 表示(A)英制單位(B)國際單位系統(C)公制單位(D)技術單位系統。
28. 左圖之______之壓力大於彈簧設定壓力,該閥就會導通。(A)Y(B)X(C)X-Z 壓差(D)Z
29. 選用 50%負荷率(負荷與氣壓缸出力之比值)時,氣壓缸的速度可以達到______以上。(A)200mm/sec (B)100mm/sec(C)150mm/sec(D)50mm/sec
30. 選用手弓鋼鋸條最重要的考慮因素為(A)鋸條厚度(B)每英吋之齒數(C)鋸條長度(D)固定孔大小。
31. 氣壓缸使用上,一般速度以______較佳。(A)70~700mm/s(B)50~500mm/s(C)60~600mm/s (D)80~800mm/s
32. 常用之吸附式乾燥機,在氣壓系統中是屬______設備。(A)調理(B)輸送(C)輔助(D)控制
33. 左圖為(A)雙向迴轉氣壓馬達(B)單向迴轉氣壓馬達(C)雙向迴轉空氣壓縮機(D)單向迴轉空氣壓縮 機。
34. 24 顆電磁方向閥安裝在同一個匯流排座上,將排氣集中排放,使用一段時日後,電磁閥激磁時序雖 然不同,但都出現切換不良的現象,最可能的原因是(A)供氣流量太大(B)進氣孔道阻塞(C)消音器阻塞 (D)電磁線圈老化。
35. 使用電工刀剝除導線之絕緣皮時,原則上應使刀口向(A)外(B)下(C)上(D)內。
36. 依據台灣電力公司三段式時間電價(尖峰、半尖峰及離峰時段)的規定,請問哪個時段電價最便宜? (A)夏月半尖峰時段(B)尖峰時段(C)離峰時段(D)非夏月半尖峰時段。
37. 冷凍式乾燥機的設置位置,應該在(A)低溫乾燥處(B)有火焰的地方(C)高溫處所(D)靠近壓縮機處。
38. 用三用電錶之直流電壓來測量交流電壓之結果(A)相當準確(B)電表可能受損(C)在零位置左右振動(D)部 份電阻會受損。
39. 冷凍式乾燥器是將壓縮空氣之溫度降至約______,以除去水份。(A)3 ℃(B)0℃(C)-10℃(D)10℃
40. 下列何種型式壓縮機,其輸出壓力的脈動較大?(A)迴轉式(B)螺旋式(C)離心式(D)往復式。
41. 指針形三用電錶電阻之刻度線(A)不均勻,愈向左愈擁擠(B)不均勻,愈向右愈擁擠(C)呈均勻刻劃(D)以 對數刻度表示。
42. 螺絲或螺帽置於機器比較凹進去的地方,應使用(A)套筒扳手(B)開口扳手(C)扭力扳手(D)梅花扳手。
43. 冷凍式乾燥機放在環境溫度高的地方(A)降低出口壓力(B)降低除水能力(C)提高除水能力(D)降低出口空 氣溫度。
44. 森林面積的減少甚至消失可能導致哪些影響:
A.水資源減少 B.減緩全球暖化 C.加劇全球暖化 D.降 低生物多樣性?(A)ABCD(B)ABD(C)BCD (D)ACD。
45. 電氣符號表示(A)電瓶(B)接地(C)線圈(D)保險絲。
46. 下列何者不會減少溫室氣體的排放?(A)開發太陽能、水能等新能源(B)減少使用煤、石油等化石燃料 (C)大量植樹造林,禁止亂砍亂伐(D)增高燃煤氣體排放的煙囪。
47. 針對在我國境內竊取營業秘密後,意圖在外國、中國大陸或港澳地區使用者,營業秘密法是否可以 適用?(A)能否適用需視該國家或地區與我國是否簽訂相互保護營業秘密之條約或協定(B)可以適用, 但若屬未遂犯則不罰(C)可以適用並加重其刑(D)無法適用。
48. 氣壓擺動缸在什麼情況也會發生〝滯滑〞(Stick-slip)現象?(A)低轉速(B)低壓力(C)高轉速(D)啟動 使用時。
49. 氣壓管件用 G 代表(A)錐度管牙(B)母的管牙(C)平行管牙(D)公的管牙。
50. 浮球式自動排水裝置的承杯內水位高低,是由什麼控制?(A)管路中壓力(B)承杯內壓力(C)浮球的大小 (D)浮球的位置。
51. 電磁閥使用之電源有交流和直流兩種,最常用的額定電壓為(A)A C110V 和 DC24V(B)AC24V 和 DC12V(C)AC380V 和 DC48V(D)AC220V 和 DC48V。
52. JIS 表示(A)美洲規格(B)英國規格(C)歐洲規格(D)日本規格。
53. 直流電流和電壓之測定皆使用(A)靜電型(B)可動線圈型(C)感應型(D)動電型。
54. 繼電器(Relay)之線圈通電後(A)a 接點不通 b 接點通(B)a、b 接點皆不通(C)a 接點通 b 接點不通(D)a 接點變 b 接點,b 接點變 a 接點。
55. 左圖符號表示(A)差動氣壓缸(B)單動氣壓缸(C)增壓缸(D)緩衝氣壓缸 靠外力回行。
56. 氣壓控制閥所產生的噪音要如何抑低?(A)升高排氣口背壓(B)提高進氣壓力(C)提高排氣速度(D)提高進氣速度。
57. 左圖符號為(A)空氣壓縮機雙向固定排量(B)空氣壓縮機單向變動排量(C)空氣壓縮機單向固定排量(D)空氣壓縮機雙向變動排量。
58. 下列何者不是自來水消毒採用的方式?(A)加入氯氣(B)加入二氧化碳(C)加入臭氧(D)紫外線消毒。
59. 冷氣外洩會造成能源之消耗,下列何者最耗能?(A)自動門無氣簾(B)自動門有氣簾(C)全開式無氣簾(D)全開式有氣簾。
60. 下列何者是電磁閥之線圈?(A) (B) (C) (D) 。
61. 為了防止氣壓系統的壓力超過最大容許壓力,宜採用下列何種閥件?(A)梭動閥(B)雙壓閥(C)釋壓閥(D)單向止回閥。
62. 左圖是何種型式控制閥?(A)電磁(B)釋壓(C)旋轉(D)加壓。
63. 雷氏溫度指標(Rankine scale)又稱為(A)攝氏溫度標度(B)華氏溫度標度(C)絕對攝氏溫度標度(D)絕對華氏溫度標度。
64. 電磁線圈的絕緣種類 E 種,最高容許溫度為______以下。(A)155℃(B)105℃(C)130℃(D)120℃
65. 如欲利用氣壓缸進行加壓、衝邊、衝孔及鉚合等作業,宜採用下列何種氣壓缸?(A)並連式氣壓缸(B)衝擊式氣壓缸(C)剎車氣壓缸(D)不旋轉缸。
66. 在直覺法設計的控制迴路,常利用下列何種機械閥作訊號消除?(A)3/2 位單向作動輥輪閥(B)3/2 位雙向作動輥輪閥(C)4/2 位雙向作動輥輪閥(D)4/2 位單向作動輥輪閥。
67. 單向節流閥的調整旋鈕順時針旋轉,則流量(A)變大(B)不影響流量(C)時大時小(D)變小。
68. 不當抬舉導致肌肉骨骼傷害或肌肉疲勞之現象,可稱之為下列何者?(A)被撞事件(B)感電事件(C)不安全環境(D)不當動作。
69. 快速接頭的使用要求,下列何者不適合?(A)牢靠(B)迅速(C)增壓(D)簡便。
70. 某廠商之商標在我國已經獲准註冊,請問若希望將商品行銷販賣到國外,請問是否需在當地申請註冊才能受到保護?(A)不一定,需視我國是否與商品希望行銷販賣的國家訂有相互商標承認之協定(B)不一定,需視商品希望行銷販賣的國家是否為 WTO 會員國(C)是,因為商標權註冊採取屬地保護原則(D)否,因為我國申請註冊之商標權在國外也會受到承認。
71. 氣壓缸附緩衝裝置的主要目的(A)避免撞擊(B)增加氣缸的行程(C)防止過熱的產生(D)可調整氣缸的行進速度。
72. 給油器的符號為(A) (B) (C) (D) 。
73. 精度 1/20 之游標卡尺,可讀出的最小尺寸為______mm。(A)0.10(B)0.05(C)0.02(D)0.2
74. 下列何種閥件不具摩擦自保能力?(A)3 /2 位雙邊氣導閥(B)4/2 位雙線圈電磁閥(C)5/2 位雙邊氣導閥(D)5/3 位方向閥。
75. 在管路安裝中,若要管路閉止時,可利用______作為代用品。(A)安全閥(B)雙壓閥(C)減壓閥(D)梭動閥
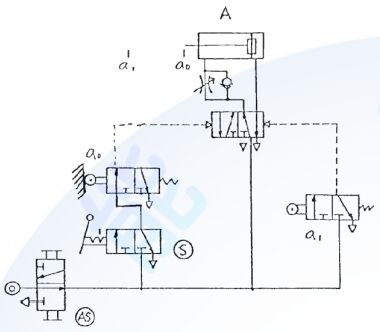
76. O 型環的尺寸數字代表(A)外徑(B)口徑(C)韌性(D)內徑。
77. 參閱下圖,操作啟動開關 S 後,下列各種敘述何者正確?
(A)立即切換至原來位置(使產生脈衝訊號)則氣壓缸 A 不會運動(B)並鎖在“通”的閥位,則氣壓缸 A 伸出至端點再退回到原來位置後停止(C)立即切換至原來位置(使產生脈衝訊號)則氣壓缸 A 伸出後停留在前端位置(D)並“鎖”在通的閥位,則氣壓缸 A 連續作往復運動。
78. 下列電流錶何者內阻最大?(A)奈安錶(B)安培錶(C)毫安錶(D)微安錶。
79. 過濾器的符號是(A)(B) (C) (D) 。
80. 潤滑器用油的號碼表示(A)添加物種類(B)使用溫度(C)使用壓力(D)黏度。