所屬科目:電路學
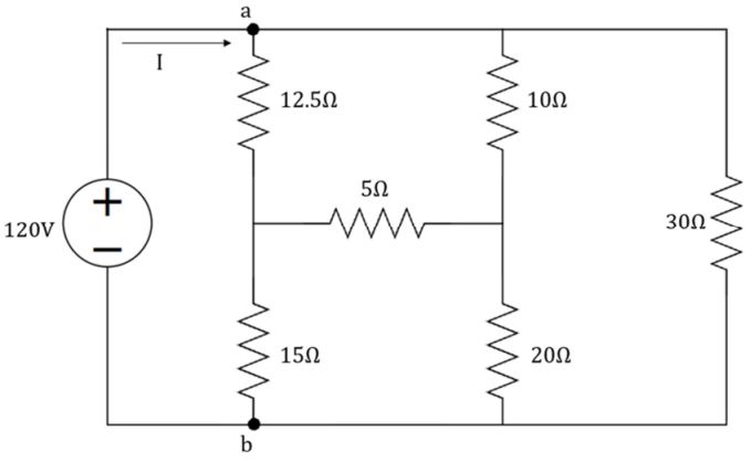
一、試計算下圖之等效電阻,(10 分)並計算電流 I。(15 分)
二、下圖所示電路開關已在 OFF 位置好長一段時間,在 t=0 的瞬間,開關移 動到 ON 的位置。求出 t≧0 時的 v0(t)。(25 分)
(一)求出電流的穩態 表示式。(10 分)
(四)如果用一個可變電阻來取代 15 Ω 的電阻器,那的值為多少會得 到最大平均功率轉移。(5 分)