所屬科目:教甄◆板金科
21. 三視圖中的右側視圖為? (A) (B) (C) (D)
22. 三視圖中的右側視圖為? (A) (B) (C) (D)
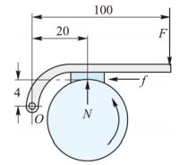
26. 如圖所示之制動器,鼓輪直徑 48cm,轉軸扭矩為 24N-m,摩擦係數為 0.2,當鼓輪 逆時針旋轉時,所需之制動力為(長度單位:cm)? (A) 150N (B) 120N (C) 104N (D) 96N
27. 如圖,起重機共有四個齒輪帶動,A 輪有 30 齒、B 輪有 120 齒,C 輪有 120 齒、E 輪有 30 齒,搖桿處施加 F 力 20 公斤,搖臂半徑 R=20cm,若舉起 W 重處的滑輪直 徑為 10cm,試計算可舉起重物 W 多少公斤? (A) 640 (B) 1280 (C) 1600 (D) 3200
28. 一懸臂樑長 L,於自由端承受一彎矩 M,則自由端之撓度為? (A) (B) (C) (D)
29. 如下圖所示,一長方體寬 1.2m,W=20kg,與地面之摩擦係數為 0.2,今有一水平力 P 推動物體而不使此物體傾倒之最大高度 h 為多少公尺? (A) 1.5 (B) 2 (C) 2.5 (D) 3
30. 一學生量自己的體重,當學生拉繩索時,B 的讀數為 7 公斤,A 為 25 公斤,學生真 正重量多少公斤? (A) 50 (B) 60 (C) 70 (D) 80
31. 如下圖所示,一梯重 100kg,梯與地板之摩擦係數為 0.5,梯與牆之摩擦係數為 0.25, 今欲使梯子開始向右運動,所需之 P 力大小為多少公斤? (A) 102 (B) 128 (C) 150 (D) 168
32. 已知物體 B 的質量為 20kg,兩斜面均光滑,系統處於平衡,求物體 A 的質量多少公斤? (A) 23 (B) 69 (C) 40 (D) 38
33. 如圖所示,物體重 20kg,由靜止以一平行斜面之力 P=50kg 推之,使其沿斜面上行10 公尺,若摩擦係數為 0.2,g=10m/sec2,此時物體的速率約為多少 m/sec ? (A) 9 (B) 12 (C) 15 (D) 19