所屬科目:輸配電學
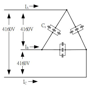
二、如圖所示,一三相三角型接電容器組由每相三個 200 kVAR, 4.16 kV, 60 Hz 電容器並聯組成,當 AB 相的一個電容器 Cx 移除後,計算線路 上的電流。(25 分)
三、一單相傳輸線排列如圖所示,導體 x 由三條直徑為 3 公分的導線組 成,導體 y 由兩條直徑為 4 公分的導線組成。計算導體 x 與導體 y 的 幾何平均半徑(GMR),傳輸線的幾何平均距離(GMD)。(30 分)