阿摩線上測驗
登入
首頁
>
電子學(包括電力電子學)
> 111年 - 111 專技高考_電機工程技師:電子學(包括電力電子學)#111979
111年 - 111 專技高考_電機工程技師:電子學(包括電力電子學)#111979
科目:
電子學(包括電力電子學) |
年份:
111年 |
選擇題數:
0 |
申論題數:
14
試卷資訊
所屬科目:
電子學(包括電力電子學)
選擇題 (0)
申論題 (14)
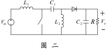
(一)Vo
(二)最初兩個 ac 項之電流大小(I
2
,I
4
)
(三)負載消耗功率
(四)電路之功率因素(power factor)。(25 分)
(一)電感 L
1
與 L
2
之值,使其電感電流之變化為其電流平均值 之 40%
(二)電容 C
1
與 C
2
之值,使其電容電壓之變化為 V
o
之 2%。 (25 分)
(一) gm 值
(二) M
1
之 W/L 值
(三) R
1
與 R
2
值。(25 分)
(一)回授因素(feedback factor)
(二)開路增益
(三)閉路增益
(四)閉迴路輸入阻抗
(五)閉迴路輸出阻抗。 (25 分)
相關試卷
114年 - 114 專技高考_電機工程技師:電子學(包括電力電子學)#133721
114年 · #133721
113年 - 113 專技高考_電機工程技師:電子學(包括電力電子學)#123968
113年 · #123968
112年 - 112 專技高考_電機工程技師:電子學(包括電力電子學)#117584
112年 · #117584
110年 - 110 專技高考_電機工程技師:電子學(包括電力電子學)#104211
110年 · #104211
109年 - 109 專技高考_電機工程技師:電子學(包括電力電子學)#93178
109年 · #93178
108年 - 108 專技高考_電機工程技師:電子學(包括電力電子學)#80903
108年 · #80903
107年 - 107 專技高考_電機工程技師:電子學(包括電力電子學)#72994
107年 · #72994
104年 - 104 專技高考_電機工程技師:電子學(包括電力電子學)#38541
104年 · #38541
103年 - 103 專技高考_電機工程技師:電子學(包括電力電子學)#38813
103年 · #38813
102年 - 102 專技高考_電機工程技師:電子學(包括電力電子學)#38814
102年 · #38814