阿摩線上測驗
登入
首頁
>
電子學(包括電力電子學)
>
111年 - 111 專技高考_電機工程技師:電子學(包括電力電子學)#111979
> 申論題
題組內容
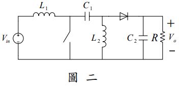
二、一 SPICE 電路如圖二,其
=15 V,V
o
=6 V,負載電阻 R=2 Ω,切換頻率 f = 250 kHz,求
(一)電感 L
1
與 L
2
之值,使其電感電流之變化為其電流平均值 之 40%
相關申論題
(一)Vo
#479850
(二)最初兩個 ac 項之電流大小(I2,I4)
#479851
(三)負載消耗功率
#479852
(四)電路之功率因素(power factor)。(25 分)
#479853
(二)電容 C1 與 C2 之值,使其電容電壓之變化為 Vo 之 2%。 (25 分)
#479855
(一) gm 值
#479856
(二) M1 之 W/L 值
#479857
(三) R1 與 R2 值。(25 分)
#479858
(一)回授因素(feedback factor)
#479859
(二)開路增益
#479860
相關試卷
114年 - 114 專技高考_電機工程技師:電子學(包括電力電子學)#133721
114年 · #133721
113年 - 113 專技高考_電機工程技師:電子學(包括電力電子學)#123968
113年 · #123968
112年 - 112 專技高考_電機工程技師:電子學(包括電力電子學)#117584
112年 · #117584
111年 - 111 專技高考_電機工程技師:電子學(包括電力電子學)#111979
111年 · #111979
110年 - 110 專技高考_電機工程技師:電子學(包括電力電子學)#104211
110年 · #104211
109年 - 109 專技高考_電機工程技師:電子學(包括電力電子學)#93178
109年 · #93178
108年 - 108 專技高考_電機工程技師:電子學(包括電力電子學)#80903
108年 · #80903
107年 - 107 專技高考_電機工程技師:電子學(包括電力電子學)#72994
107年 · #72994
104年 - 104 專技高考_電機工程技師:電子學(包括電力電子學)#38541
104年 · #38541
103年 - 103 專技高考_電機工程技師:電子學(包括電力電子學)#38813
103年 · #38813