所屬科目:高等電子電路學(包括類比與數位)
(一)直流基極電流、直流輸出電流分別為何值?(10 分)
(三)直流總電流增益為何值?(5 分)
二、(一)試以 NAND 閘及反相器繪出時控 D 型正反器之邏輯電路圖。(5 分)
(二)下圖分別為時控 D 型正反器之 D 及時序(clock)之輸入波形,試繪出其輸出 Q 之相對應波形(假設 Q 的初值為 0) 。(5 分)
(三)試以全-CMOS 方式繪出布林函數:之電路圖。(10 分)
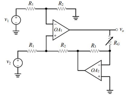
(一)若 R1 = 2 kΩ、R2 = 3 kΩ、R3 = 5 kΩ,試推導並計算 Ri 值。(15 分)
(二)若 R1 = 1 kΩ、R2 = 2 kΩ、R3 = 0.5 kΩ、 = 5 kΩ,輸入電壓 v1 = 0.5 V、 v2 = 1.2 V,試推導並計算 vo。(15 分)
(二)總電壓增益 = vo /vi、總電流增益分別為多少?(10 分)
(三)若將電容及開路,假設及值不變,且及忽略不計,則總電壓增益 為多少?(10 分)