所屬科目:技檢◆油壓-丙級
5. 下圖中,若管路摩擦力不計,負載所需之工作壓力為 40kgf/c m2,錶1之壓力值可能是(A)0(B)30(C)40(D)70 kgf/cm2。
14. 下列何者為雙向變排量式液壓泵?(A)(B)(C)(D)。
17. 三相鼠籠式感應電動機以 Y-△啟動時,其相電壓為額定電壓之(A)1/4 (B)全部(C)1/2(D)1 / 。
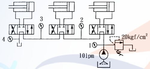
27. 下圖中,每個方向閥之壓降為 2.0kgf/cm2,於方向閥中立位置時,錶 3 之壓力值為(A)2 (B)4(C)6(D)20kgf/cm2。
35. 如下圖為(A)阻流管(B)快速接頭(C)孔口(D)止回閥 之符號。
38. 如下圖在控制電路中,為下列何種元件電磁線圈之符號?(A)定時器(B)繼電器(C)電磁接觸器(D)壓力開關。
39. 如下圖為(A)冷卻器(B)過濾器(C)加熱器(D)潤滑器 之符號。
40. 下圖符號為(A)互斥或閘(B)反及閘(C)互斥反或閘(D)反或閘。
47. 下圖所示係速度控制迴路,油壓馬達之速度控制方式屬於(A)旁通(B)量入(me ter-in)(C)量出(me ter-out)(D)混合 控制。
49. 左圖符號為(A)閉止閥(B)節流閥(C)分流閥(D)止回閥。
63. 符號表示(A)直流電流計(B)接地(C)中性線(D)短路。
65. 下列何者為兩管路交叉,沒有連接的狀態?(A) (B)(C)(D)。
69. 下列何者為卸載閥(A)(B)(C)(D) 。
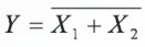
70. 如下圖所示邏輯方程式為(A)(B)(C)(D) 。
72. 品質優良的調壓閥,流量與壓力的關係何者正確?(A)(B)(C)(D)。