所屬科目:電路學
二、一電阻-電容電路如下圖所示,在 t = 0 前該電路已處於穩定狀態,試求 t > 0 之 vo(t)= ?(20 分)
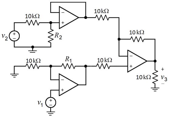
三、一 OP 放大器電路如下圖所示,若其輸出,請計算出適當之 R1 及 R2電阻值?(10 分)
四、一具有電阻-電容-電感器之電路如下圖所示,該電路輸入為電壓源之電壓 vs (t )= 10 cos(10t )V,輸出為流經 10 Ω電阻之電流 i(t),試計算 i(t)之表示式。(30 分)(hint:可將電路之元件轉換至頻域)。
五、一電路如下圖所示,請決定 L 及 C 之值,以使此電路輸出 vo(t)可操作於帶通濾波器,其中 R = 100 Ω,ω0 = 1000 rad/s,頻寬 BW 為 100 rad/s。(10 分)